Sunday, March 3rd, 2024 AT 6:32 PM
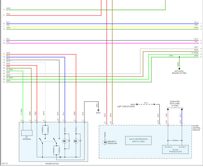
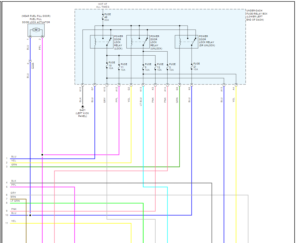
Hi, I'm trying to DIY a courtesy light into the rear doors of my Honda Accord 2018 hybrid touring. I need the electrical diagram of the rear door lock to wire tap into. What I want is for the light to turn on when the door opens and turns off when it closes.












