Rear defroster and light on console for rear defroster not working

2007 HYUNDAI SONATA
150,000 MILES • AUTOMATIC
Avatar
GRANNY PEAVED
  • MEMBER
  • 3 POSTS
i changed fuse inside under dash but it didn't fix problem.
Nov 1, 2019 at 3:17 PM
Repair Safety Notice: This information is for general instructional purposes only. Vehicle repair can be dangerous. Verify all information, follow manufacturer service procedures, use proper tools and safety equipment, and consult a qualified repair shop when needed.
Advertisement
Avatar
KASEKENNY
  • CAR REPAIR CONTRIBUTOR
  • 18,907 POSTS
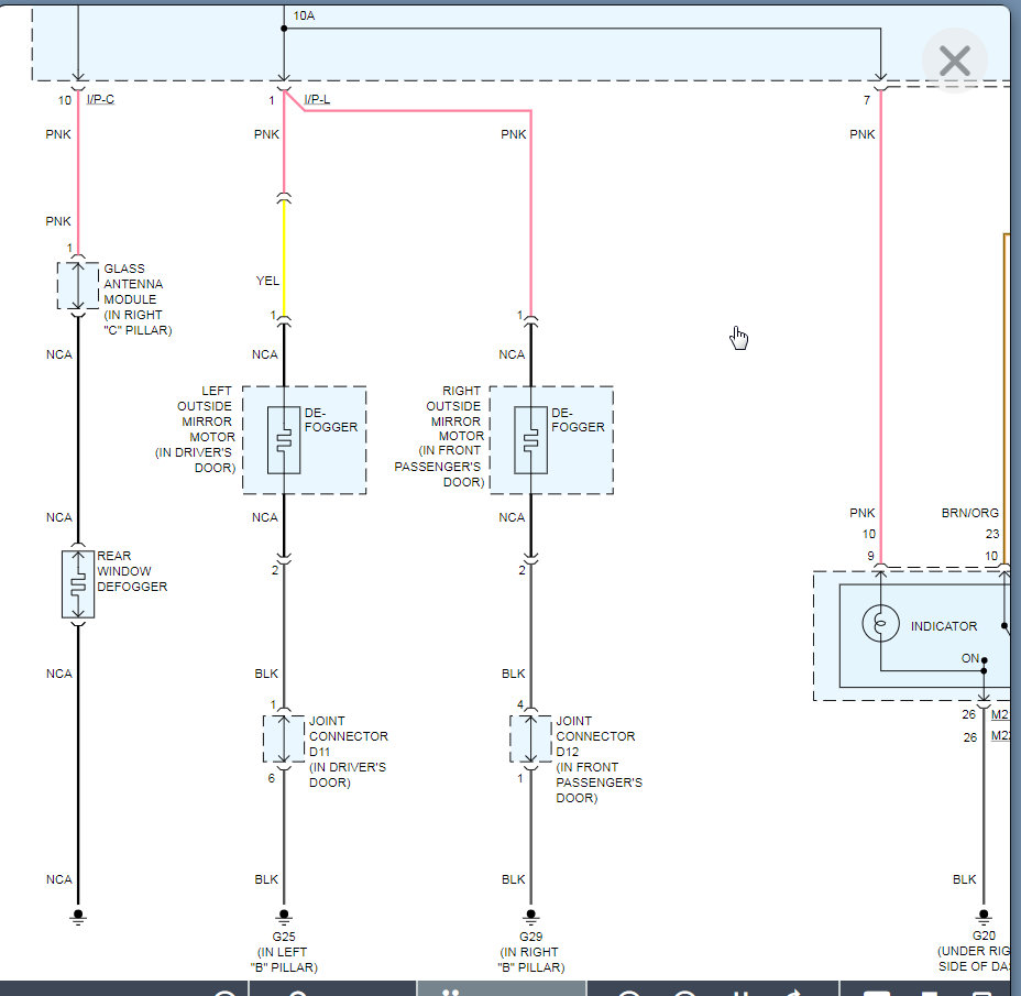
Here is the entire wiring diagram for this system. If the light does not come on then I suspect either the AC control module itself (which is where the light is) or the BCM. However, if the BCM is the issue, I would suspect the light would come on. So we need to measure voltage on the pink wire of the AC module. If you have voltage there then we need to make sure the ground is good as well. If both are good then the module (button) is the issue.

Let me know and we can go from there.
Nov 3, 2019 at 1:45 PM
Advertisement
Avatar
GRANNY PEAVED
  • MEMBER
  • 3 POSTS
Thank you, KASEKENNY1 for your prompt response. I'm just a ole granny not a mechanic and though I'm sure your answer is good and to the point and would probably fix the problem, I feel I need to take collage crash course to navigate my way through it.
Nov 4, 2019 at 1:13 PM
Avatar
KASEKENNY
  • CAR REPAIR CONTRIBUTOR
  • 18,907 POSTS
Understood. I am sorry this one is not an easy answer. Unfortunately this will require some wiring testing unless you want to guess at it. More than likely it is the AC Control module. Please let me know how I can help and I am happy to do it. Thanks
Nov 4, 2019 at 5:27 PM
Avatar
GRANNY PEAVED
  • MEMBER
  • 3 POSTS
Thank you,KASEKENNY1. You helped a lot. It's just me I'm afraid, I'm not too smart when it comes to fixing my car.
Nov 5, 2019 at 11:30 PM
Avatar
STRAILER
  • CAR REPAIR CONTRIBUTOR
  • 54,215 POSTS
KASEKENNY1 is one of our best! Use 2CarPros anytime, we are here to help. Please tell a friend. Please let us know what happens.
Nov 11, 2019 at 6:56 PM