HOME
ASK A QUESTION
REPAIR GUIDES
BECOME A MEMBER
LOG IN
Login with Facebook
OR
Remember me
NOT A MEMBER?
FORGOT PASSWORD?
CONTACT US
PRIVACY POLICY
TERMS AND CONDITIONS
☰
Home
Chevrolet
Cavalier
Body
Rear Window
Defroster
Fuse
Rear defrost and my heater
KIM MOOK
MEMBER
1995 CHEVROLET CAVALIER
2.2L
4 CYL
65,000 MILES
My rear defrost quit working and I checked fuse is good. My heater has only one speed and that is high?
Tuesday, December 10th, 2019 AT 4:01 PM
3 Replies
ASEMASTER6371
MECHANIC
52,796 POSTS
Good morning,
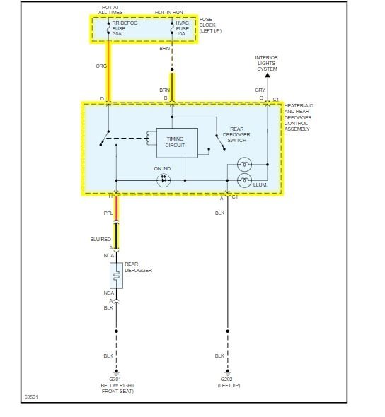
there are 2 fuses for the rear defrost. Verify power to the fuses with a test light or voltmeter. This is not a visual test, it is a voltage test.
https://www.2carpros.com/articles/how-a-car-fuse-works
The blower motor most likely needs the blower resistor to be changed. A very common failure for this issue.
Images (Click to make bigger)
Was this
answer
helpful?
Yes
No
+1
Wednesday, December 11th, 2019 AT 4:45 AM
KIM MOOK
MEMBER
8 POSTS
Thank you so much again. You guys are a blessing for a single mom that needs her car. I will give it a look at. Have a great day.
Was this
answer
helpful?
Yes
No
Wednesday, December 11th, 2019 AT 7:37 AM
ASEMASTER6371
MECHANIC
52,796 POSTS
You are welcome.
Always glad to help.
Roy
Was this
answer
helpful?
Yes
No
+1
Wednesday, December 11th, 2019 AT 8:06 AM
Please
login
or
register
to post a reply.
Related Rear Window Defroster Fuse Content
1997 Chevy Cavalier Rear Window Defroster
Although The Dashboard Light Is On, My Rear Defroster Doesn't Work. I Cleaned The Rear Window And Checked The Electrical Clips (no...
Asked by
albo1
·
1 ANSWER
1997
CHEVROLET CAVALIER
VIDEO
Defroster Fuse Replacement
Instructional repair video
I'm Trying To Get The Rear Window Defroster To Work. I...
I'm Trying To Get The Rear Window Defroster To Work. I Checked The Fuse, It's Ok And There Is Juice There. The Light Comes On When The...
Asked by
bensjets
·
5 ANSWERS
2002
CHEVROLET CAVALIER
2002 Chevy Cavalier Rear Window Defogger
Electrical Problem 2002 Chevy Cavalier 4 Cyl Front Wheel Drive Automatic The Rear Window Defogger Quit Working. The Fuse Is Good And...
Asked by
roadrunner118
·
2 ANSWERS
2002
CHEVROLET CAVALIER
2000 Chevy Cavalier Rear Window Defogger
Electrical Problem 2000 Chevy Cavalier 4 Cyl Front Wheel Drive Automatic Yes I've Got A 200 Chev Cavalier And The Rear Window Defogger...
Asked by
wrenchhead
·
9 ANSWERS
2000
CHEVROLET CAVALIER
2001 Chevy Cavalier
The Heater Was Giving Off A Horrid Smell (a Burning) Then The Blower Motor Wouldn't Shut Off When The Car Was Off - We Turned The Switch To...
Asked by
summer77
·
1 ANSWER
2001
CHEVROLET CAVALIER
VIEW MORE
Ask a Car Question. It's Free!
Rear Defroster Fuse Replacement All Cars
How to Use a Test Light