Rear blinker not working properly

Tiny
DANLABAY
  • MEMBER
  • 2004 FORD MUSTANG
  • 4.6L
  • V8
  • 2WD
  • AUTOMATIC
  • 112,000 MILES
Only 1 of 3 bulbs is blinking on my passenger rear side blinker. I have already changed the bulbs still same problem. What can be the problem?
Thursday, June 20th, 2019 AT 10:42 PM

1 Reply

Tiny
KENW1
  • MECHANIC
  • 213 POSTS
Thanks for visiting 2CarPros.

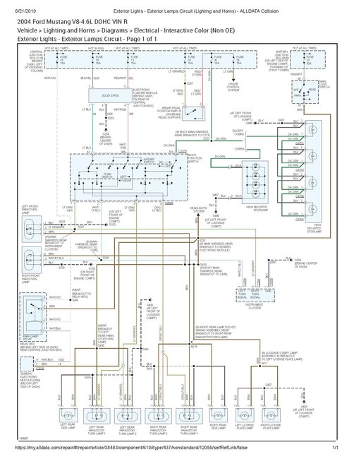
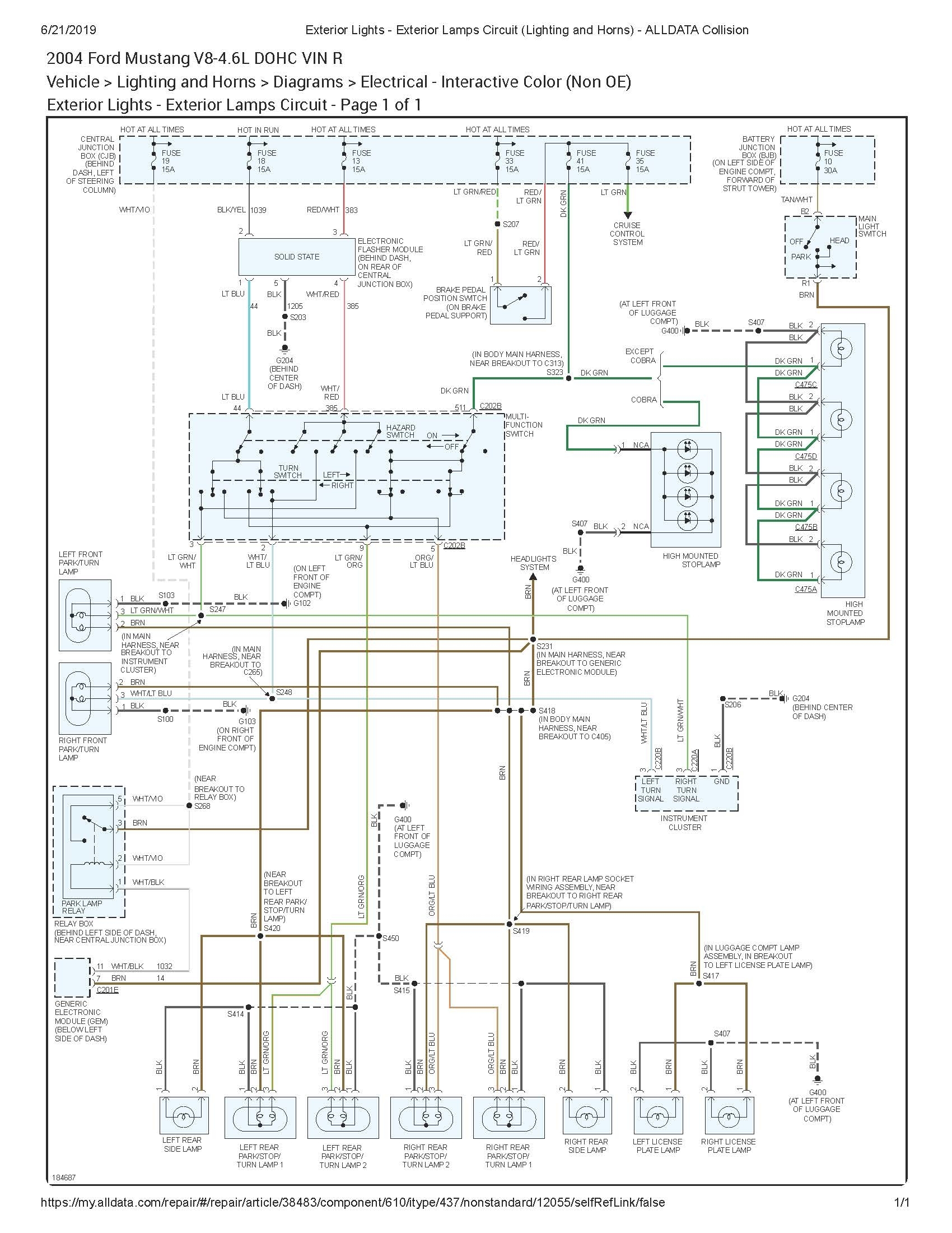
These light share power and ground at splices. I suggest checking the wiring before the socket with a volt meter to see if there is 12 volts with the signal on. If there is then check continuity to ground by using the positive probe for the orange and light blue wire and negative probe to the black wire at each socket. If it works when you do this and use a goo chassis ground for negative probe but not with the black wire it's a ground issue.

If voltage is not present on the orange and light blue wire check the splice that is near the bulb wiring. It's not uncommon for solder joints to break here.

I'll post the wiring diagram below. If I can help further just reply back.
Was this
answer
helpful?
Yes
No
Friday, June 21st, 2019 AT 8:43 PM

Please login or register to post a reply.