Rear A/C blower motor model number needed

Tiny
BRENTULRICH88
  • MEMBER
  • 2003 DODGE CARAVAN
  • 3.3L
  • V6
  • 2WD
  • AUTOMATIC
  • 182,000 MILES
Hello,

I am needing an A/C blower motor for my van. Would you be able to help out with model number? I notice there are many different kinds. Not sure if it matters or if I should first take apart the panels and just see what model# is currently in the van. TIA
Monday, July 27th, 2020 AT 7:48 AM

3 Replies

Tiny
JACOBANDNICKOLAS
  • MECHANIC
  • 110,194 POSTS
Hi,

The original part number from Chrysler is 5019185AA. However, if you are getting one from a parts store, the numbers will likely be different.

__________________________________________________

Here are directions for removal and replacement. The attached pic correlates with the directions.

2003 Dodge or Ram Truck Caravan V6-3.3L VIN R
Rear Blower Motor
Vehicle Heating and Air Conditioning Blower Motor Service and Repair Removal and Replacement Rear Blower Motor
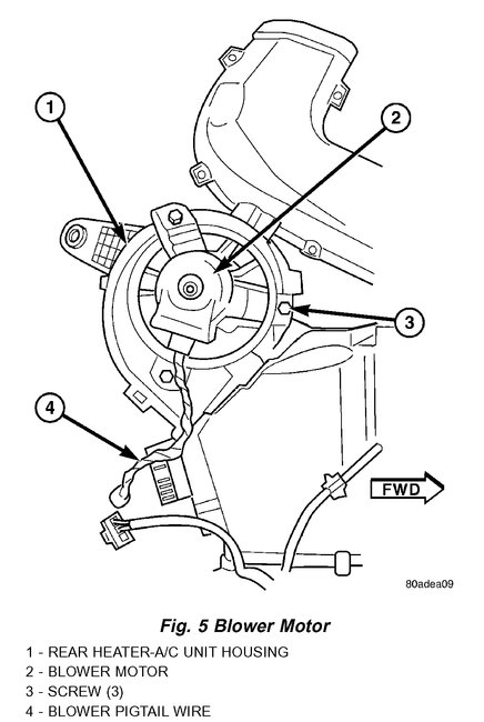
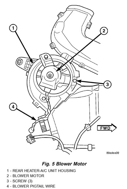
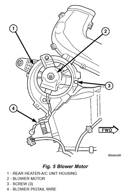
REAR BLOWER MOTOR
REMOVAL
The rear blower motor and blower wheel are serviced only as a balanced unit. If either component is faulty or damaged, the entire unit must be replaced.

WARNING: REFER TO THE APPLICABLE WARNINGS AND CAUTIONS FOR THIS SYSTEM BEFORE PERFORMING THE FOLLOWING OPERATION.

1. Remove the rear heater-A/C unit housing from the vehicle. Refer to: "Housing Assembly HVAC : Service and Repair" See: Housing Assembly HVAC > Service and Repair

2. Disconnect the rear blower motor pigtail wire connector. With manual temperature control, the blower pigtail wire is connected to a take out and connector of the rear HVAC wire harness. With automatic temperature control, the blower pigtail wire is connected to a receptacle on the blower power module.

Fig.5 Blower Motor

pic 1

3. Remove the three screws that secure the blower motor to the outboard side of the rear heater- A/C unit housing.
4. Remove the blower motor and blower wheel from the rear heater-A/C unit housing.

INSTALLATION
1. Position the blower motor and blower wheel onto the outboard side of the rear heater-A/C unit housing.
2. Install and tighten the three screws that secure the blower motor to the rear heater-A/C unit housing. Tighten the screws to 2 Nm (18 in. Lbs.).
3. Reconnect the rear blower motor pigtail wire connector. With manual temperature control, the blower pigtail wire is connected to a take out and connector of the rear HVAC wire harness. With automatic temperature control, the blower pigtail wire is connected to a receptacle on the blower power module.
4. Reinstall the rear heater-A/C unit housing into the vehicle. Refer to: "Housing Assembly HVAC : Service and Repair" See: Housing Assembly HVAC > Service and Repair

________________________

Let me know if this helps or if you have other questions.

Take care,
Joe
Was this
answer
helpful?
Yes
No
Monday, July 27th, 2020 AT 9:16 AM
Tiny
BRENTULRICH88
  • MEMBER
  • 38 POSTS
Tiny
JACOBANDNICKOLAS
  • MECHANIC
  • 110,194 POSTS
Hi,

According to the description, yes it should fit. Please keep in mind online purchases like this can be a headache simply because if it doesn't fit, you need to send it back and wait for a different one.

Please let me know if you need help or have other questions.

Take care,

Joe
Was this
answer
helpful?
Yes
No
Monday, July 27th, 2020 AT 8:06 PM

Please login or register to post a reply.