Relearn Procedure cleaning throttle body electronic or when disconnecting battery?

Tiny
DANNY68!
  • MEMBER
  • 2003 TOYOTA CAMRY
  • 3.0L
  • 6 CYL
  • 2WD
  • AUTOMATIC
  • 135,000 MILES
Is there a true relearn or reset for my car after doing things like cleaning throttle body electronic or when disconnecting battery? If so, please explain for a dummy? Say I cleaned my ETB a few months ago and didn't do an idle relearn and my RPMs at startup has been high. Has my idle memory been lost and can I get it back even though it has been months? Also, the last couple days right after startup I'm hearing a humming/buzzing noise with a metallic rattle coming from the TB area. Please help.
Monday, December 2nd, 2024 AT 6:43 PM

6 Replies

Tiny
KEN L
  • MASTER CERTIFIED MECHANIC
  • 55,322 POSTS
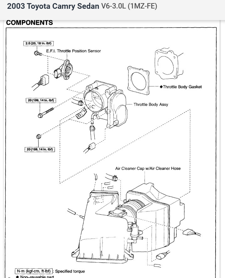
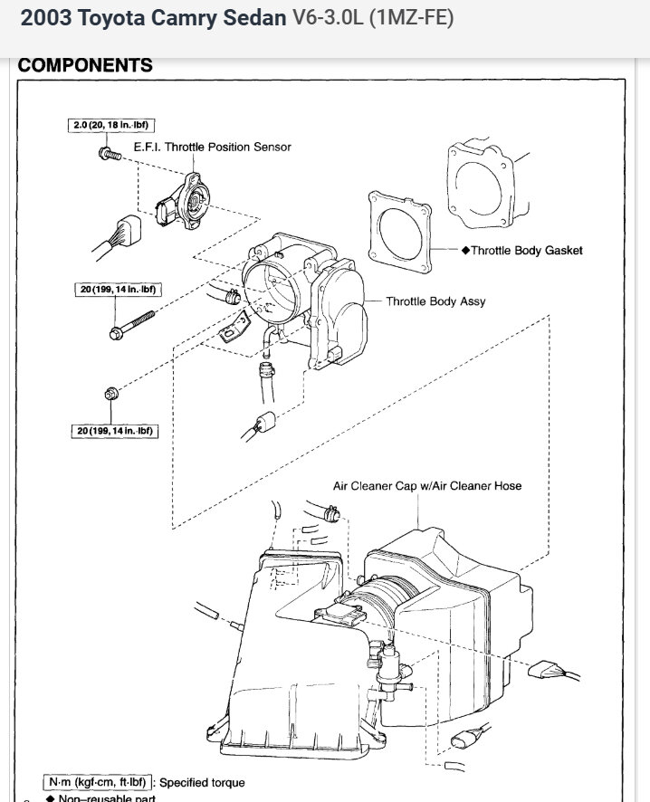
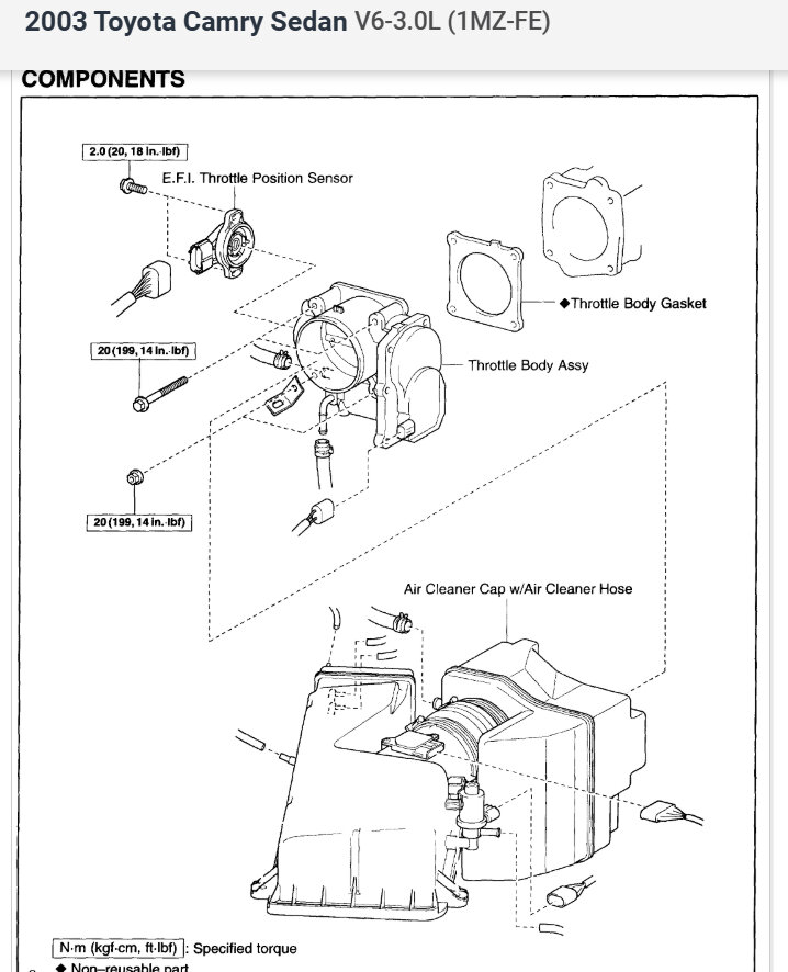
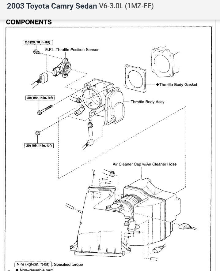
The noise is a bad sign and could mean the throttle body needs to be replaced, you do not need to do a relearn when the battery or the throttle body is replaced but there is a TPS set up procedure, here is how the job is done once the throttle body is replaced.

D. Connect the throttle position sensor connector.
E. Connect the hand-held tester or OBD II scan tool to the DLC3.
F. Turn the ignition switch ON.

NOTE: After turning the ignition switch ON, do not depress the accelerator pedal.

G. While reading the valve of the throttle valve opening percentage (THROTTLE POS) of the CURRENT DATA, turn the throttle position sensor slowly to left and right and set the sensor at the center value of the standard value, and then tighten the screws.

Standard throttle valve opening percentage: 16.8 - 18.4 %

Torque: 2.0 N.M (20 kgf. Cm, 18 in. Lbf)

NOTE: After turning the ignition switch ON, do not depress the accelerator pedal.

H. Recheck throttle valve opening percentage.

If the throttle valve opening percentage is not as specified, repeat step (g).

I. Perform fully closed throttle valve by hand and check that the valve of the throttle valve opening percentage (THROTTLE POS) of the CURRENT DATA stays with the standard value.

Standard throttle valve opening percentage: 10 - 14 %

If the throttle valve opening percentage is not as specified, repeat step (g) to (i).

J. Paint the 2 set screws.
K. Turn the ignition switch OFF.
L. Disconnect the hand-held tester or OBD II scan tool from the DLC3.
M. Disconnect the throttle position sensor connector.

7. INSTALL THROTTLE BODY ASSY
a. Install a new gasket and the throttle body.

Torque: 20 N.M (199 kgf. Cm, 14 ft. Lbf)

8. INSTALL FRONT SUSPENSION UPPER BRACE CENTER (W/ FRONT SUSPENSION BRACE UPPER CENTER)

Torque: 80 N.M (816 kgf. Cm, 59 ft. Lbf)

Check out the images (below). Let us know if you need anything else.
Was this
answer
helpful?
Yes
No
Tuesday, December 3rd, 2024 AT 10:39 AM
Tiny
DANNY68!
  • MEMBER
  • 9 POSTS
Mine is an electronic throttle body so it doesn't have an exterior TPS? Maybe I'm misunderstanding sorry if so.
Was this
answer
helpful?
Yes
No
Tuesday, December 3rd, 2024 AT 1:25 PM
Tiny
KEN L
  • MASTER CERTIFIED MECHANIC
  • 55,322 POSTS
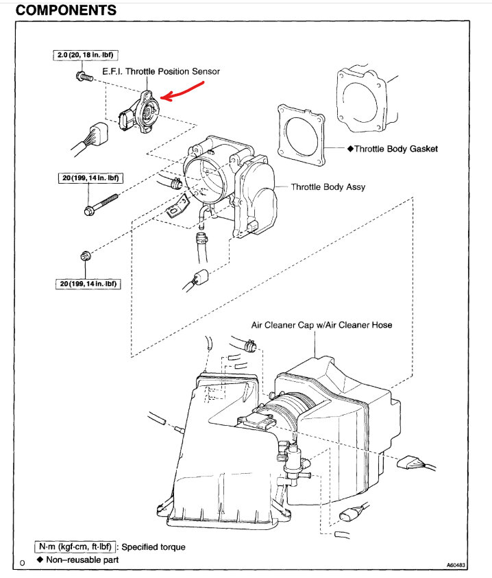
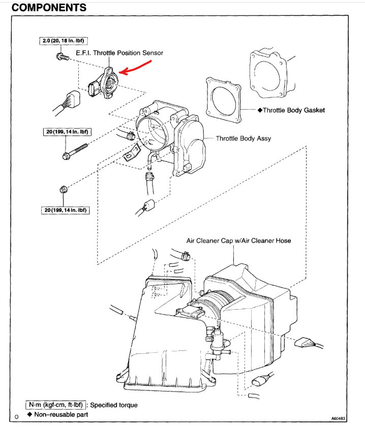
Yes, it is, did you look at the image above? It shows the TPS sensor.
Was this
answer
helpful?
Yes
No
Wednesday, December 4th, 2024 AT 9:48 AM
Tiny
DANNY68!
  • MEMBER
  • 9 POSTS
Wow, I've looked several times and still do not see the TPS on my car. And when I check online at Toyota dealerships everyone says unavailable. This could it be my problem all along? I wish now I wouldn't have even attempted to clean the Throttle body in the first place, especially when it wasn't even dirty. I'm supposing when I cleaned the throttle body, I could have messed up the TPS sensor by opening the butterfly by hand. Or maybe it just went bad, I do not know.
Was this
answer
helpful?
Yes
No
Wednesday, December 4th, 2024 AT 10:26 AM
Tiny
DANNY68!
  • MEMBER
  • 9 POSTS
Does this make any sense? I called the closest Toyota dealership and asked about a TPS for my car, and he said that the 2004 isn't showing a TPS and since I can't find the TPS on my 03 that my car could have been produced in late 03 and possibly doesn't have an exterior TPS. I'm not good with computers and I Cannot find any information or videos on my car other than what you provided. Would you help me verify if I leave you my vin 4T1BF30K83U060515 maybe this will help determine if I'm just blind or I need to seek professional people like yourself to do work.
Was this
answer
helpful?
Yes
No
Wednesday, December 4th, 2024 AT 11:35 AM
Tiny
KEN L
  • MASTER CERTIFIED MECHANIC
  • 55,322 POSTS
This is for your VIN number, can you upload an image of where the TPS is suppose to be?
Check out the images (below).
Was this
answer
helpful?
Yes
No
Thursday, December 5th, 2024 AT 11:43 AM

Please login or register to post a reply.