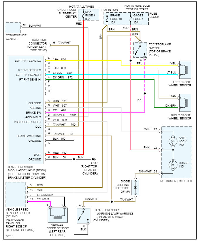
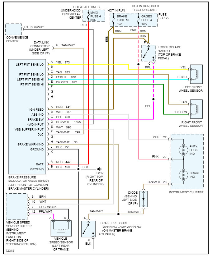
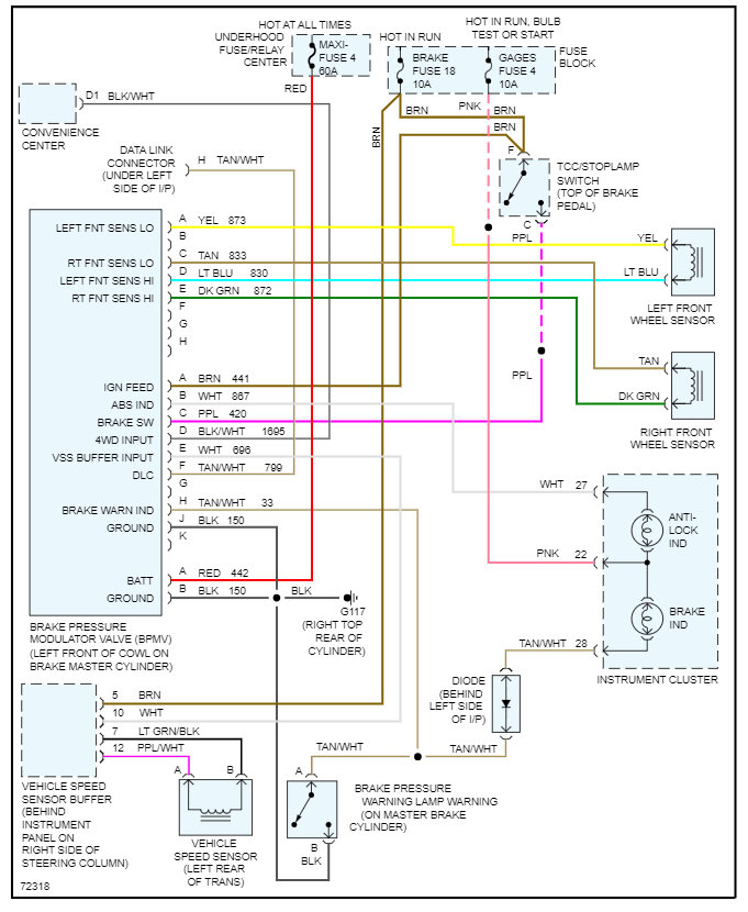
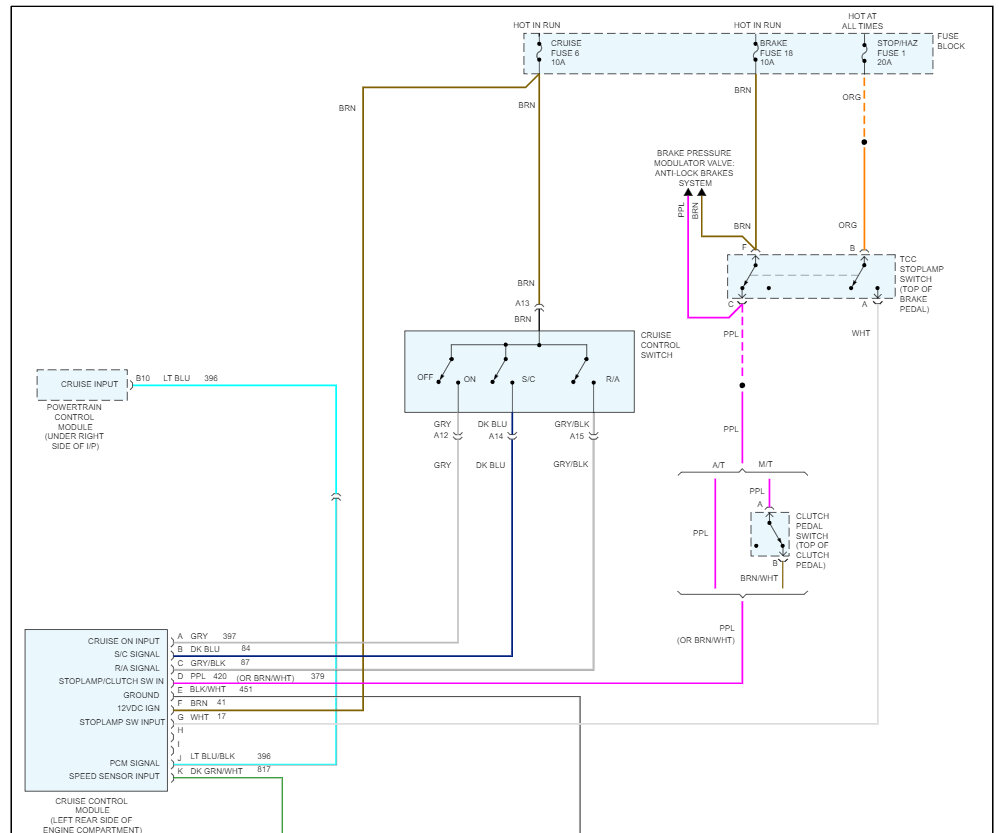
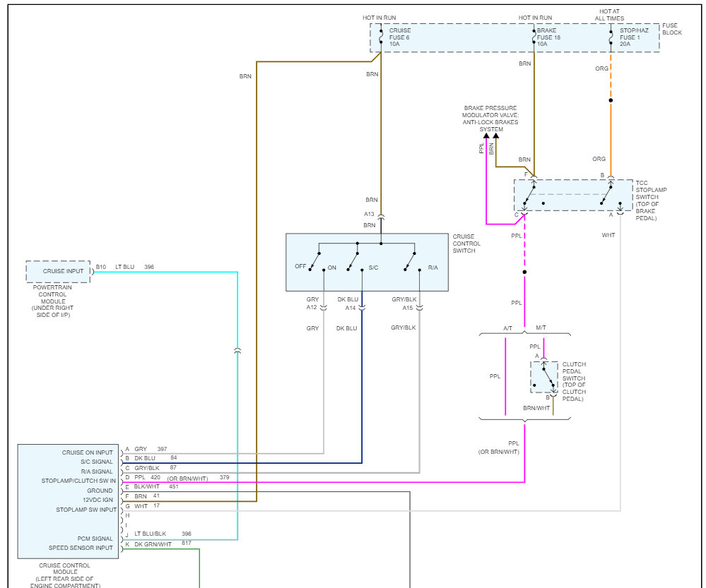
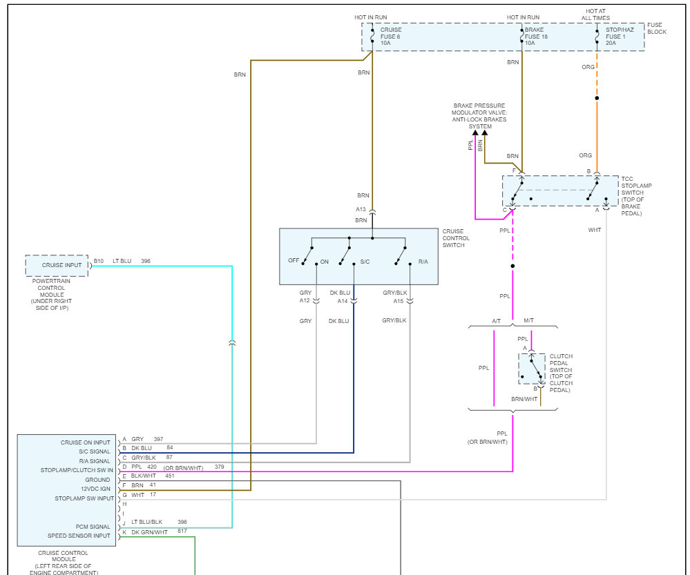
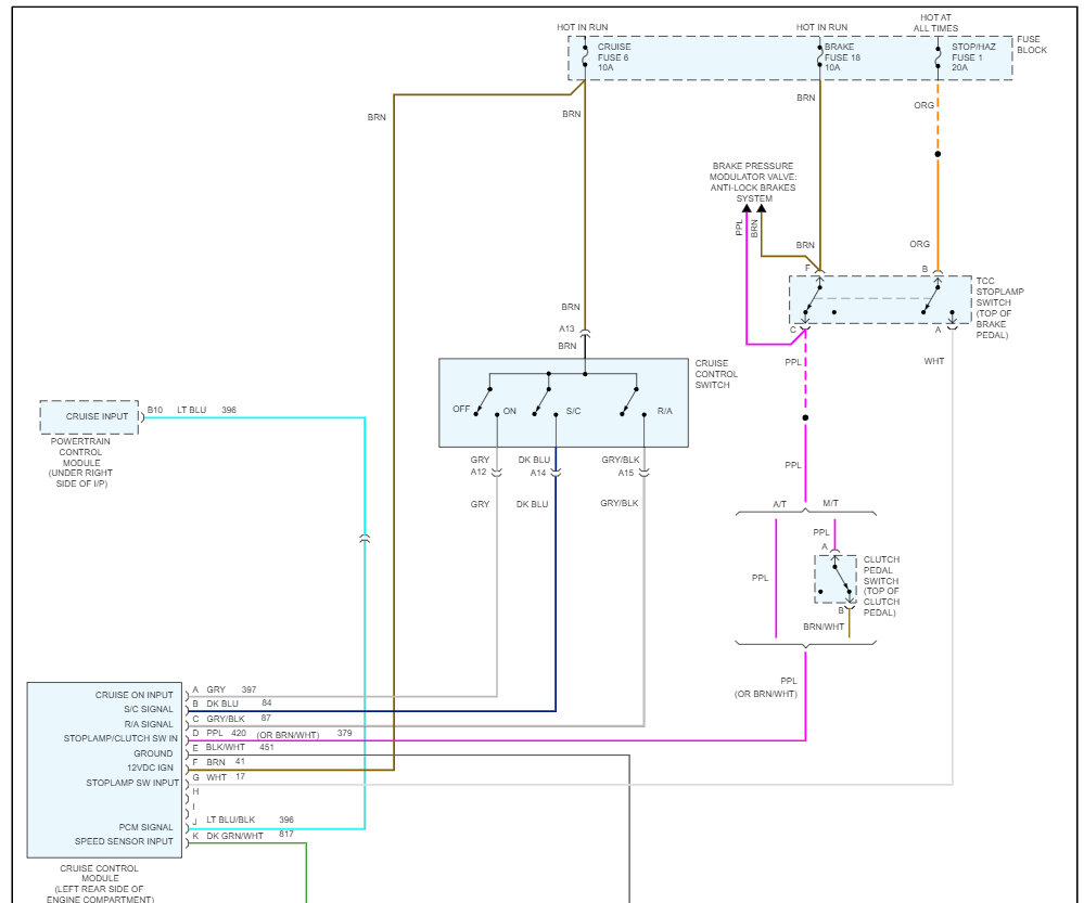
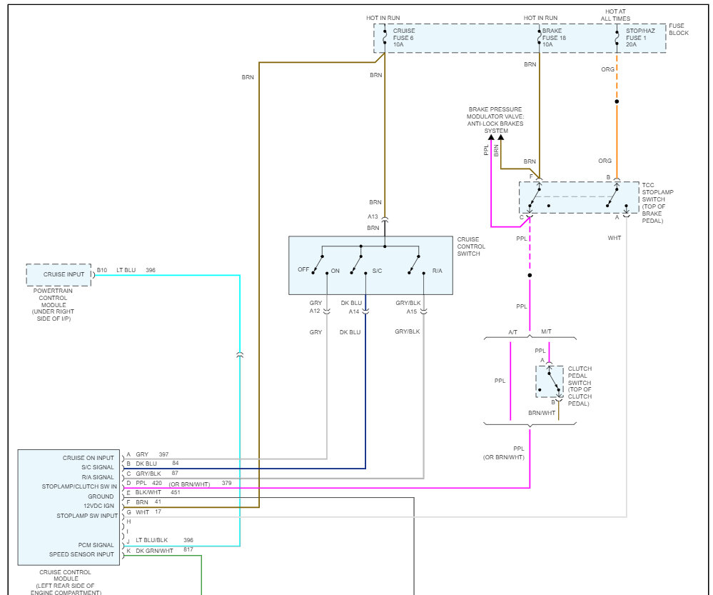
Wednesday, September 6th, 2023 AT 10:19 AM
I recently did an engine swap in my truck listed above Silverado. The engine we put in is out of a 2004 Tahoe. Since the new engine has a different computer, the original system has been disconnected. Now what do I need to do to get the ABS system back to functioning?









