Super Charger oil change

Tiny
CMZANNN
  • MEMBER
  • 1998 BUICK PARK AVENUE
  • 3.8L
  • V6
  • 2WD
  • AUTOMATIC
  • 1,670,000 MILES
Leaking water not sure where from. It does not get hot, not a lot. How do I change oil in super charger? Squealing noise when start up. After hour or so quiets down. Do not think oil has ever been changed. Help best site on the web.
Friday, December 21st, 2018 AT 10:41 AM

3 Replies

Tiny
ASEMASTER6371
  • MECHANIC
  • 52,796 POSTS
Good afternoon.

You need to do a pressure test for the coolant leak. you can rent one at a parts store. that will pinpoint your exact leak.

https://www.2carpros.com/articles/radiator-pressure-test

I am concerned about the super charger. the fact that it is squealing already tells me the damage has already been done. changing the oil may or may not help.

What I do for the oil is to remove the supercharger and drain out the oil. I then clean out the well and then add the new oil. it takes time but worth it to keep it last much longer.

Roy

procedure

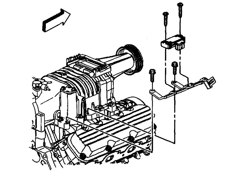
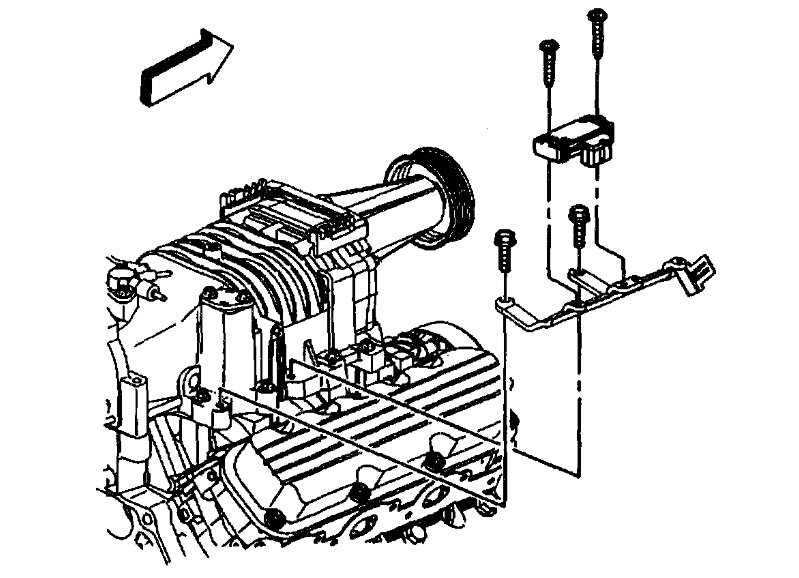
1. Remove the vacuum line from the fuel injector rail.
2. Remove the fuel injector rail nuts and stud.
3. Remove the fuel injector rail.

imageOpen In New TabZoom/Print

4. Remove the booster bypass nut and hose.
5. Remove the booster bypass.
6. Remove the regulator valve and the harness bolt.
7. Remove the boost solenoid bolts and hose.
8. Remove the bolts from the vacuum block.

imageOpen In New TabZoom/Print

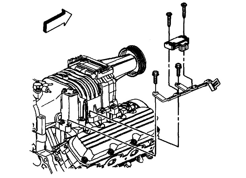
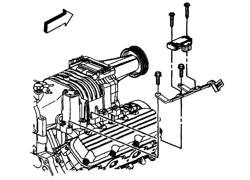
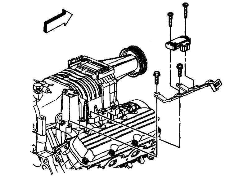
9. Remove the engine wiring harness heat shield bolt and nut.
10. Remove the engine wiring harness heat shield.

imageOpen In New TabZoom/Print

11. Remove the MAP sensor bracket bolts and hose.
12. Remove the MAP sensor bracket.

Important: Note the location of the spacers and the bolt sizes to aid in installation.

imageOpen In New TabZoom/Print

13. Remove the TBI nuts.
14. Remove the TBI and gasket.

imageOpen In New TabZoom/Print

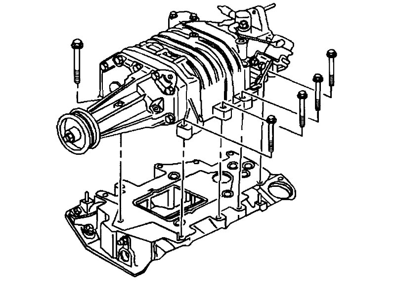
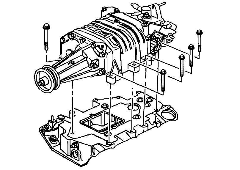
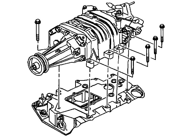
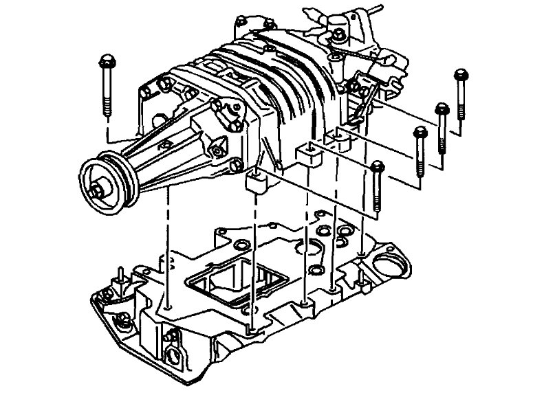
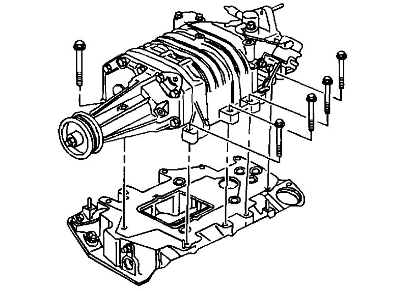
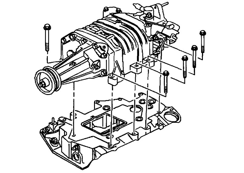
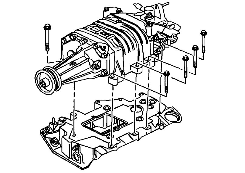
15. Remove the bolts, spacers, and the stud from the supercharger.
16. Remove the supercharger.

imageOpen In New TabZoom/Print

17. Remove the supercharger gasket.
Was this
answer
helpful?
Yes
No
Friday, December 21st, 2018 AT 1:46 PM
Tiny
CMZANNN
  • MEMBER
  • 84 POSTS
Roy, my bad squealing seems to be coming from alternator pulley area wd40 shuts it up immediately. Loose tensioner? Seems to keep around 12-13 volts coupler on sc? I am sure sc oil not service at least 60,000. I just changed crankcase oil filter.
Was this
answer
helpful?
Yes
No
Monday, December 24th, 2018 AT 8:44 AM
Tiny
ASEMASTER6371
  • MECHANIC
  • 52,796 POSTS
If you sprayed the belt and the noise went away, it is a good chance it is the belt. The metal ribs may be showing and the metal ribs against the pulleys will cause the squealing.

If it is the supercharger, then the front bearing is bad and needs to be replaced.

Roy
Was this
answer
helpful?
Yes
No
Monday, December 24th, 2018 AT 8:58 AM

Please login or register to post a reply.