HOME
ASK A QUESTION
REPAIR GUIDES
BECOME A MEMBER
LOG IN
Login with Facebook
OR
Remember me
NOT A MEMBER?
FORGOT PASSWORD?
CONTACT US
PRIVACY POLICY
TERMS AND CONDITIONS
☰
Home
GMC
Terrain
Interior
Seat
Driver's seat will not raise
YOLANDE PANDA ANN
MEMBER
2012 GMC TERRAIN
1.4L
4 CYL
143,000 MILES
Cannot get the driver side seat raised.
Saturday, May 9th, 2020 AT 4:00 PM
1 Reply
JACOBANDNICKOLAS
MECHANIC
110,192 POSTS
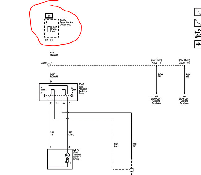
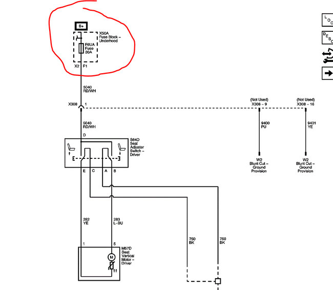
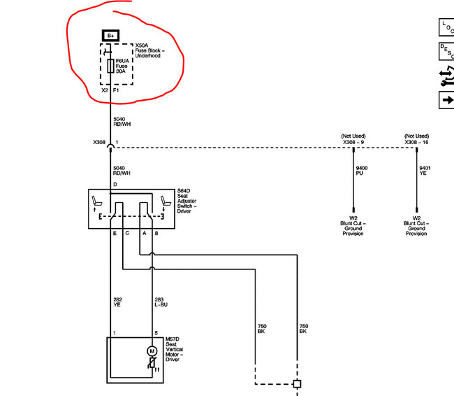
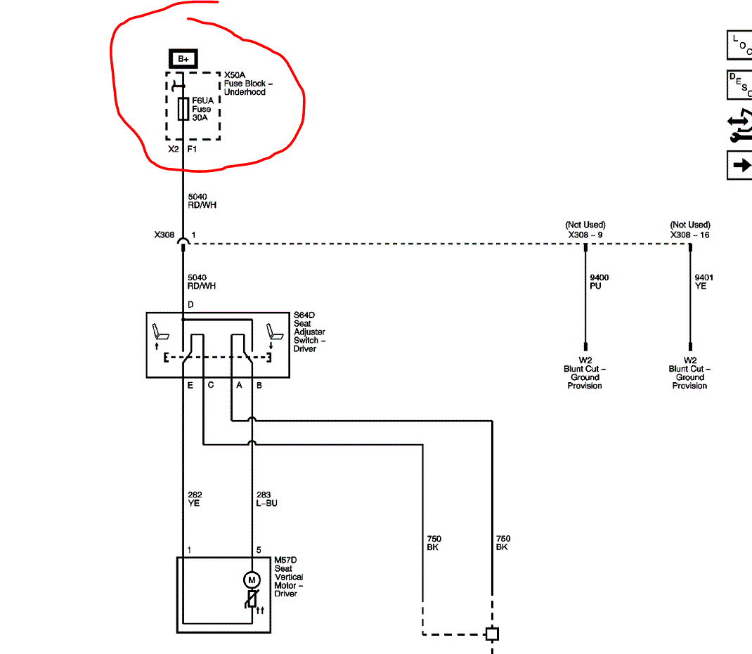
Hi,
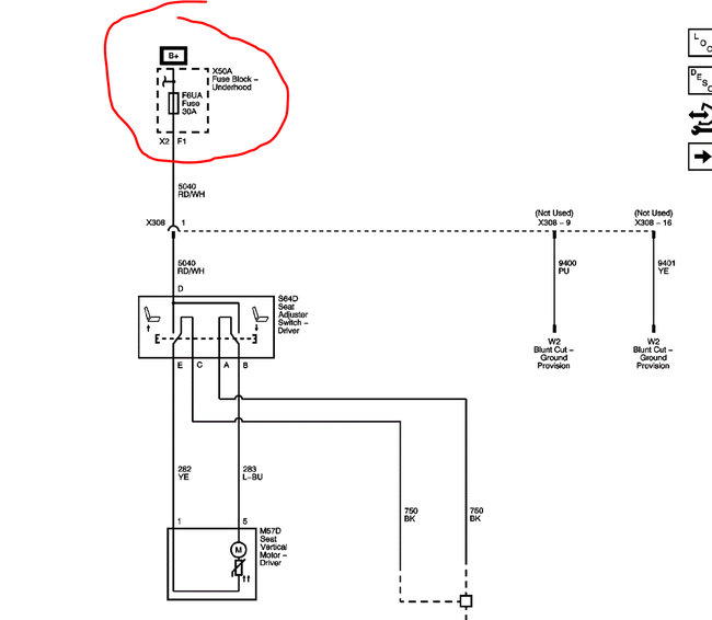
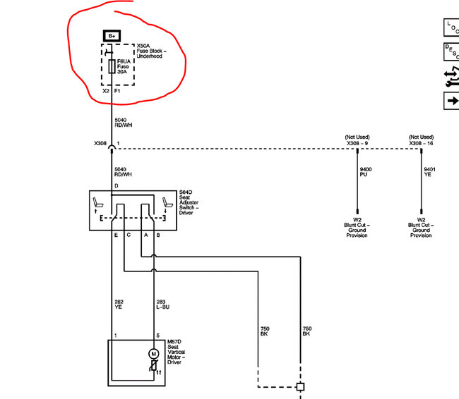
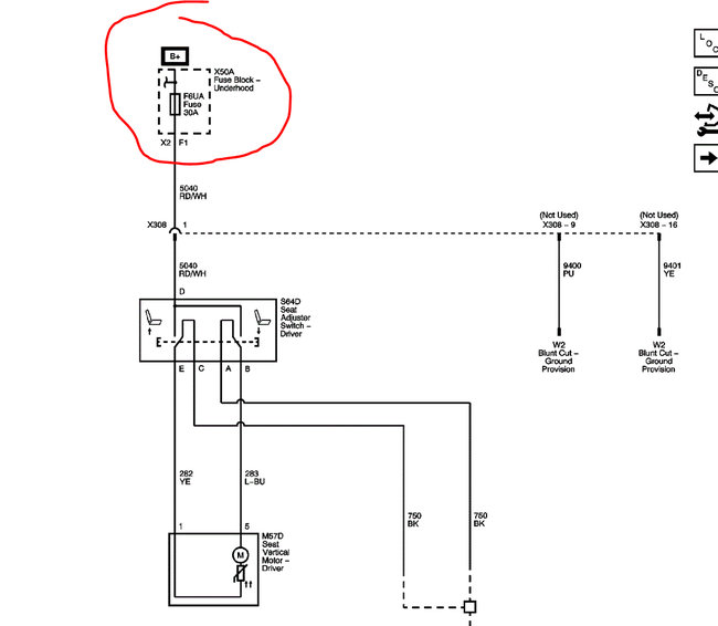
The first thing I need you to check is a 30 amp fuse in the under hood fuse box. See the attached pic. This fuse powers the up/down movement of the seat.
Let me know what you find.
Joe
Image (Click to make bigger)
Was this
answer
helpful?
Yes
No
Saturday, May 9th, 2020 AT 9:49 PM
Please
login
or
register
to post a reply.
Ask a Car Question. It's Free!
Seat Switch Replacement
Seat Switch Replacement
How to Use a Test Light