Radio wiring diagram needed

Tiny
ALEXIS LóPEZ
  • MEMBER
  • 2001 CHRYSLER SEBRING
  • V6
  • 2WD
  • AUTOMATIC
  • 107,770 MILES
I have the car listed above convertible lxi and I'm trying to find the right wiring diagram but I can't find the right one. Is there any one that knows the exact wiring for this car?
Monday, November 25th, 2019 AT 3:56 AM

7 Replies

Tiny
CARADIODOC
  • MECHANIC
  • 34,485 POSTS
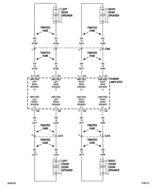
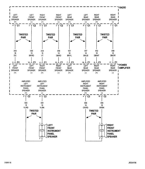
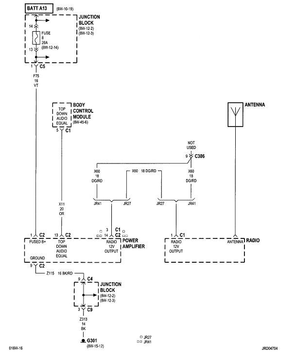
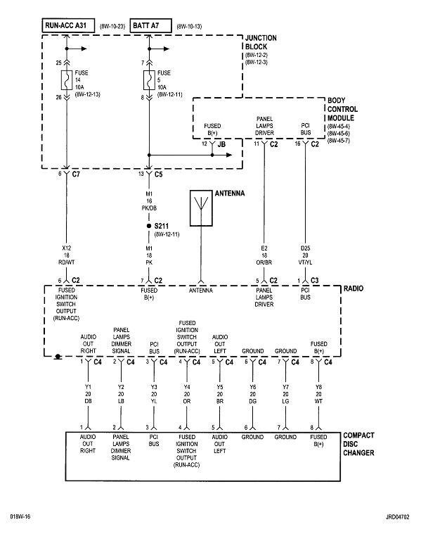
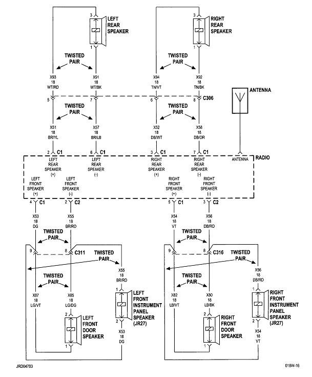
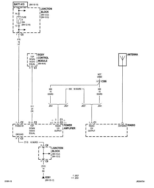
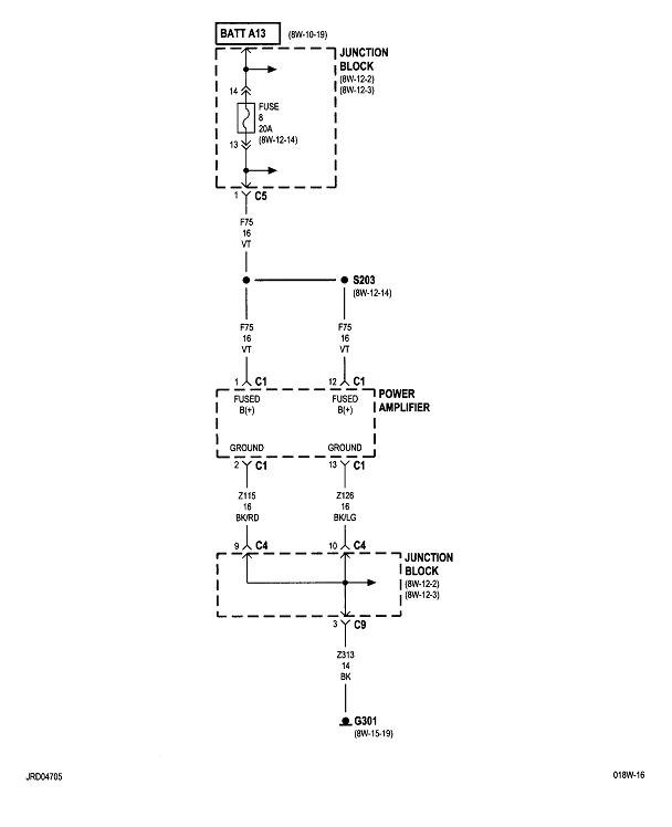
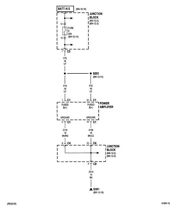
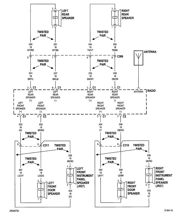
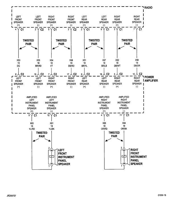
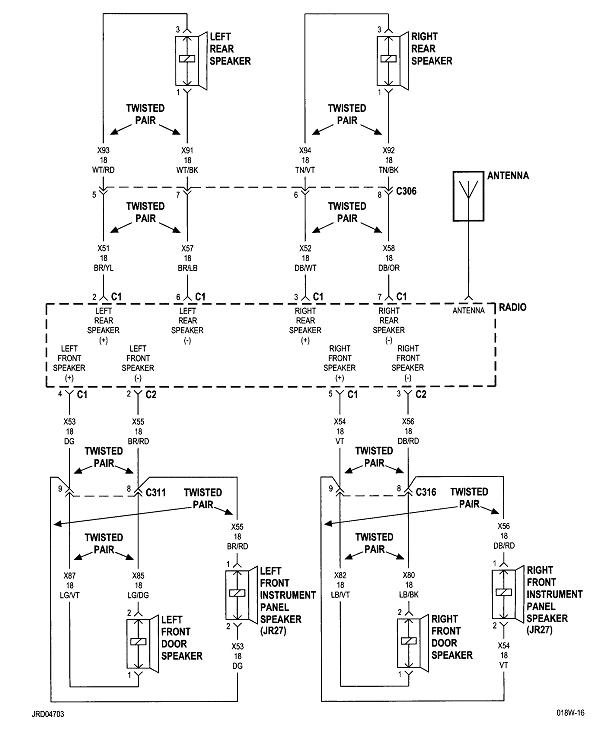
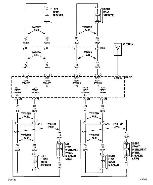
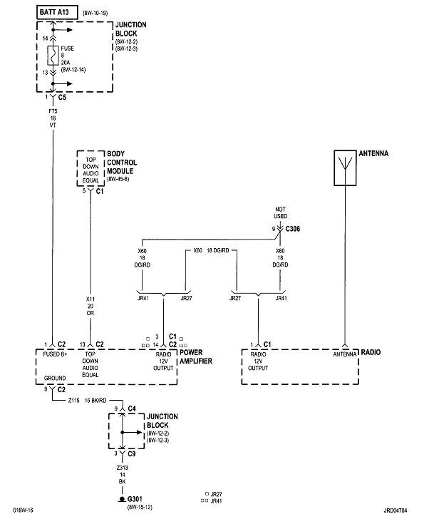
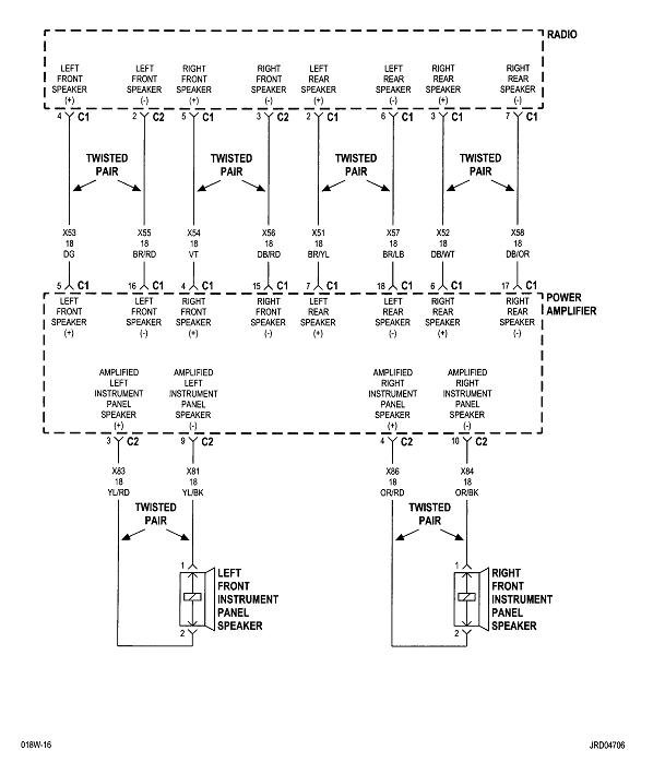
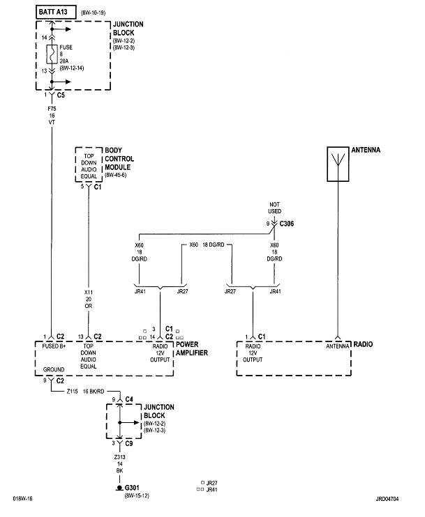
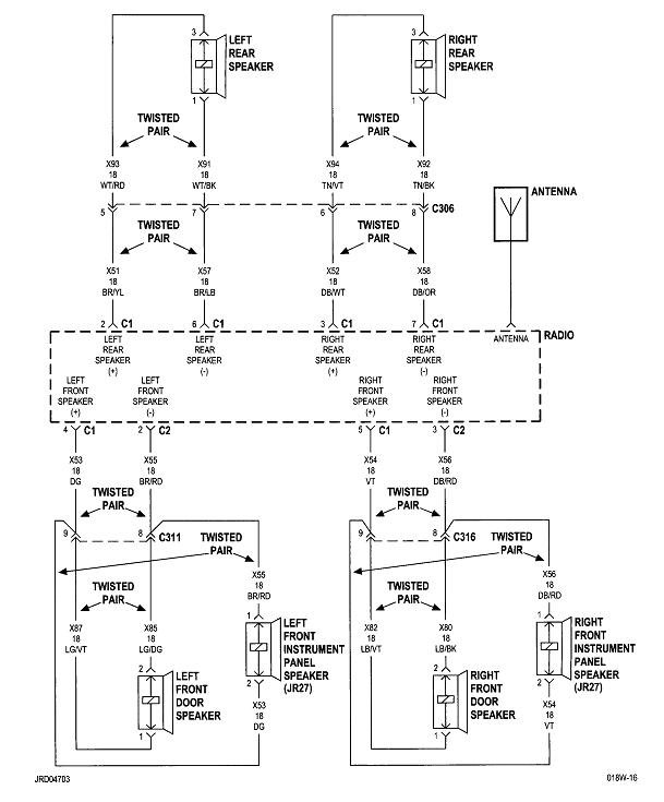
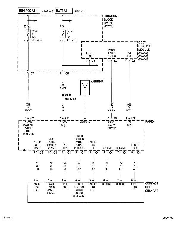
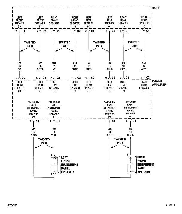
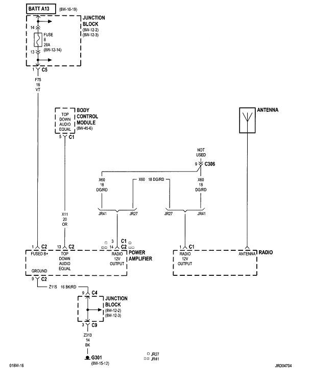
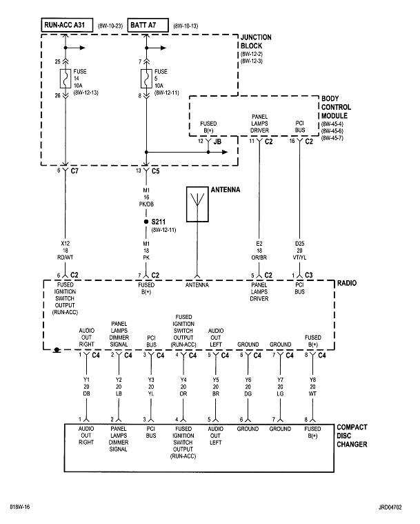
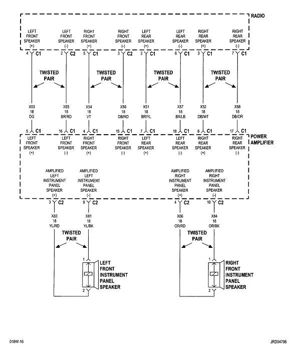
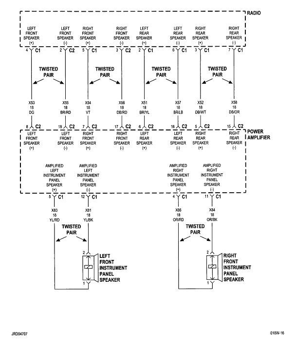
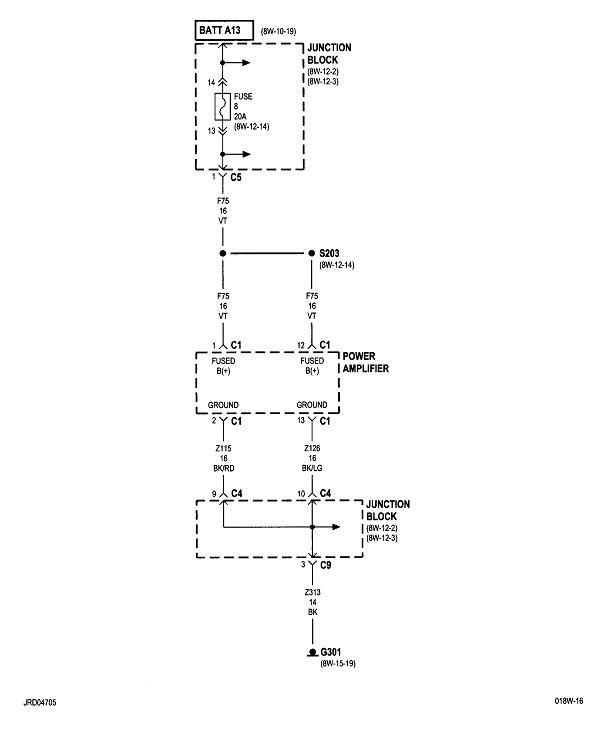
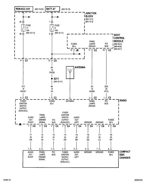
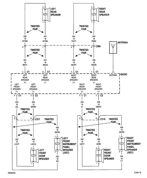
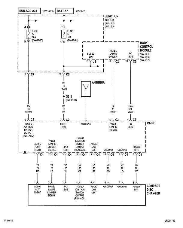
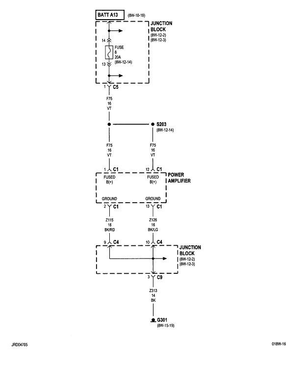
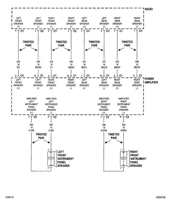
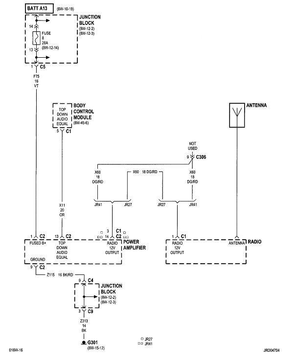
There's three versions for this system. I need to know what you're trying to do or solve if it involves the connectors. The first drawing is one I developed and have been handing out at car show swap meets for many years. The last one is from the online service manual. The two do not agree, so I have to figure out which one is wrong.

Also, don't get hung up on the wire colors. Those on your car could be different than those shown in the first drawing. Go by the locations in the plugs, and the colors shown in the diagrams. These diagrams are specific to your year and model.
Was this
answer
helpful?
Yes
No
+2
Monday, November 25th, 2019 AT 4:32 PM
Tiny
DANNY L
  • MECHANIC
  • 5,648 POSTS
Hello, I'm Danny.

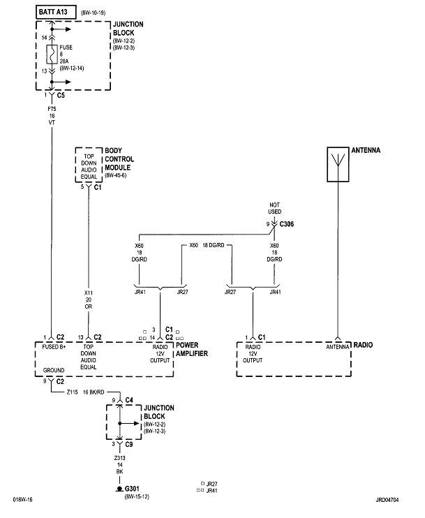
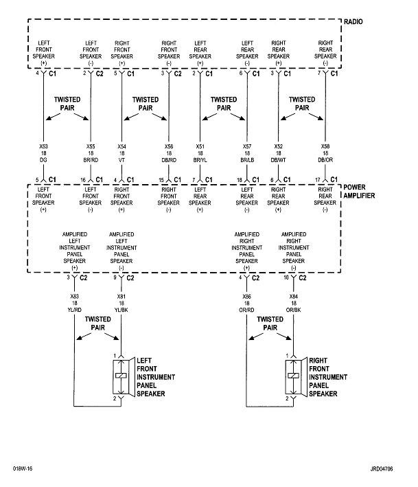
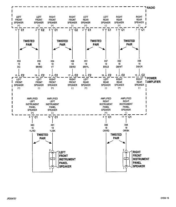
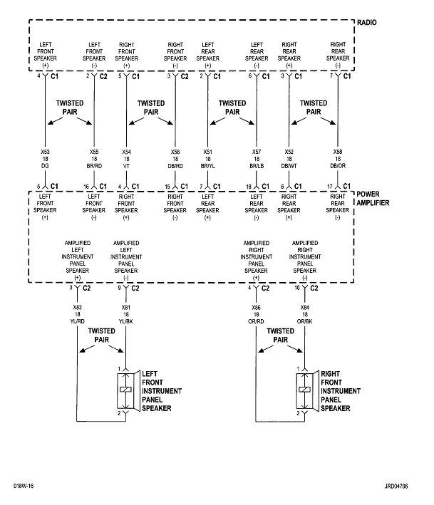
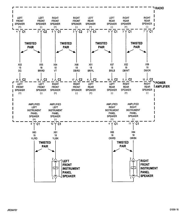
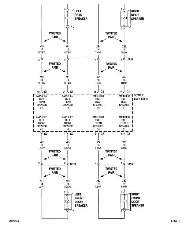
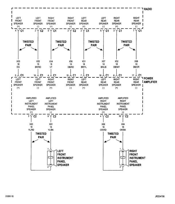
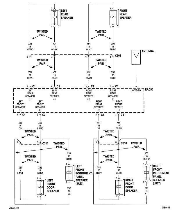
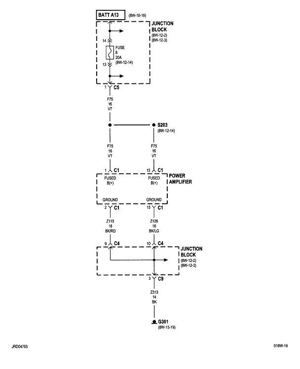
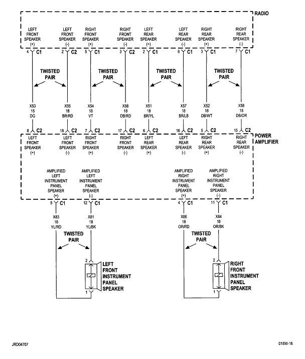
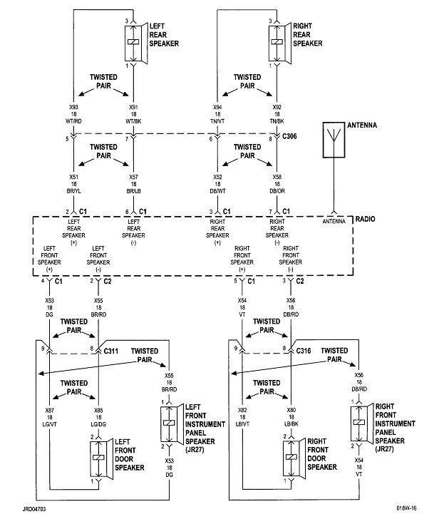
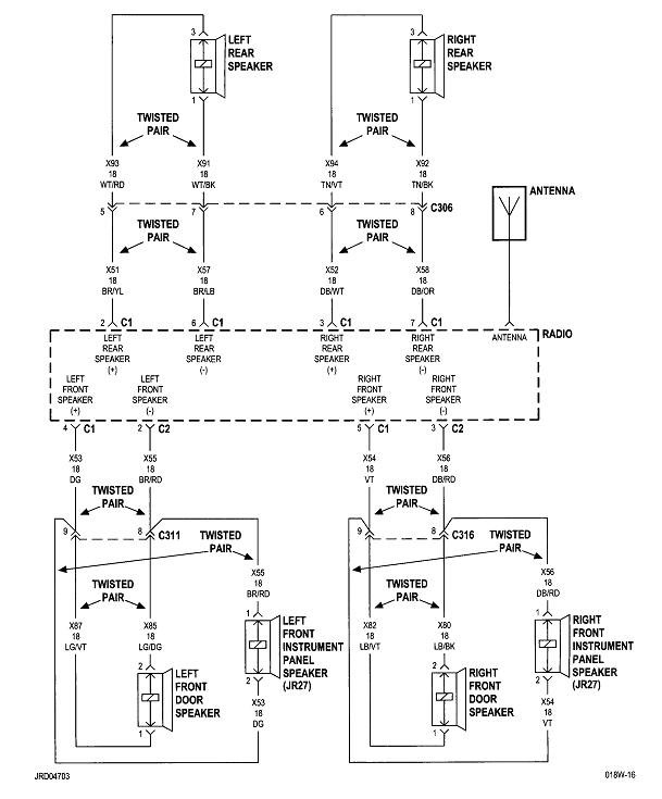
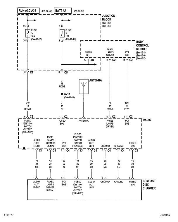
Here is the radio wiring diagram you requested. I've cut the pictures into 2 pieces to blow them up a little larger. The first two pictures are for the base model radio. The second two pictures are the premium model. Hope this helps and thanks for using 2CarPros.
Was this
answer
helpful?
Yes
No
+1
Monday, November 25th, 2019 AT 4:36 PM
Tiny
ALEXIS LóPEZ
  • MEMBER
  • 6 POSTS
Thanks guys, I'm trying to upgrade my car radio, that's why I'm looking for the right diagram. I was trying some diagrams that I found in the internet but it just didn't match the colors. I'll try with these. Thanks
Was this
answer
helpful?
Yes
No
Monday, November 25th, 2019 AT 4:52 PM
Tiny
CARADIODOC
  • MECHANIC
  • 34,485 POSTS
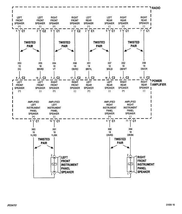
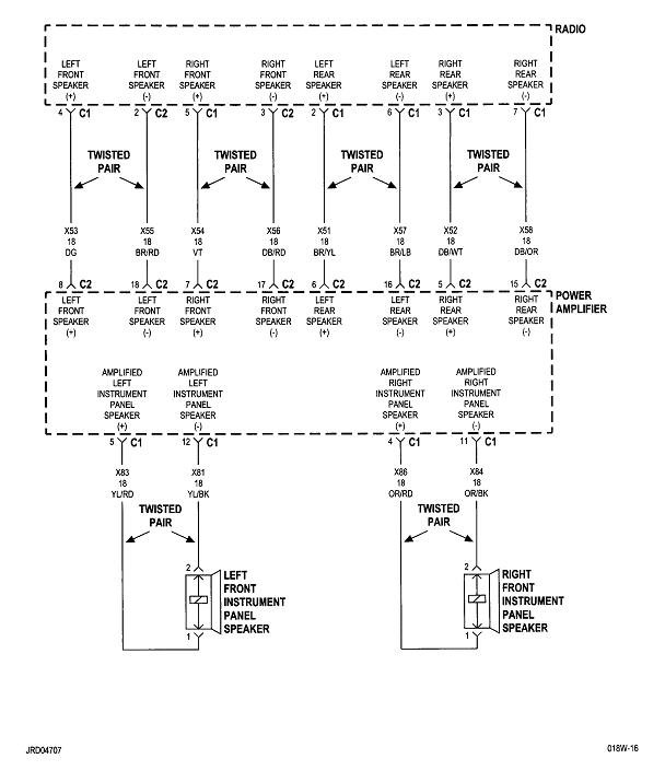
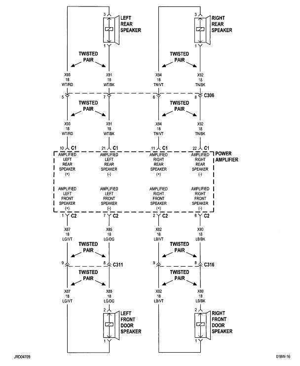
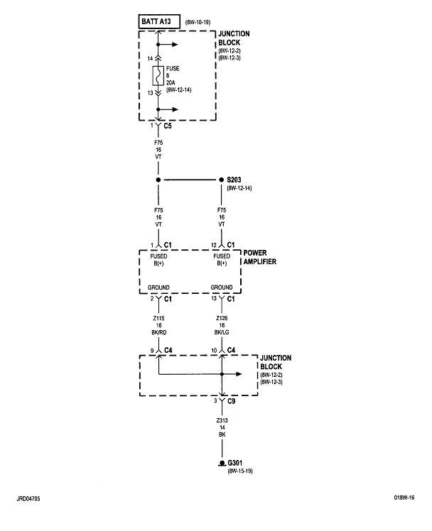
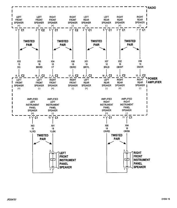
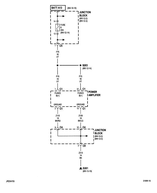
Here's my corrected drawing. The wire color / locations are the same. I only changed the numbering to agree with the diagrams.

If you need to know if you have the base radio system or one of the two premium systems, the premium systems use an amplifier mounted to the floor under the passenger's front seat.
Was this
answer
helpful?
Yes
No
+1
Monday, November 25th, 2019 AT 5:15 PM
Tiny
CARADIODOC
  • MECHANIC
  • 34,485 POSTS
I've worked on a lot of radios over the last 35 years, and if you want the best radio by far for this application, look for a Chrysler CD / cassette combo radio, even if you don't have cassettes. Those radios were built by Mitsubishi and are of very high quality. They'll list "Supplier # 28046" on top on the model sticker. The CD-only radios were built by Alpine, and they do have more problems. Those are "Supplier # 26777".

Once you know if you have the base system or premium version, try to find a matching radio. All Chrysler radios put out speaker-level volume, regardless if they were used with an amp or not. Unlike with GM and Ford systems where you must used a matched system, you can use any Chrysler radio. It's only the tone response that is changed when you have an amplifier. If you put a non-Infinity radio in an Infinity system that uses an amp, you'll have too much bass unless you turn the bass control all the way down. For the opposite, Infinity radios put out less bass, then it is made up in the amp for the shape of the vehicle. If you put that Infinity radio in a car that doesn't use the amp, you won't have enough bass unless you turn it way up.

These combo radios are my best seller for people doing upgrades to a used car they just bought, and want to stick with original equipment. The disadvantage is if you want the newer features like Bluetooth, and things like that, you'd have to look for something in the aftermarket world that will plug in the back. The first diagram makes reference to connector "C4" which was a round 8-pin connector for the remote CD changer. That would be where an aftermarket accessory would plug in. I never got involved with aftermarket stuff, so you'd have to rely on the product description and advertising to see if those would work for you.

One more comment of value. These original radios used a rectangular face plate with square corners up to 2003 in the full-size vans, but they started switching over to the face plate with rounded corners in 1999 in the Neons. Likewise, each of those years a few models switched from the two black and gray plugs you have, to the newer single plug with two rows of terminals. If you look for the right radio, be sure to match the plugs and the face plate so it will drop in with no modifications.
Was this
answer
helpful?
Yes
No
+1
Monday, November 25th, 2019 AT 5:40 PM
Tiny
ALEXIS LóPEZ
  • MEMBER
  • 6 POSTS
Thanks a lot, I will consider all your recommendations and I just match all the wires thanks to your drawn. It really helped me a lot.
Was this
answer
helpful?
Yes
No
Monday, November 25th, 2019 AT 6:00 PM
Tiny
DANNY L
  • MECHANIC
  • 5,648 POSTS
You're welcome!
Thanks again for using 2CarPros and please use us again in the future.
Danny-
Was this
answer
helpful?
Yes
No
+1
Monday, November 25th, 2019 AT 7:26 PM

Please login or register to post a reply.