Radio wiring diagram?

2007 HYUNDAI ACCENT
170,000 MILES • 1.6L • 4 CYL • 2WD • AUTOMATIC
Avatar
KAYLEEPOE141922
  • MEMBER
  • 2 POSTS
After market harness connected to car wont play noise
Mar 17, 2026 at 4:43 PM
Repair Safety Notice: This information is for general instructional purposes only. Vehicle repair can be dangerous. Verify all information, follow manufacturer service procedures, use proper tools and safety equipment, and consult a qualified repair shop when needed.
Advertisement
Avatar
STRAILER
  • CAR REPAIR CONTRIBUTOR
  • 54,215 POSTS
Hello,

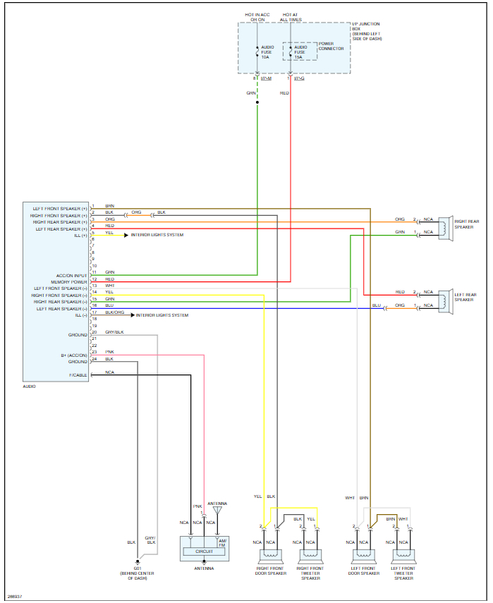
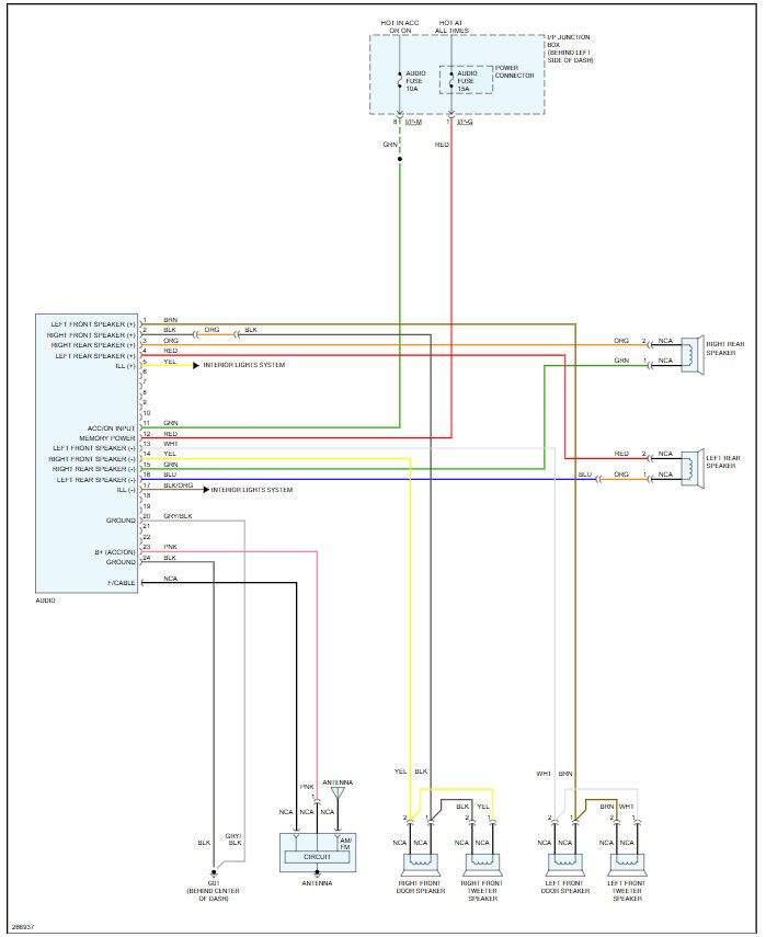
Does this car have a factory amp? if so this maybe the reason you cannot hear noise from the radio, does the new radio come on? Here is the wiring diagram for the non amp system. Check out the images (below). Let us know how it goes
Mar 18, 2026 at 8:28 AM
Advertisement