Radio turning on randomly when car is off with no key near it

Tiny
HEFFTY
  • MEMBER
  • 2013 LINCOLN MKX
  • V6
  • 2WD
  • AUTOMATIC
  • 200,000 MILES
I have the car listed above, and recently I noticed the radio turns on randomly when the car is completely off with no key near it sometimes draining the battery when it happens at night. Not quite sure what would cause this and ideas help.
Wednesday, April 21st, 2021 AT 7:42 PM

1 Reply

Tiny
JACOBANDNICKOLAS
  • MECHANIC
  • 110,194 POSTS
Hi,

That is an odd one. What I need you to try is to remove the fuse and see if anything happens. I want to see if we have a short to power at some point causing this.

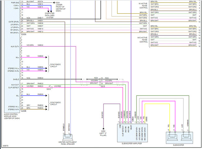
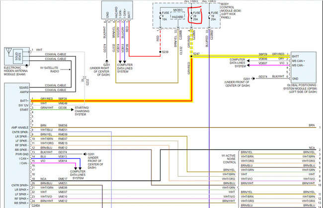
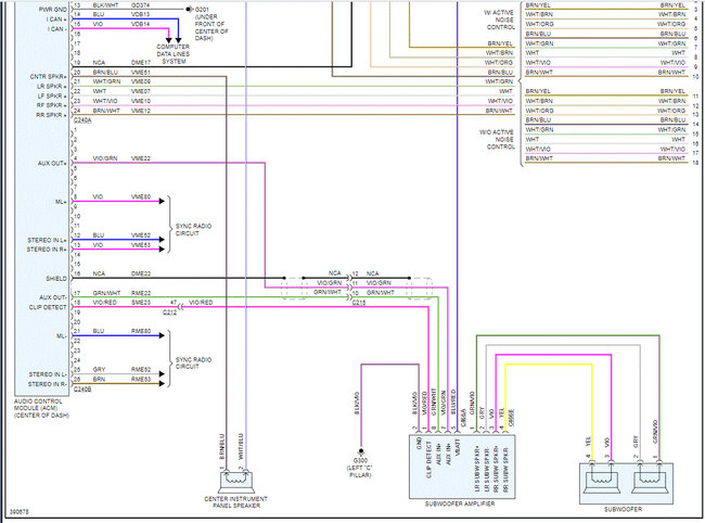
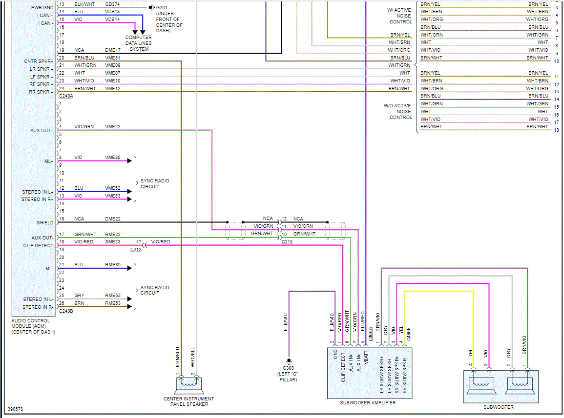
The first two pics below show the wiring harness schematic for the radio. I highlighted the fuse. Pic 3 shows the fuse location in the box. The fuse panel is located under the instrument panel to the left of the steering wheel.

If this doesn't help, you really need to have the can-bus system scanned for codes related to the radio. CAN stands for controller area network. Basically, all modules/computers are tied together via a few wires. This type of scan will cover all modules, so if something is present it will show.

Here is a video showing the can-bus being scanned and how it's done:

https://youtu.be/InIlnsjOVFA

Let me know what you find or if you have other questions.

Take care,

Joe
Was this
answer
helpful?
Yes
No
+2
Thursday, April 22nd, 2021 AT 7:52 PM

Please login or register to post a reply.

Related Radio Content

Radio Head Unit
VIDEO