Tuesday, October 16th, 2018 AT 1:48 PM
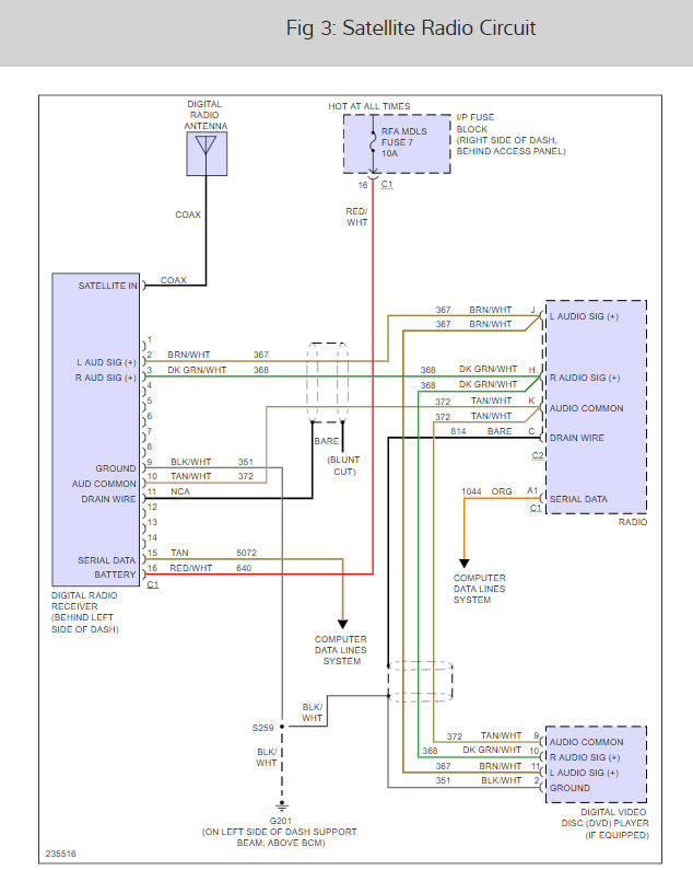
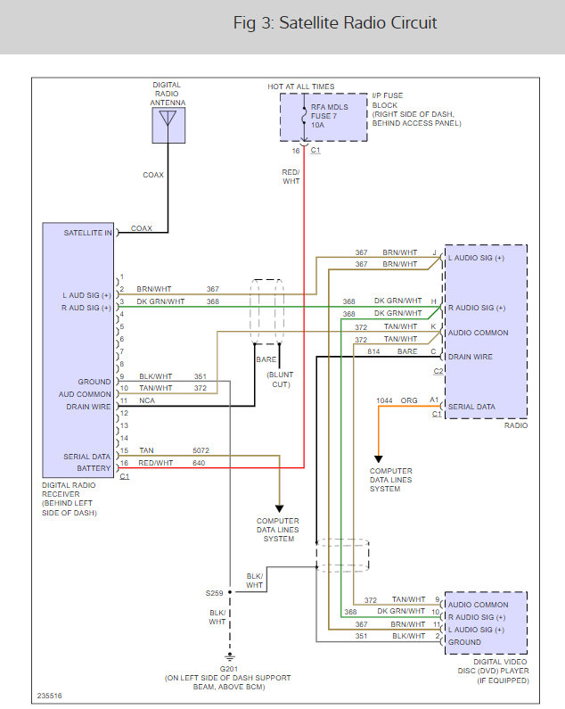
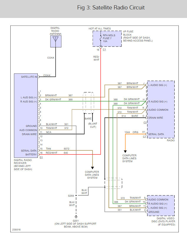
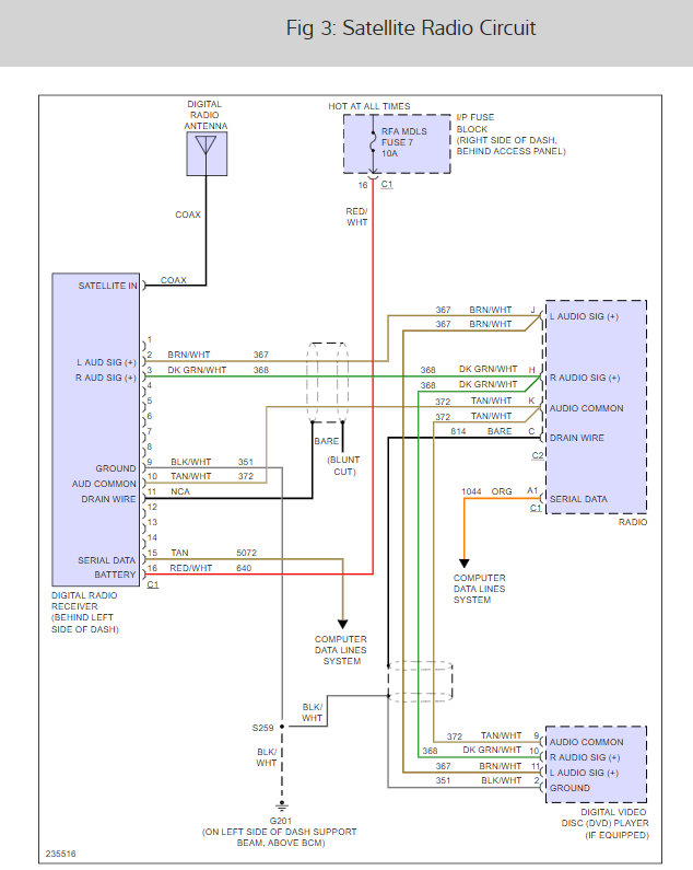
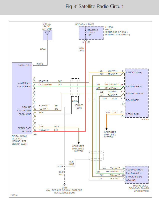
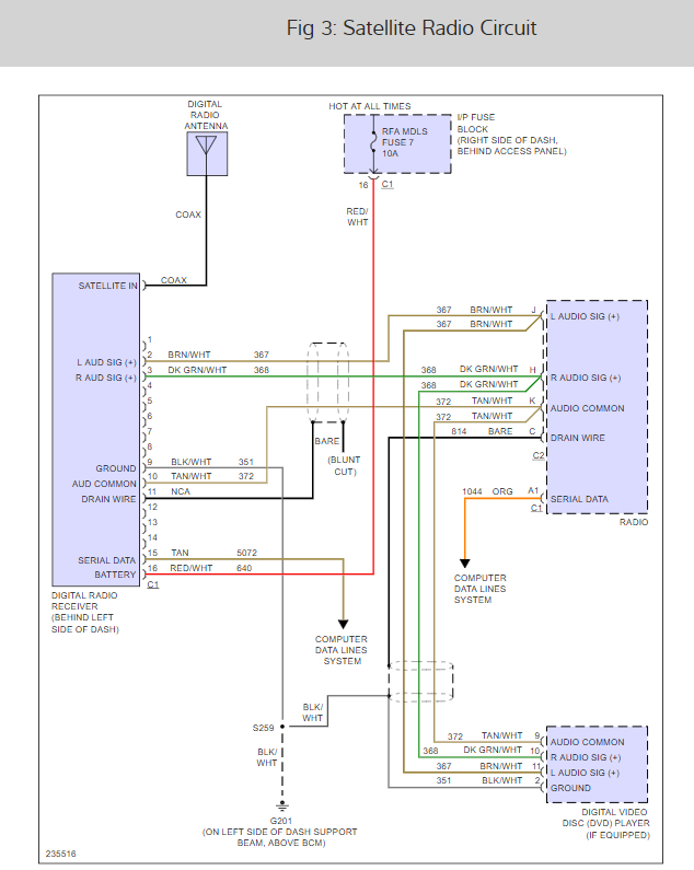
Following the replacement of a defective battery, the satellite bands on the radio no longer appeared in the band selection. “AM, FM1 and FM21” appear. As well the ability to listen to the movie playing in the entertainment system does not play although CD does. What could cause this and how can it be repaired?











