Friday, March 24th, 2017 AT 11:09 PM
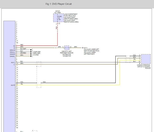
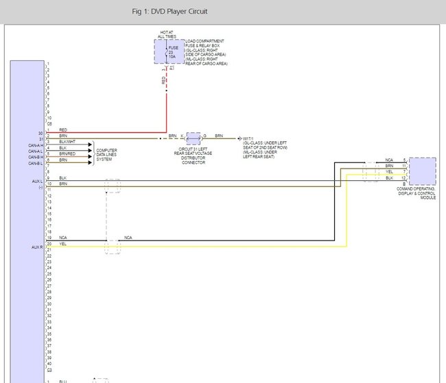
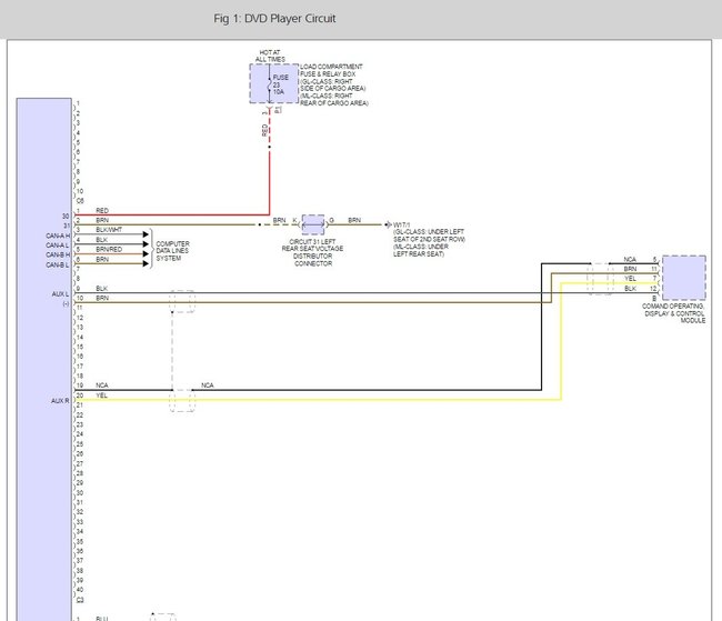
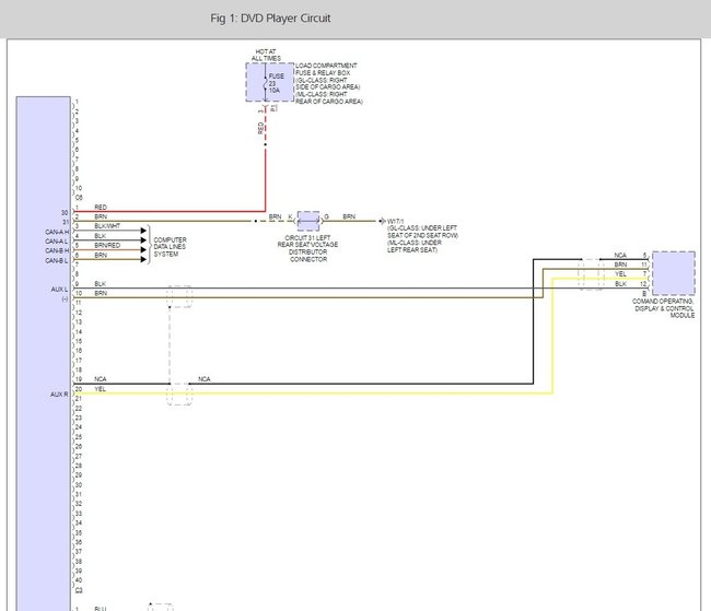
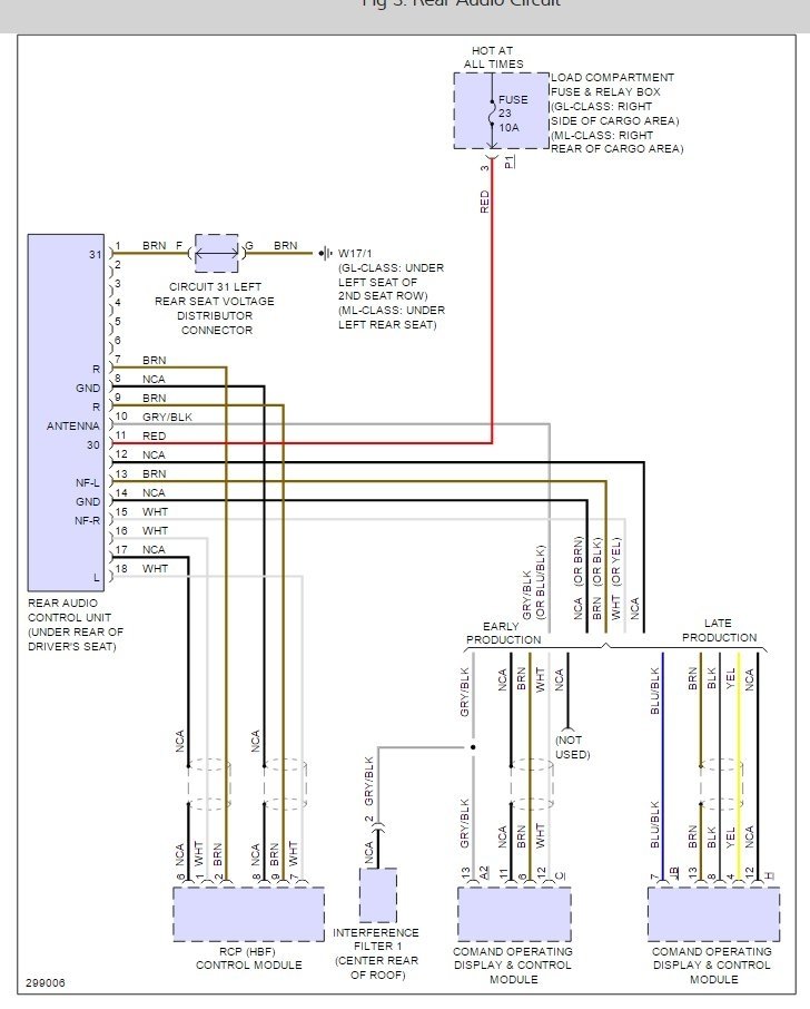
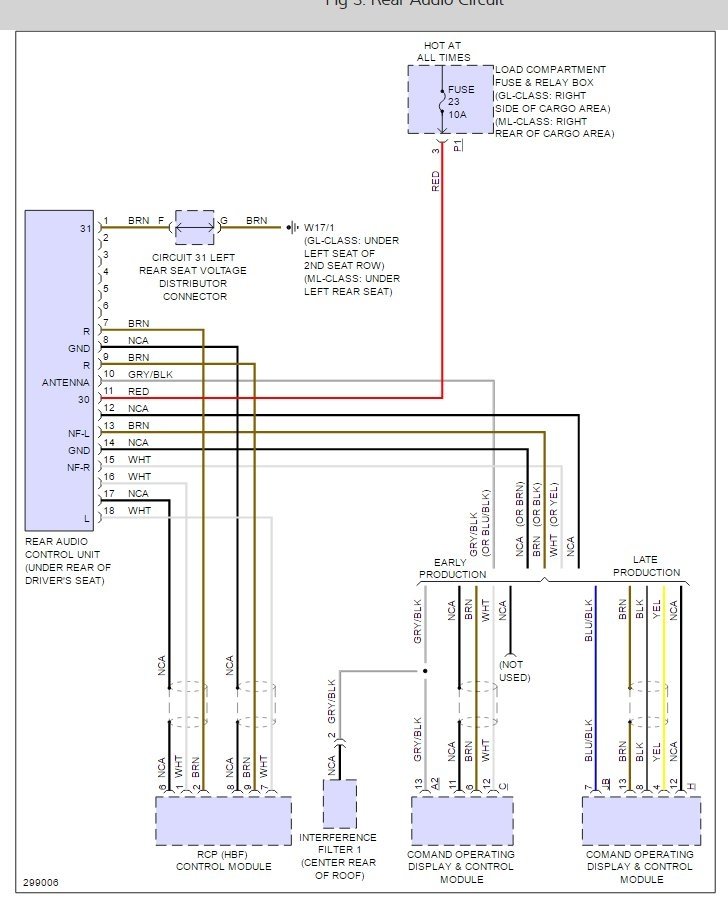
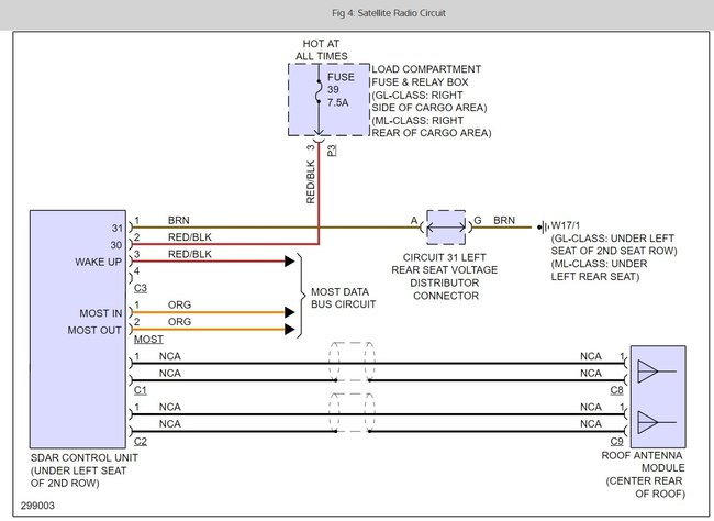
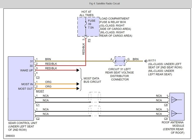
My sound system has a constant clicking noise or popping when using the Radio, When using the phone I can hear the caller, they can not hear me. My Sirius/XM will not pick up or go to preview channels. My embrace can not locate the car and when I press the (i) button nothing happens. When I try to go to the audio menu it won't stay on what I select it jumps in and out of that screen.






