Radio wiring diagram needed

Tiny
LAMAR GIBSON
  • MEMBER
  • 2007 DODGE RAM
  • 4.7L
  • V8
  • 4WD
  • AUTOMATIC
  • 239,906 MILES
I need factory radio wiring diagram with colors.
Sunday, December 20th, 2020 AT 11:39 AM

1 Reply

Tiny
DANNY L
  • MECHANIC
  • 5,648 POSTS
Hello, I'm Danny.

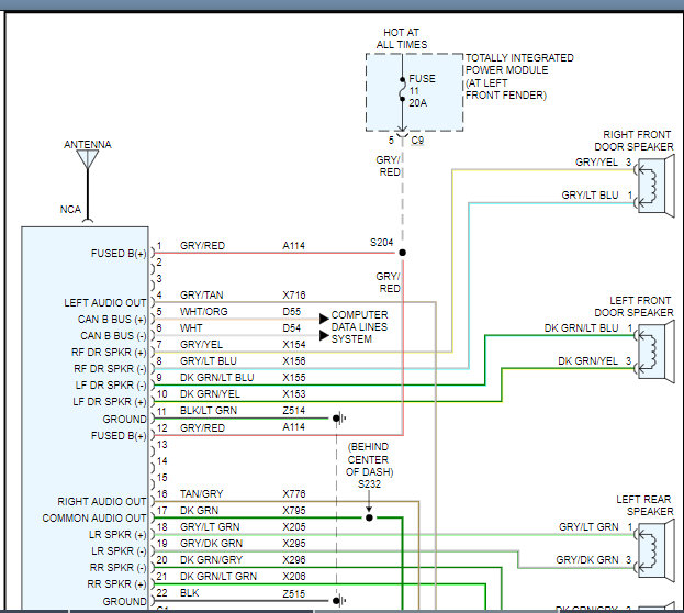
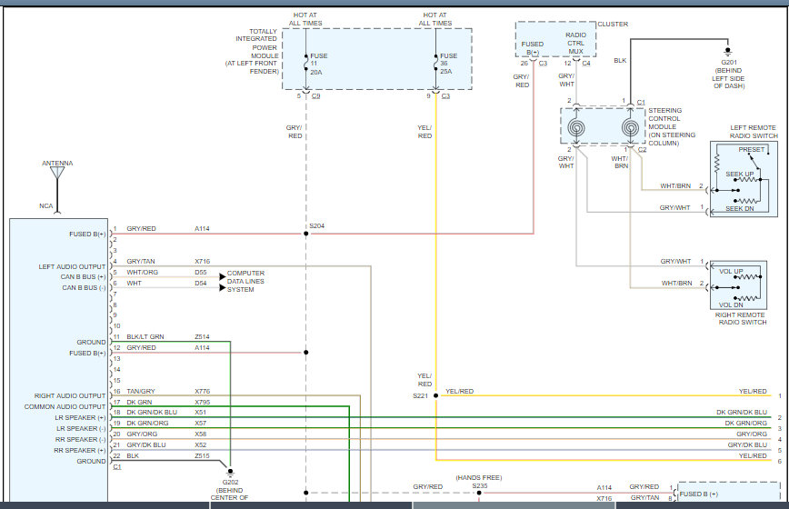
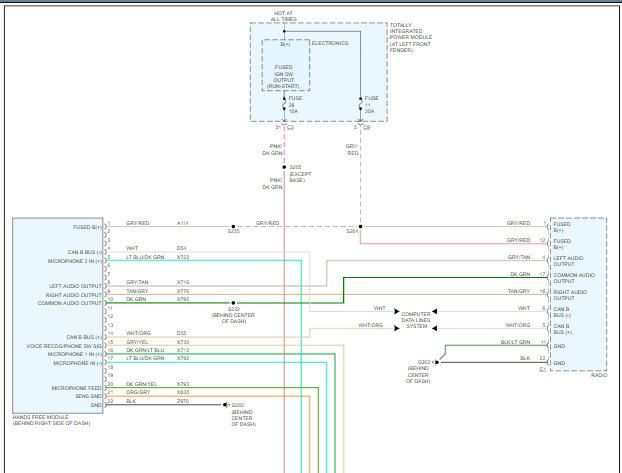
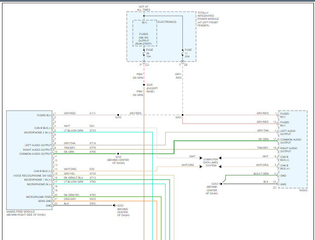
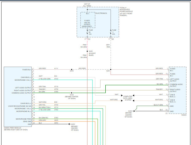
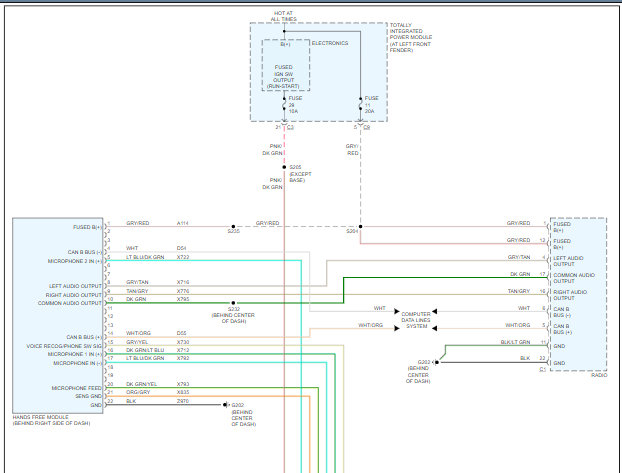
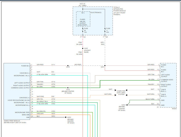
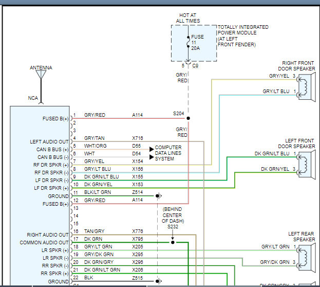
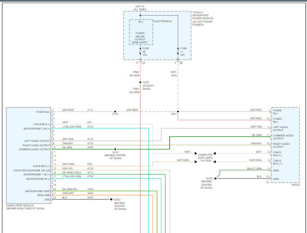
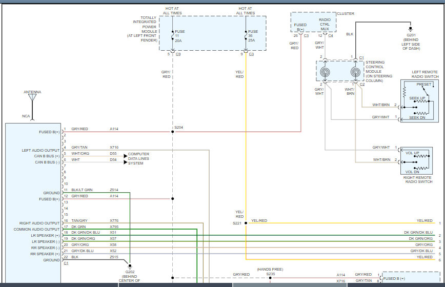
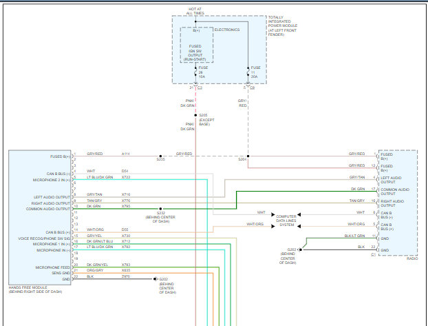
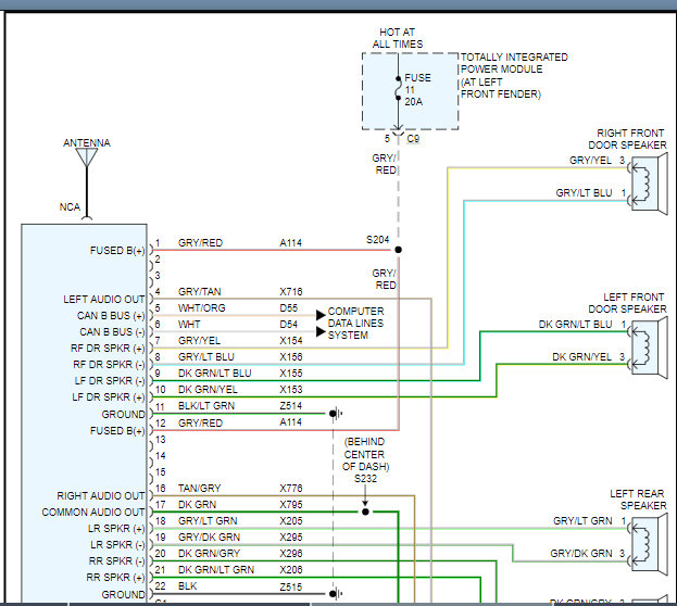
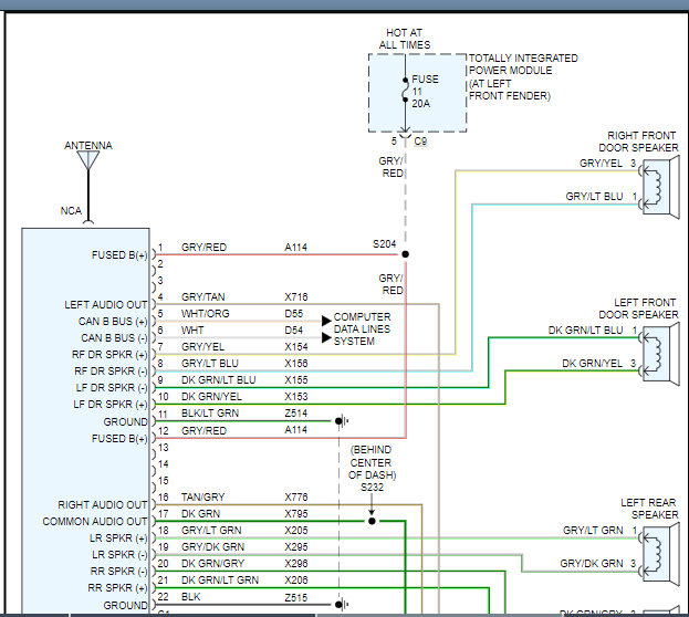
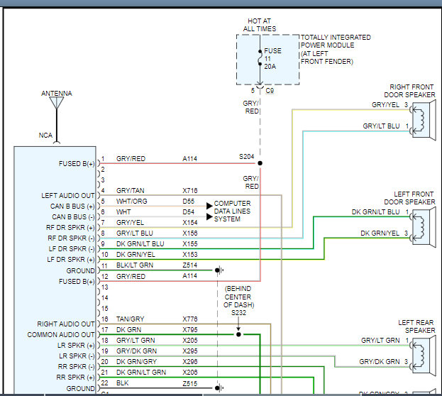
Here are the factory radio diagrams you requested. Since you didn't specify which audio package your truck has I added all 3. I've cut the diagrams in half so you can view larger. The first diagram is the base system, Second is premium system, and third is hands free system. Hope this helps and thanks for using 2CarPros.
Was this
answer
helpful?
Yes
No
+2
Sunday, December 20th, 2020 AT 1:06 PM

Please login or register to post a reply.