Tuesday, February 23rd, 2021 AT 7:22 PM
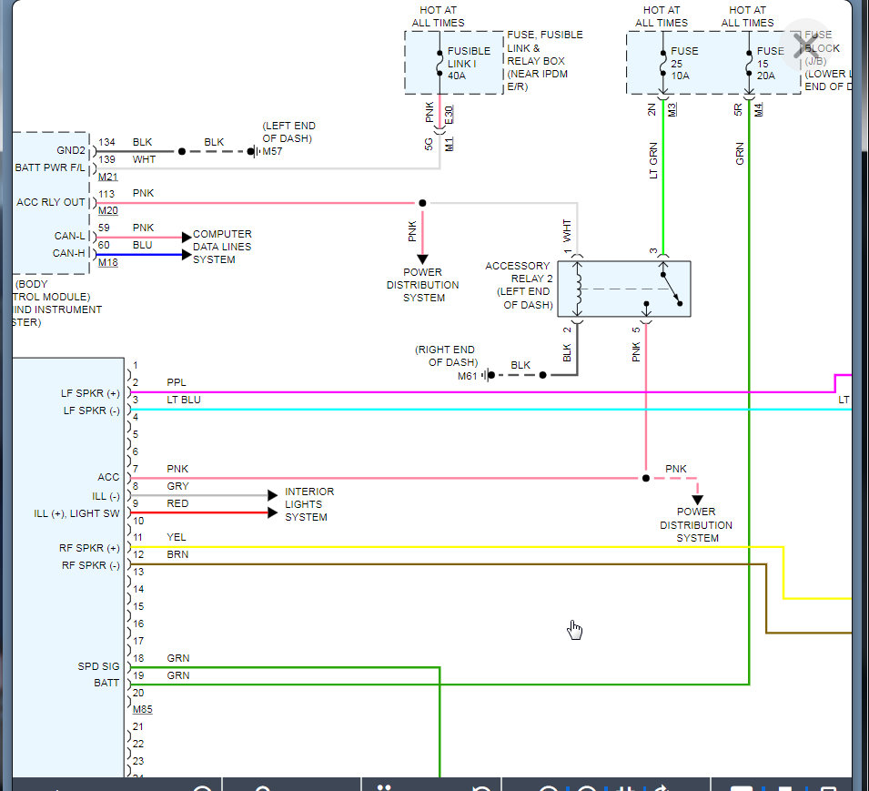
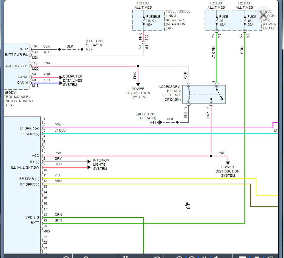
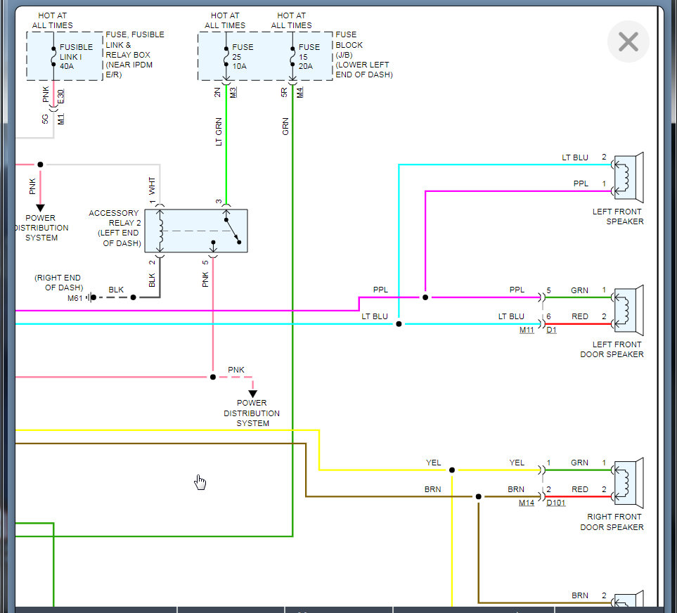
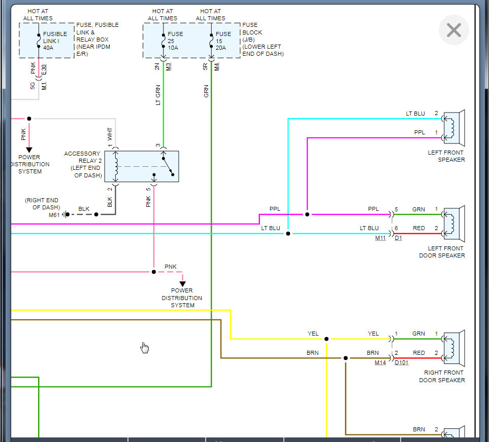
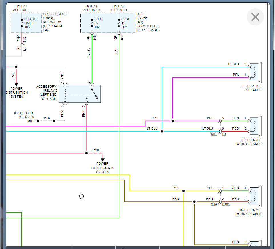
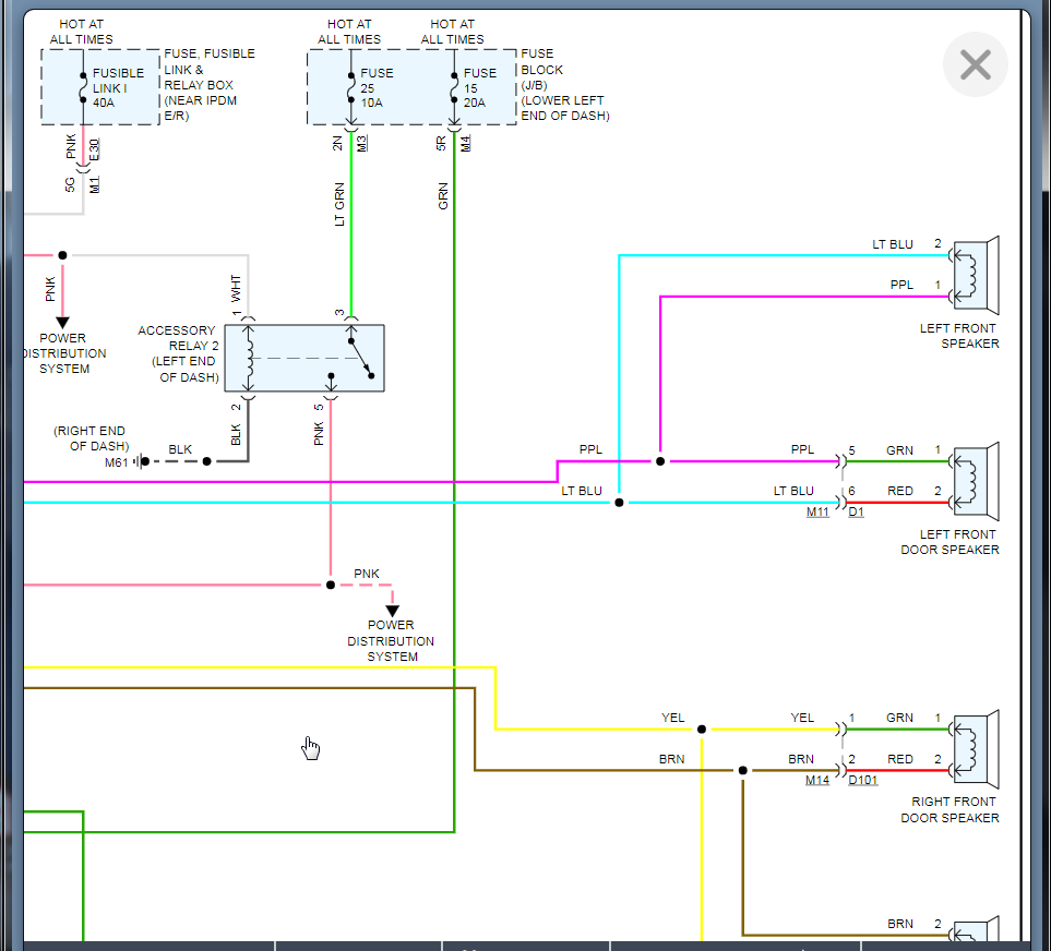
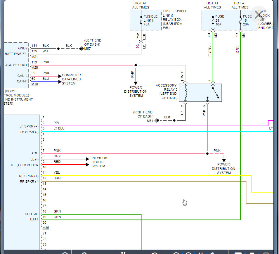
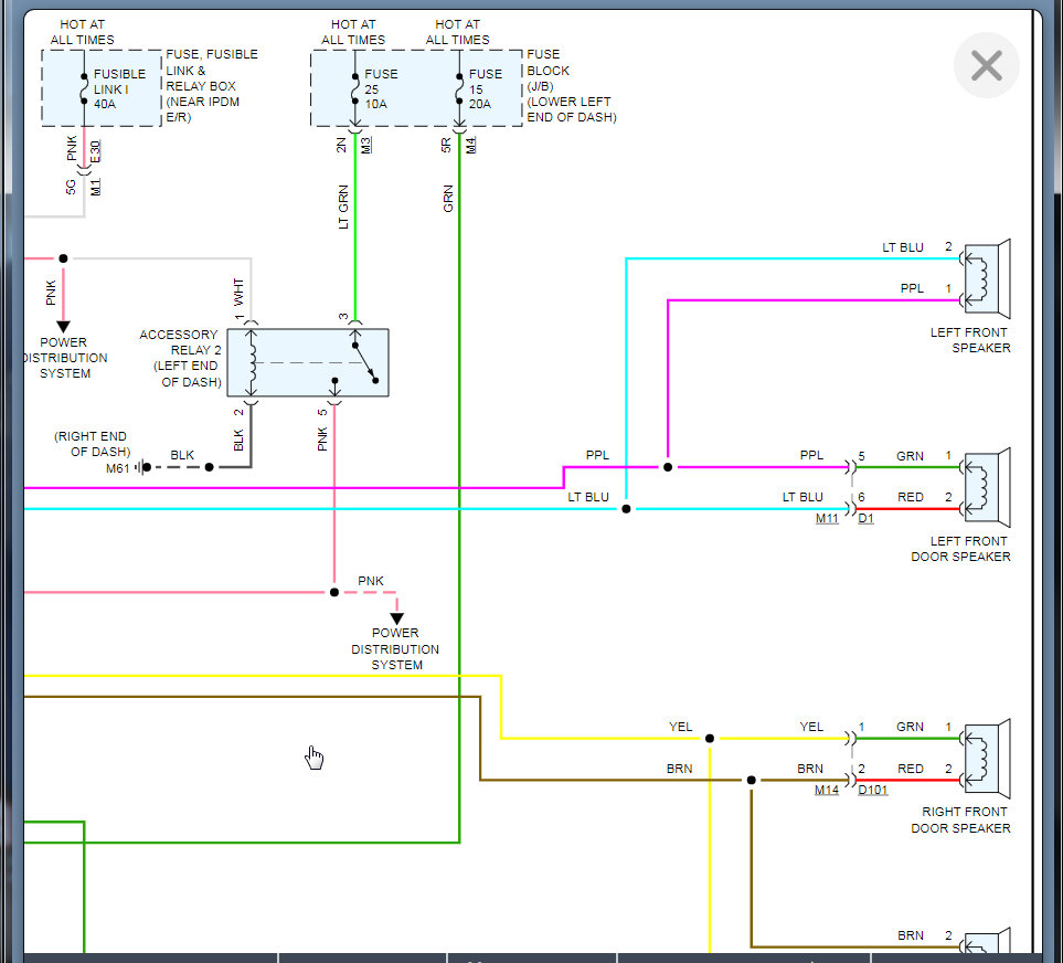
When installing an aftermarket powered sub, the remote wire was ran directly to the interior fuse box and connected to the audio fuse. After doing so, the subwoofer had power but the radio did not.





