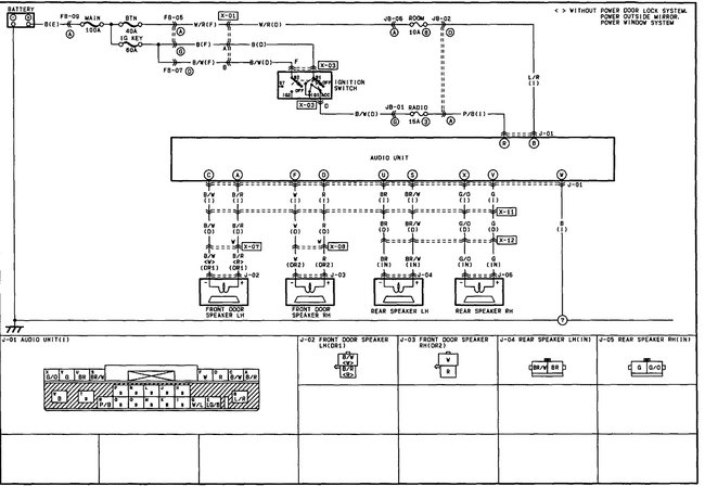
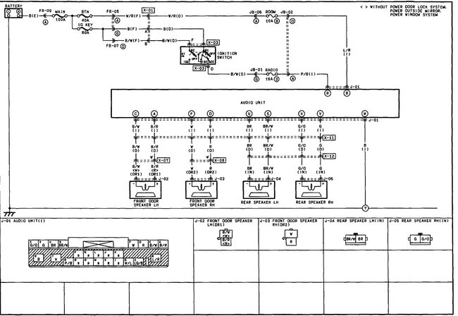
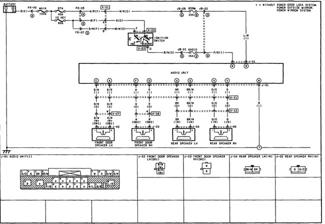
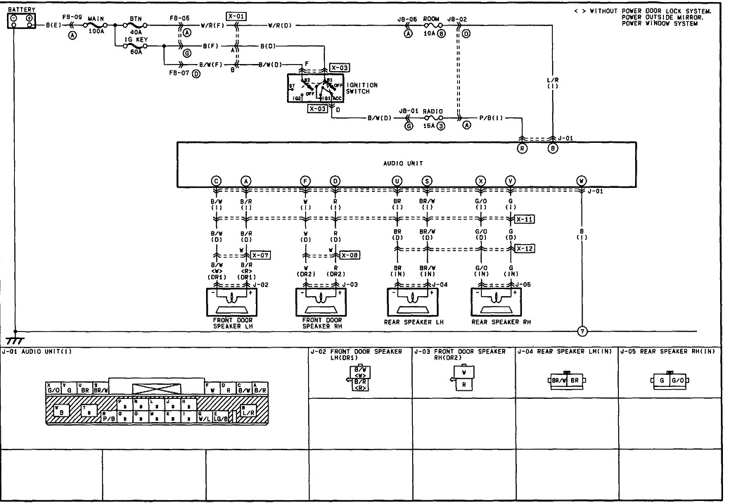
Sunday, July 4th, 2021 AT 12:33 AM
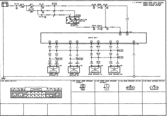
Wanting to replace stereo with after market unit without buying a new wiring harness. Looking for a diagram of the existing wiring so I can match all wires correctly. Thank you.




