Stock radio wiring diagram?

Tiny
BUCK211
  • MEMBER
  • 1990 DODGE DAKOTA
  • 3.9L
  • 6 CYL
  • 2WD
  • AUTOMATIC
  • 223,000 MILES
Hello AGAIN, this is an easy question though for a change. Lmao. I just need to know if u have a stock radio wiring diagram for my truck. I had one but now that I need it I can't find it. Smh. Ty for any and all info.
Wednesday, April 19th, 2017 AT 2:42 AM

4 Replies

Tiny
CARADIODOC
  • MECHANIC
  • 34,485 POSTS
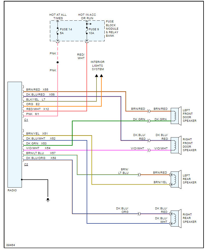
Do you need the terminal locations in the two plugs, or the wire colors? Here is the radio with a four speaker system. Check out the images (below). Let us know if you need anything else.
Was this
answer
helpful?
Yes
No
+3
Wednesday, April 19th, 2017 AT 2:48 AM
Tiny
CARADIODOC
  • MECHANIC
  • 34,485 POSTS
Here's a copy of what I hand out to people at old car show swap meets. (I'll be at Jefferson, WI next weekend). The dash light and tail light wires are pretty standard. The speaker wire colors can vary between models and years.

If you have a problem with any radio from a '90 model, I can solve it. If you're looking for an upgrade, the highest-quality radio I've ever worked on is Chrysler's AM / FM / CD / cassette combo built for them by Mitsubishi. I sell a lot of these to people buying used cars who want the factory CD player. You can find them at any salvage yard, but don't get an Infinity model if your truck doesn't have a remote amp. Infinity models put out less bass, then it is made up in the amp. Any radio will work, with or without the amp, but the bass will just be too little or too much if you don't use the right model. They will sound okay if you turn the bass control to one end of its range.
Was this
answer
helpful?
Yes
No
+1
Wednesday, April 19th, 2017 AT 3:09 AM
Tiny
BUCK211
  • MEMBER
  • 34 POSTS
Cardiodoc, THANK YOU again, that's exactly what I needed. You are the man. An I haven't forgotten ya. I've still got my eye out for that van your looking for. If I find one I'll let ya know asap
Was this
answer
helpful?
Yes
No
Wednesday, April 19th, 2017 AT 6:19 AM
Tiny
CARADIODOC
  • MECHANIC
  • 34,485 POSTS
You're truly a wonderful human being!
Was this
answer
helpful?
Yes
No
+1
Wednesday, April 19th, 2017 AT 3:52 PM

Please login or register to post a reply.