Radiator overflow

2004 DODGE DURANGO
110,000 MILES • 5.7L • 4WD • AUTOMATIC
Avatar
TPIXLEY
  • MEMBER
  • 1 POST
How do I remove the radiator overflow tank?
Sep 13, 2023 at 10:38 AM
Advertisement
Avatar
JACOBANDNICKOLAS
  • CAR REPAIR CONTRIBUTOR
  • 110,190 POSTS
Hi,

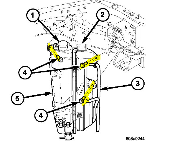
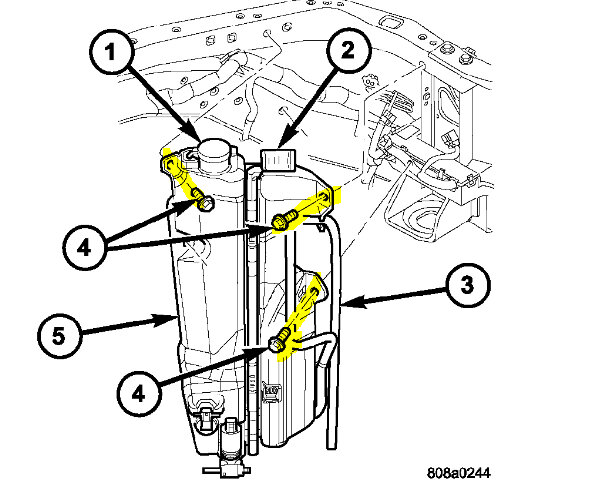
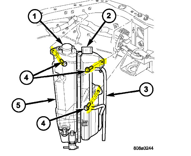
The reservoir tank is held by three bolts. To separate the tank from the body of the vehicle, remove them and then the hoses that are attached.

If you look below, I attached a picture showing the location of the bolts.

Let me know if this helps.

Take care,

Joe

See pic below.
Sep 13, 2023 at 6:51 PM
Advertisement
Repair Safety Notice: This information is for general instructional purposes only. Vehicle repair can be dangerous. Verify all information, follow manufacturer service procedures, use proper tools and safety equipment, and consult a qualified repair shop when needed.