Friday, April 10th, 2020 AT 8:59 AM
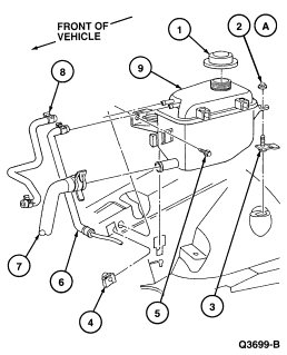
Was changing my serpentine belt and had to take my coolant reservoir out to get to it properly. The bottom radiator hose has come off somewhere and is missing. I can't see if it has fallen down or if it came off completely. I'm now looking for a replacement hose but I can't for the life of me find that exact hose on any diagram in my book or online. Please help a girl who is trying her best! Update: found this diagram it's number 7, but can't find a label with the name or part #



