Code P0481, radiator fan relay location needed

2012 RAM 1500
150,000 MILES • 5.7L • V8 • 4WD • AUTOMATIC
Avatar
TROLLINK
  • MEMBER
  • 2 POSTS
I have a trouble code P0481 and would like to test the relay but I can't find it.
Apr 12, 2020 at 9:32 AM
Advertisement
Avatar
KASEKENNY
  • CAR REPAIR CONTRIBUTOR
  • 18,907 POSTS
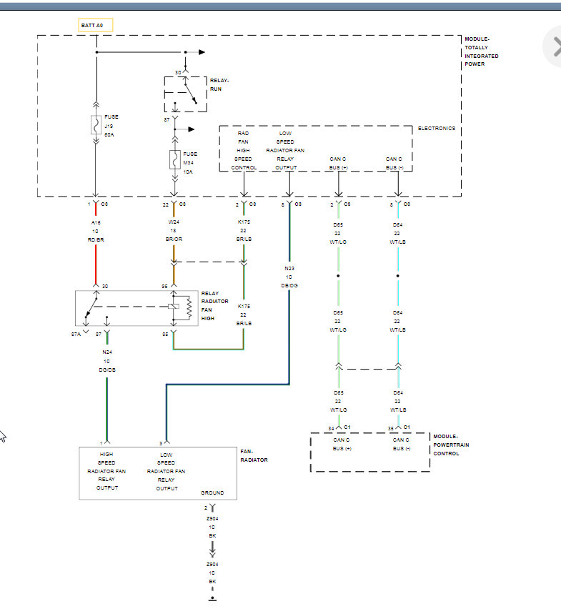
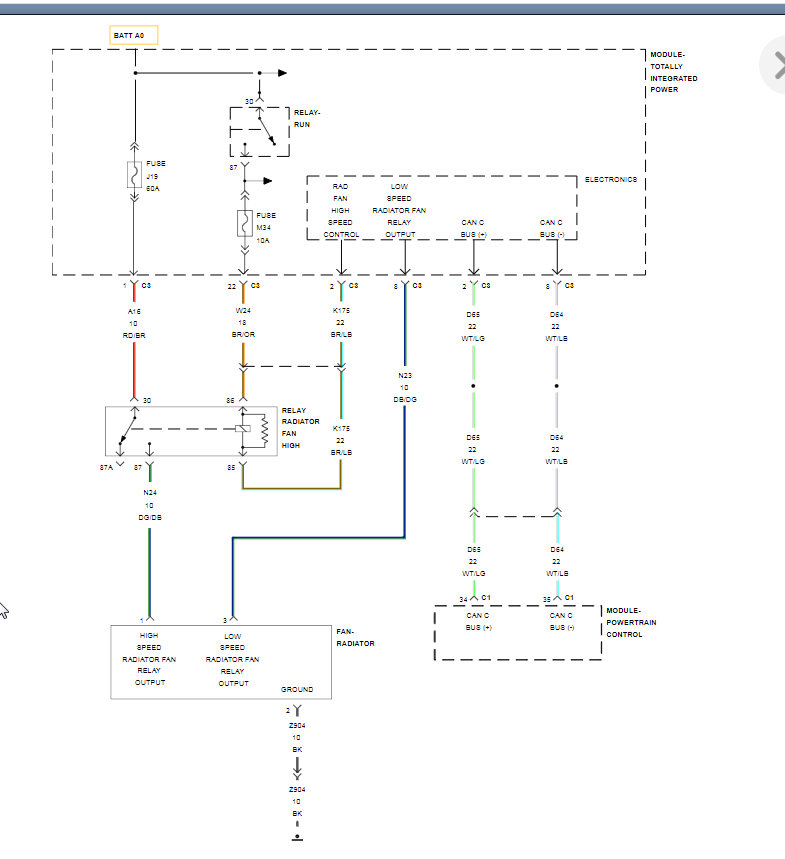
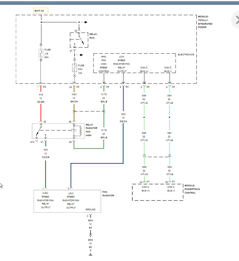
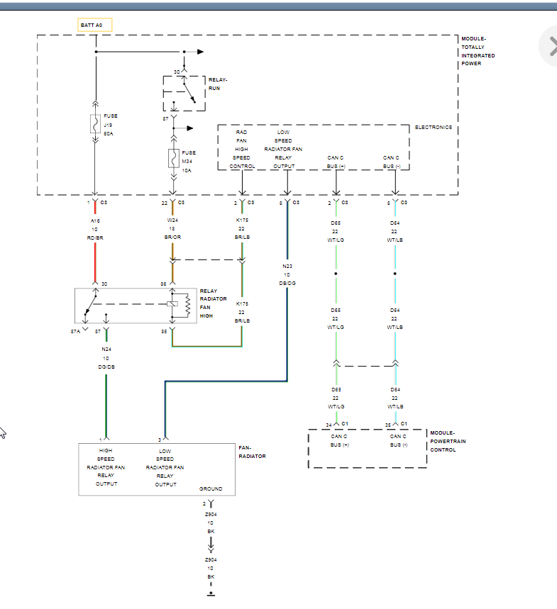
The low fan relay is located in the TIPM. I attached the location. I also attached all the testing for this code as well. Please run through this diagram and let us know if you have questions or what you find.

Thanks
Apr 12, 2020 at 11:01 AM
Advertisement
Advertisement
Repair Safety Notice: This information is for general instructional purposes only. Vehicle repair can be dangerous. Verify all information, follow manufacturer service procedures, use proper tools and safety equipment, and consult a qualified repair shop when needed.