Tuesday, August 30th, 2022 AT 3:39 PM
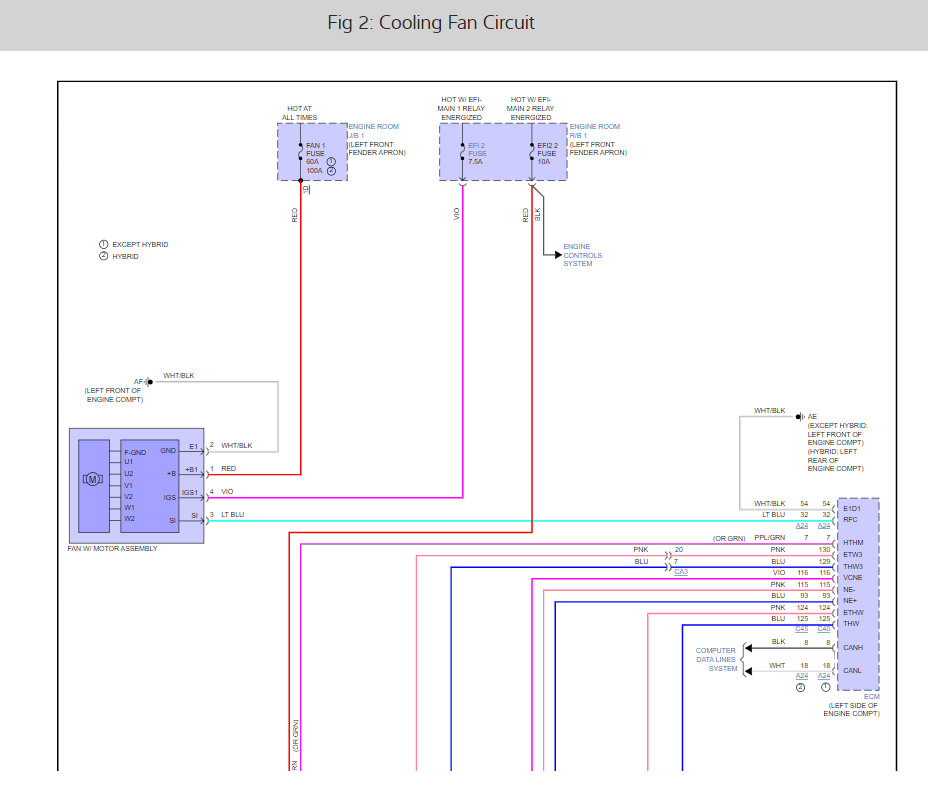
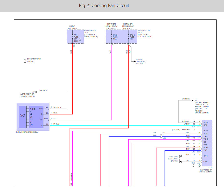
Replaced engine bypass coolant valve, bled the air out. No leaks in the system. I'm thinking the coolant sensor isn't working. Is it a separate part from the fan and where is it located? If that's the problem?











