Monday, July 17th, 2023 AT 10:19 AM
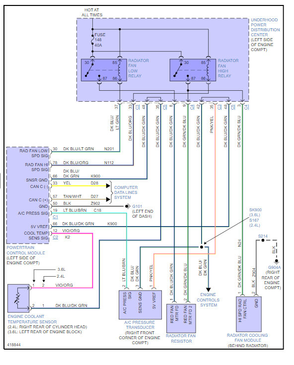
I replaced my radiator fan because it kept blowing out my relay fuses. It didn't turn on at all. I changed the relay fuse, still nothing. I replaced the coolant sensor, nothing either. Can you suggest what is next, maybe the radiator fan switch?
