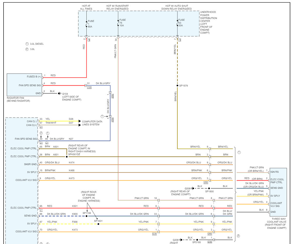
Thursday, August 24th, 2023 AT 12:36 PM
New fan. Will come on with A/C turned on. But it will not turn on when the truck is at running temperature. The fuse box only has a 80-amp fuse. No relay in the box. Where would the relay be located at?



