Radiator fan issue, which relay is responsible for turning the fan on?

Tiny
BHAMDOC1973
  • MEMBER
  • 2010 TOYOTA VENZA
  • 4 CYL
  • 2WD
  • AUTOMATIC
  • 125,000 MILES
A/C is very cold while driving, once I stop it goes down in cooling, check the fan and it's not on. Which relay is responsible for turning the fan on? And which pins do I jump to see if the fan comes on?
This is the 2.7l engine.
Monday, August 14th, 2023 AT 8:51 AM

3 Replies

Tiny
KEN L
  • MASTER CERTIFIED MECHANIC
  • 55,297 POSTS
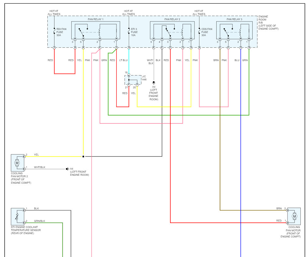
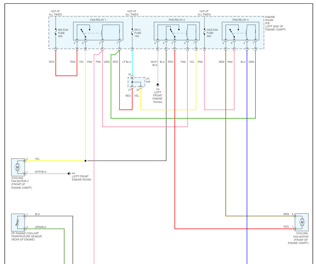
There are three fuses and three relays that run the system. Here are the radiator cooling fan wiring diagrams so you can see how the system works and which fuses and relays to check. Check out the images (below). Please let us know how it goes.
Was this
answer
helpful?
Yes
No
Tuesday, August 15th, 2023 AT 8:52 AM
Tiny
BHAMDOC1973
  • MEMBER
  • 2,018 POSTS
But how do I check if the fan works at least so I can eliminate whether it's bad or not?
Was this
answer
helpful?
Yes
No
Tuesday, August 15th, 2023 AT 9:04 AM
Tiny
KEN L
  • MASTER CERTIFIED MECHANIC
  • 55,297 POSTS
So red is the ground wire and brown is the power wire, run jumper from the battery to the fan.
Was this
answer
helpful?
Yes
No
Wednesday, August 16th, 2023 AT 10:52 AM

Please login or register to post a reply.