Thursday, June 15th, 2023 AT 5:14 PM
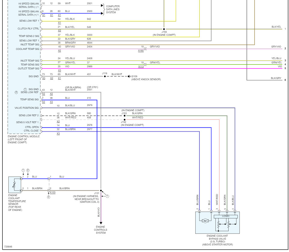
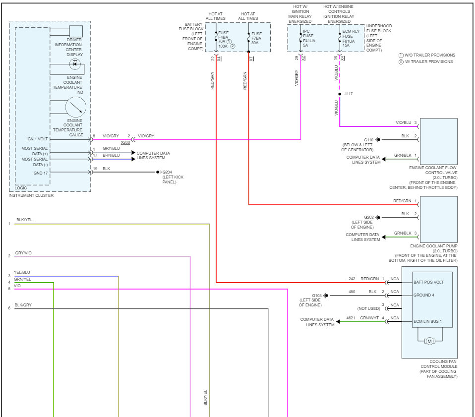
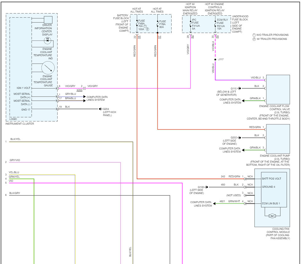
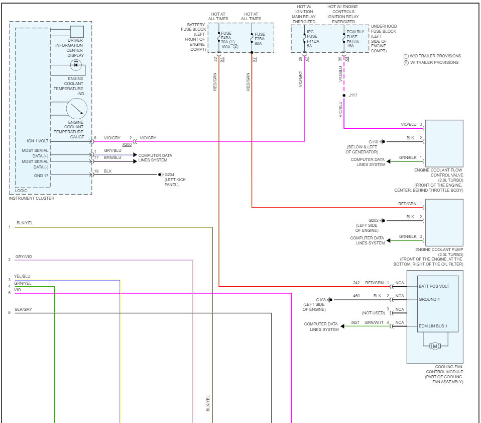
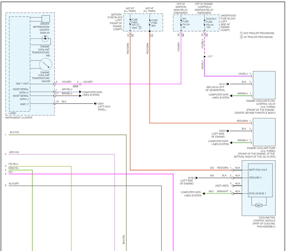
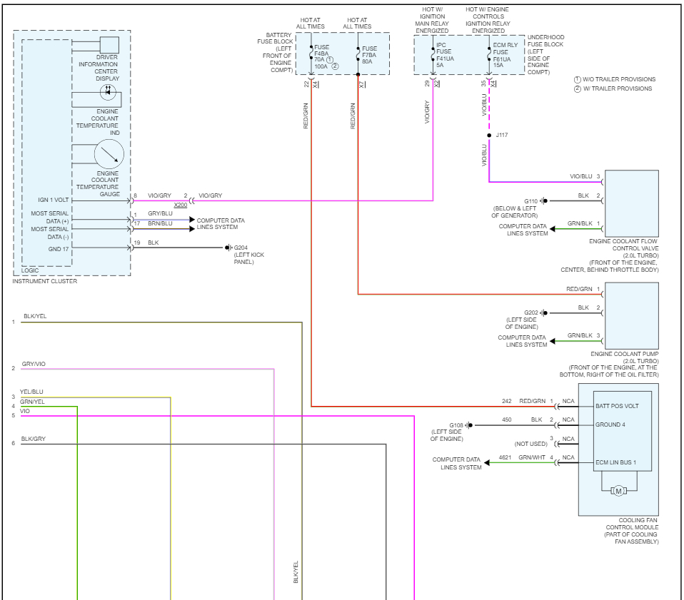
Hi, My check engine light came on due to cooling fan speed low detection, and my fan doesn't cut on. But before buying the fan I was trying to check the relay for the fan or fuse for it but I can't seem to find either one and I've checked all three fuses boxes, but nothing seems to say anything about the fan at all so I'm stuck and would just like to get pointed in the right direction to get an answer please! Thank you!








