Second is the power to the A/C compressor clutch. I have replaced compressor, condenser, filter-drier and pressure transducer switch. Also, the system is flushed and refilled with r-134a. There is no power to the compressor when the A/C switch is selected on the Climate control unit.
Checked the TIPM but no visible problems.
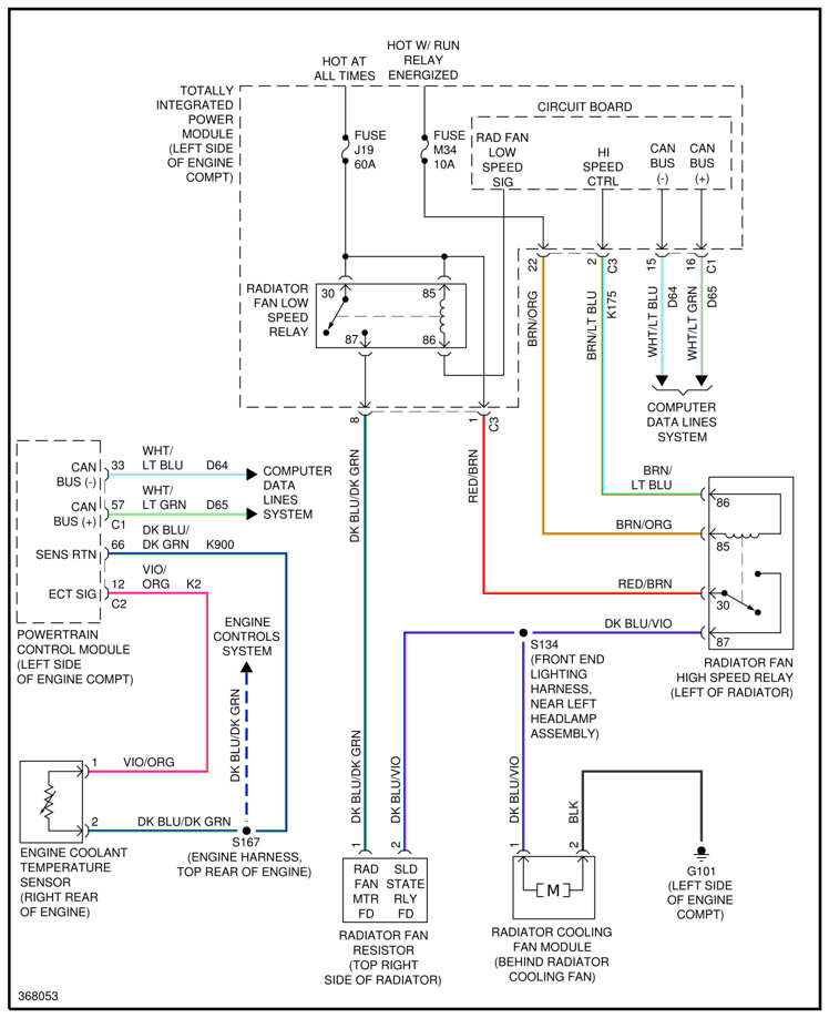
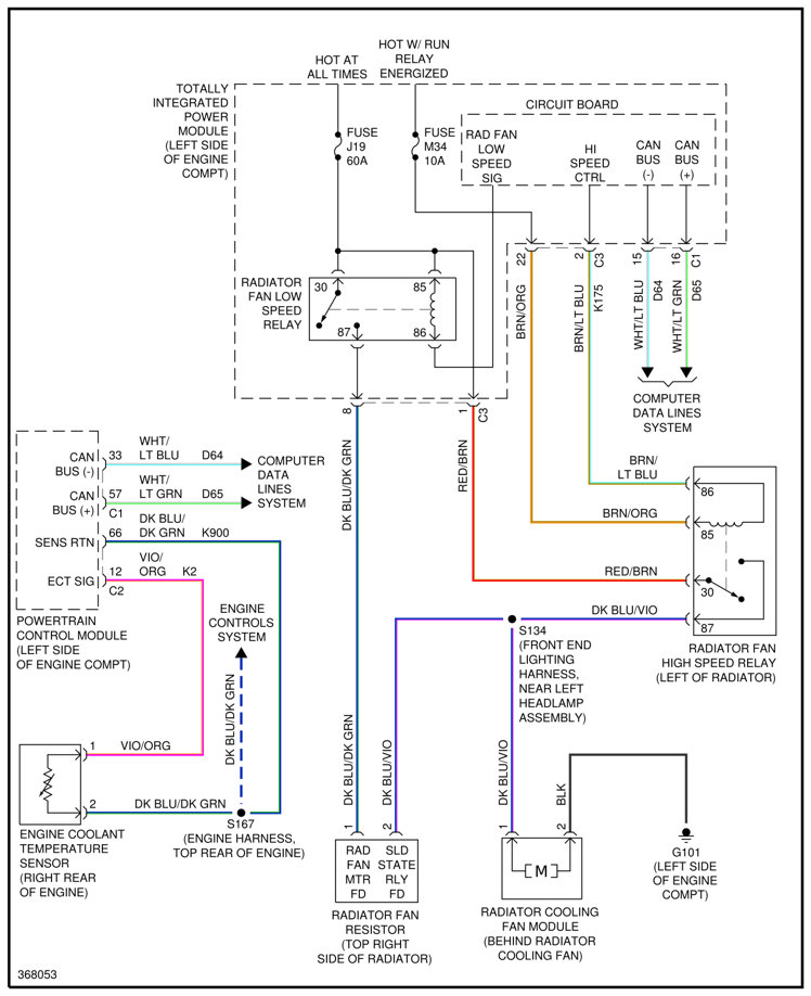
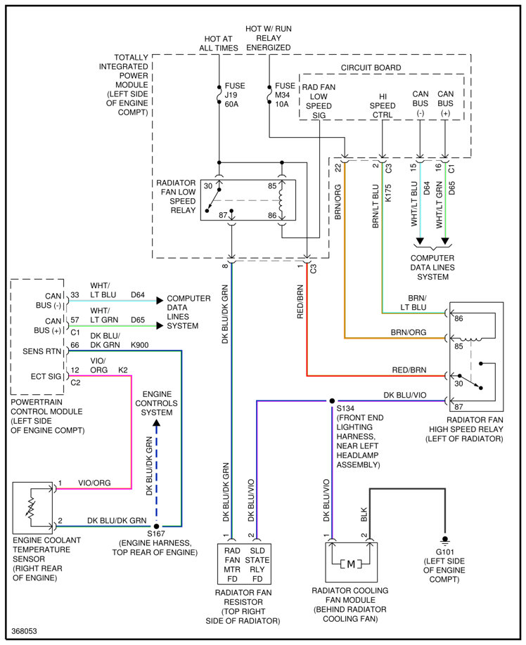
I have tried to find electrical diagrams of the TIPM, PCM etc, but with no result.
I hope someone can supply those diagrams to start further electrical investigations.
Regards,
Robert Blom
The Netherlands
Wednesday, August 10th, 2022 AT 5:08 AM





