HOME
ASK A QUESTION
REPAIR GUIDES
BECOME A MEMBER
LOG IN
Login with Facebook
OR
Remember me
NOT A MEMBER?
FORGOT PASSWORD?
CONTACT US
PRIVACY POLICY
TERMS AND CONDITIONS
☰
Home
Dodge
Caravan
Engine Cooling
Cooling Fan
Not Working
Radiator fan not turning on
CACUNNINGHAM
MEMBER
2003 DODGE CARAVAN
115,486 MILES
The fans will not turn on, but it never gets overheated. What can it be?
Tuesday, April 24th, 2018 AT 5:55 AM
1 Reply
ASEMASTER6371
MECHANIC
52,796 POSTS
Good morning.
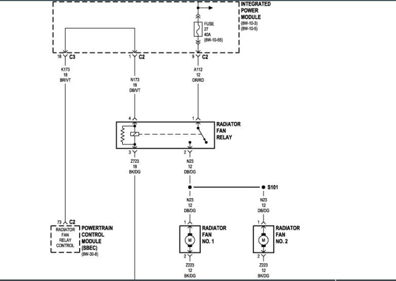
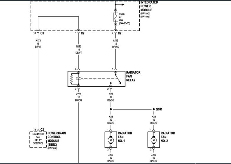
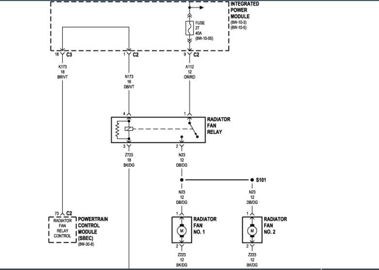
It could be the fan itself, relay, fuse or wiring.
I attached a wire diagram for you to view. Check the fuse listed in the fuse box for power on both sides.
Roy
Image (Click to make bigger)
Was this
answer
helpful?
Yes
No
Tuesday, April 24th, 2018 AT 7:21 AM
Please
login
or
register
to post a reply.
Related Cooling Fan Not Working Content
Radiator Fans Do Not Come On
Grand Caravan Heat Was Not Working And Temperature Would Go To Red Then Drop. - I Replaced The Thermostat. Heat Now Works And...
Asked by
Backyard Bobby
·
1 ANSWER
1 IMAGE
2003
DODGE CARAVAN
Engine Coolant Fan Not Coming On?
Have A 1997 Dodge Caravan, The Engine Coolant Fans Are Not Coming On. Tried To Swap Fan Relays, Checked All Fuses, Fans Work If You Put...
Asked by
JULIUSCEASAR
·
1 ANSWER
6 IMAGES
1997
DODGE CARAVAN
Cooling Fans Not Working
Neither Of My Cooling Fans Are Working. I Have Replaced Radiator Cap, And Fan Relay. Fans Work, I Have Wired Them Directly To The...
Asked by
mark4613
·
1 ANSWER
3 IMAGES
1999
DODGE CARAVAN
2000 Dodge Caravan Both Cooling Fans Stopped Working
Engine Cooling Problem 2000 Dodge Caravan 6 Cyl Front Wheel Drive 207000 Miles Stopped At A Drive In Bank When Drove Out Noticed Heat...
Asked by
sadcenturion
·
1 ANSWER
2000
DODGE CARAVAN
1998 Dodge Caravan Engine Cooling Fans Not Working
Hi, I Have A 1998 Caravan And The Engine Cooling Fans Wont Go On. Ive Replaced The Relay And The Temp Sensor. I Have Checked The Temp...
Asked by
alydar66
·
3 ANSWERS
1998
DODGE CARAVAN
VIEW MORE
Ask a Car Question. It's Free!