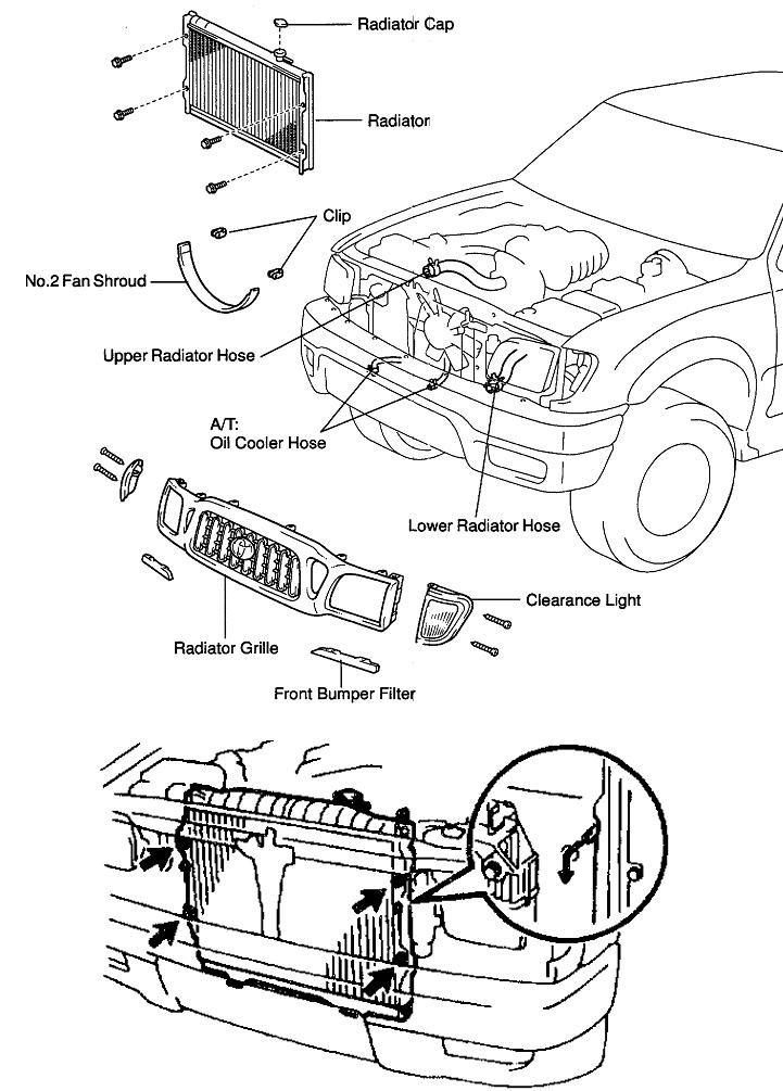
Radiator core sizing

2001 TOYOTA TACOMA
116,000 MILES • 3.4L • V6 • 2WD • MANUAL
Avatar
LSANDERS127
  • MEMBER
  • 1 POST
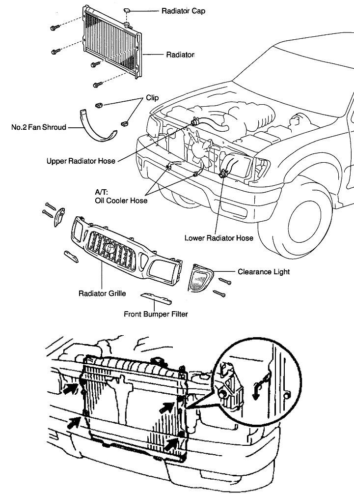
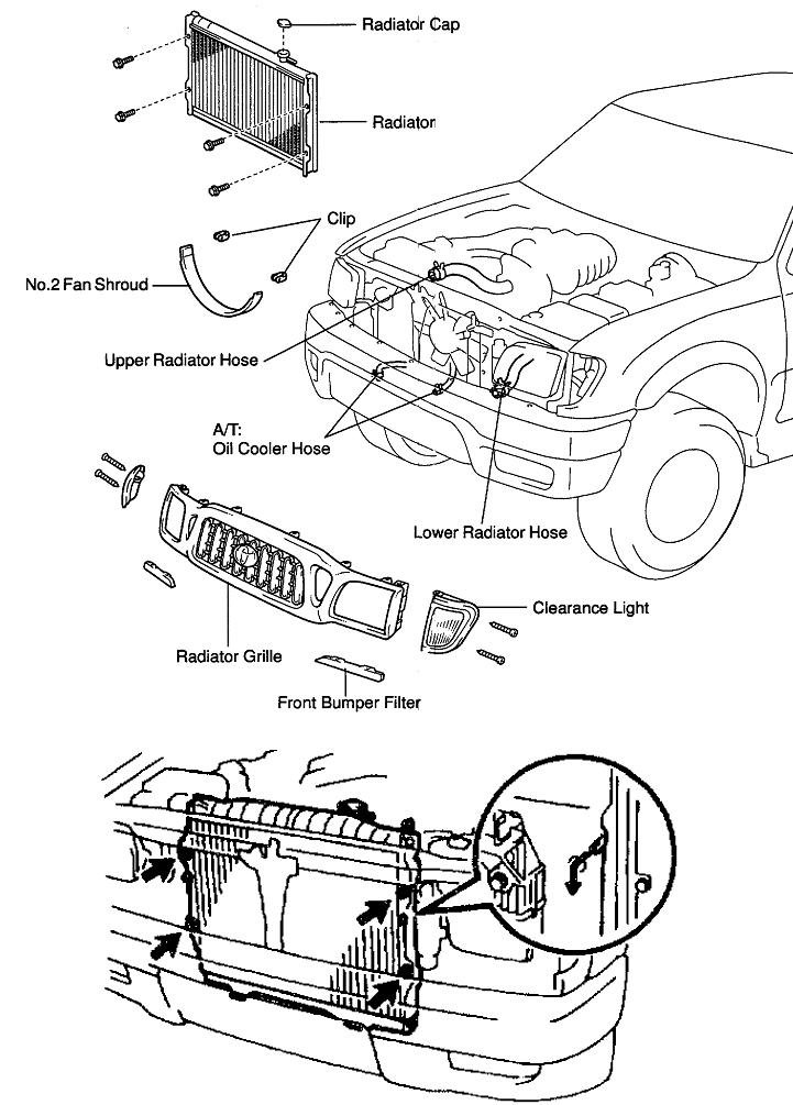
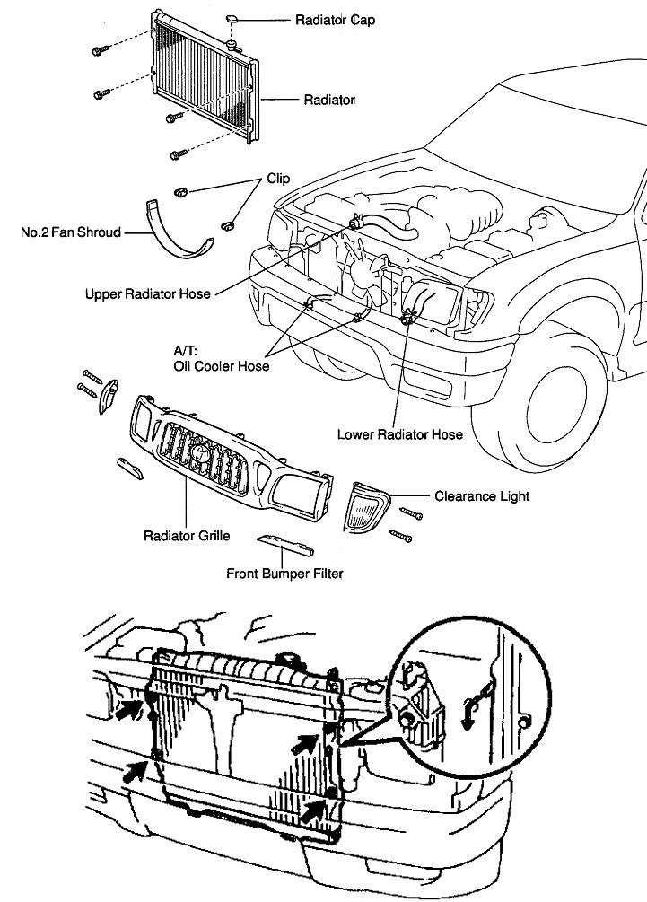
I'm trying to replace my radiator but don't want to shell out $275.00 for a Toyota Part Replacement (part #164100C032).
I've been looking online but there seems to be different core dimensions that aren't mentioned on the Toyota Part description.

18 5/8 Core
20 3/4 Core
22 5/8 Core

etc, etc,.
So how does one figure out what they need?
Feb 27, 2022 at 12:26 PM
Repair Safety Notice: This information is for general instructional purposes only. Vehicle repair can be dangerous. Verify all information, follow manufacturer service procedures, use proper tools and safety equipment, and consult a qualified repair shop when needed.
Advertisement
Avatar
CARADIODOC
  • CAR REPAIR CONTRIBUTOR
  • 34,308 POSTS
I use the Rock Auto web site for this type of problem. They list parts from multiple suppliers, and those suppliers do a real good job of including pertinent cross reference information. I found two listings for around $115.00 to $116.00. They're listed as a 20 3/4" core, the second choice you listed.

The people at your local auto parts stores or radiator repair shops should be able to give you the same information, but it's a pretty good bet you won't get as good a price. I ordered a radiator from Rock Auto for my '88 Grand Caravan a few years ago. It was from an aftermarket supplier and fit and worked perfectly.
Feb 28, 2022 at 6:43 AM
Advertisement