Radiator cooling fan does not turn off

Tiny
JASONMILLS
  • MEMBER
  • 1996 OLDSMOBILE ACHIEVA
  • 2.4L
  • 4 CYL
  • 2WD
  • AUTOMATIC
  • 102,000 MILES
Fan runs even with car off. Recent development. Tried unplugging sensor but the thermostat but it still runs. Where is the relay and how do I test. Or is there another sensor or controller I can check?
Thursday, August 27th, 2020 AT 7:40 AM

19 Replies

Tiny
4DRTOM
  • MECHANIC
  • 467 POSTS
Hello,

Some cars have a system that even if the car is off but the engine is hotter than it should be will keep the fans on for a little while. We need to verify that the motor isn't running hot to begin with. Are your fans staying on to the point where the battery is running down and you have to charge it? If not how long are they staying on for after the car is turned off? When the engine is cold make sure your coolant level is full. Both in the overflow and in the radiator itself. You could be low and should make sure it's not, also next time it has been running feel the upper and lower radiator hoses to feel if they are both warm. Once that's confirmed we can go through and see what else in the system would make them stick on. One more thing, when your hearing them on when the car is off can you tell if its the high or the low speed.
Was this
answer
helpful?
Yes
No
Thursday, August 27th, 2020 AT 11:02 AM
Tiny
JASONMILLS
  • MEMBER
  • 10 POSTS
I am having to disconnect the battery to stop it. Reconnect even after sitting all night and the fan immediately comes on again. I’ve had this car a couple years and it has never done this before. Coolant level is fine. Hoses are warm once it gets to temperature. Not sure if it’s running on high or low but seems like it is running pretty hard.
Was this
answer
helpful?
Yes
No
Thursday, August 27th, 2020 AT 11:30 AM
Tiny
KEN L
  • MASTER CERTIFIED MECHANIC
  • 55,488 POSTS
It sounds like you have a fan control relay sticking. here is a guide to help you test it to find out for sure with the location of the relay in the diagrams below:

https://www.2carpros.com/articles/how-to-check-an-electrical-relay-and-wiring-control-circuit

Check out the diagrams (below). Please let us know what you find.
Was this
answer
helpful?
Yes
No
Thursday, August 27th, 2020 AT 12:37 PM
Tiny
JASONMILLS
  • MEMBER
  • 10 POSTS
Well heck. Now the car won’t start. Lights come on the dash. I can hear the fuel pump load. But nothing when I turn the key. I have been pulling the negative battery connection when I park. I checked all the fuses I could find. I’m at a loss.
Was this
answer
helpful?
Yes
No
Thursday, August 27th, 2020 AT 4:05 PM
Tiny
4DRTOM
  • MECHANIC
  • 467 POSTS
Hi Jason,

Okay, that doesn't sound good, No click from the starter too. Check to see if the battery has run down if the fan has been constantly running even while driving then the alternator might be having a hard time keeping the battery topped off. The fan is taking that energy. It's probably related somehow. No recent work down on the car right? I'll get the diagrams and get them up here. I think Ken is probably right on the relay sticking.
Here is the starting circuit. Do you have a test light?
Tom
Was this
answer
helpful?
Yes
No
+1
Thursday, August 27th, 2020 AT 11:15 PM
Tiny
4DRTOM
  • MECHANIC
  • 467 POSTS
Hi Jason,

Here is the cooling fan diagram as well. It doesn't look like the two circuits have anything to cross. I think you should verify that the battery has a good charge and that the alternator is also putting out a solid 13.5 volt under load after we get it to start again. My suspicion is low voltage for whats up with the no crank condition. Try jump starting it, then get a VOM and test the voltage on the battery both running and not running.
Let me know what happens and what you find on the voltages.
Tom
Was this
answer
helpful?
Yes
No
+1
Thursday, August 27th, 2020 AT 11:38 PM
Tiny
JASONMILLS
  • MEMBER
  • 10 POSTS
Starting problem ended up being just the gear selector wasn’t fully in park. I don’t have a test light but I’m picking one up tonight along with a relay for the fan. Fingers crossed.
Was this
answer
helpful?
Yes
No
Friday, August 28th, 2020 AT 7:00 AM
Tiny
4DRTOM
  • MECHANIC
  • 467 POSTS
Good morning,

The gear selector not in Park, that enough to give a bit of a scare, lol. That's good though, you don't need anything else to go wrong.

Keep us posted,

Tom

2CarPros
Was this
answer
helpful?
Yes
No
Friday, August 28th, 2020 AT 8:21 AM
Tiny
JASONMILLS
  • MEMBER
  • 10 POSTS
Truth! I’ll report back after replacing the relay. I appreciate you and Ken helping me out!
Was this
answer
helpful?
Yes
No
Friday, August 28th, 2020 AT 8:33 AM
Tiny
4DRTOM
  • MECHANIC
  • 467 POSTS
Yes Sir,

It's our pleasure, I will keep an eye out for your update reply.
Tom
2CarPros
Was this
answer
helpful?
Yes
No
Friday, August 28th, 2020 AT 10:45 AM
Tiny
JASONMILLS
  • MEMBER
  • 10 POSTS
Okay. New relay installed. No malfunctions so far. Was only ten miles or so from auto parts store to home but it seems back to normal. Monday commute will be a bit more of a test. Thanks again for the help!
Was this
answer
helpful?
Yes
No
Saturday, August 29th, 2020 AT 9:53 AM
Tiny
KEN L
  • MASTER CERTIFIED MECHANIC
  • 55,488 POSTS
4DRTOM is one of our best! Use 2CarPros anytime, we are here to help. Please tell a friend.
Was this
answer
helpful?
Yes
No
Monday, August 31st, 2020 AT 6:26 PM
Tiny
JASONMILLS
  • MEMBER
  • 10 POSTS
Well. I’m not quite done asking questions I guess. Monday commute brought a service light to the dash and it’s making the fan run when it shouldn’t. Not all the way hot and too long. I’m going to stop and borrow a code reader today.
Was this
answer
helpful?
Yes
No
Tuesday, September 1st, 2020 AT 7:40 AM
Tiny
JASONMILLS
  • MEMBER
  • 10 POSTS
So code was stored. P0440. Evaporatortive emissions leak. I don’t understand.
Was this
answer
helpful?
Yes
No
Tuesday, September 1st, 2020 AT 9:27 AM
Tiny
4DRTOM
  • MECHANIC
  • 467 POSTS
Hi Jason,

The stored code was that before or after today's scan you are planning on?
Either way that code could be a simple as the gas cap not being tight but here is the over all description of it.
This diagnostic trouble code (DTC) is a generic powertrain code, which means that it applies to OBD-II equipped vehicles. Although generic, the specific repair steps may vary depending on make/model. This indicates that a part of the EVAP control system is no longer functioning correctly. The EVAP system consists of many parts, including (but not limited to) the gas cap, fuel lines, carbon canister, purge valve, and other hoses The (EVAP) emission control system prevents the escape of fuel vapors from a vehicle's fuel system. Fuel vapors are routed by hoses to a charcoal canister for storage. Later, when the engine is running a purge control valve opens allowing intake vacuum to siphon the fuel vapors into the engine.
Symptoms You likely won't notice any drivability problems. Causes A code P0440 could mean one or more of the following has happened: The gas cap is not installed or working properly The purge solenoid has failed The canister is plugged and not working properly.
AS for the fan still coming on before you feel it should be could be air in the cooling system migrating around. Has the car actually over heated lately? One way to know whether or not there is an air bubble int here is to fell the heat coming out of the cabin heating. If its hot then at some point gets cooler or cold that air moving around. Top off your radiator when the car is cold, make sure your coolant overflow canister has coolant in it up to its full line. Then go for a drive till it reaches normal operating temperature, when it cools off it should suck coolant out of the overflow into the radiator. Some cars your need to do this a couple of times especially if it in fact you had either run low because of a leak or an overheating event.
Let me now if those things help,
Tom
Was this
answer
helpful?
Yes
No
Tuesday, September 1st, 2020 AT 11:26 AM
Tiny
JASONMILLS
  • MEMBER
  • 10 POSTS
Hasn’t overheated lately. It is a closed and pressured system. It does have a small leak. However I check and top off regularly. Heating feels consistent. This car has had the p0440 plaguing it since I got it 3 years ago. This fan running more than it should and longer than it should is more recent. I don’t think it’s tied to the code. However, the fan runs properly when code is cleared and acts up when the code comes back. I had the code checked this morning and cleared. Drove a little ways no fan. Code returned and immediately the fan came on until I parked. I don’t understand how it would be connected but seems to be.
Was this
answer
helpful?
Yes
No
Tuesday, September 1st, 2020 AT 11:42 AM
Tiny
4DRTOM
  • MECHANIC
  • 467 POSTS
Hello,

Well, sound to me like getting to the bottom of the EVAP problem is in order then. With the information on the EVAP code previous mention check out those things listed. Gas cap, charcoal canister, purge valve, etc. For some reason the failure of that system is making the ECU think that the engine is hot therefore turning the fans on. Doing a temperature check on the engine is probably a good idea. Do you have a laser style temperature gauge? If so checking around the temperature sending unit would be a start.
Let me know,
Tom
Was this
answer
helpful?
Yes
No
+1
Tuesday, September 1st, 2020 AT 8:39 PM
Tiny
JASONMILLS
  • MEMBER
  • 10 POSTS
Copy. May be able to borrow one soon. Darn it what a pain. Again thank you for the help.
Was this
answer
helpful?
Yes
No
Tuesday, September 1st, 2020 AT 9:11 PM
Tiny
4DRTOM
  • MECHANIC
  • 467 POSTS
Hello,

Sure thing, no problem.
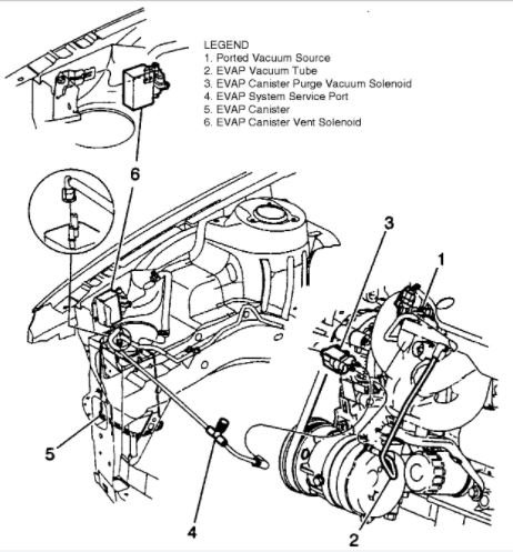
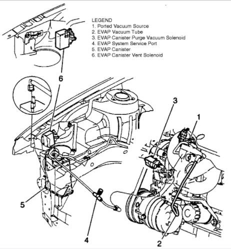
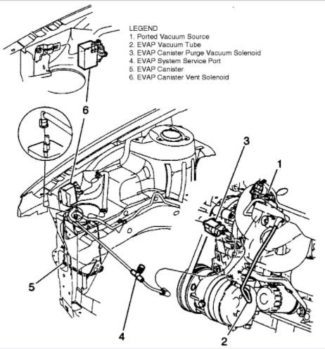
Yes, cars be be that way. Here is the EVAP system diagrams and the coolant temperature sensor location. Look at your system and see if any of the lines are near any hot parts of the motor. Not normal stuff like valve covers but the exhaust or the block itself. Check to see if anything is touching the coolant sensor as well.
Tom
Was this
answer
helpful?
Yes
No
+1
Wednesday, September 2nd, 2020 AT 6:05 PM

Please login or register to post a reply.