Sunday, June 18th, 2023 AT 11:03 AM
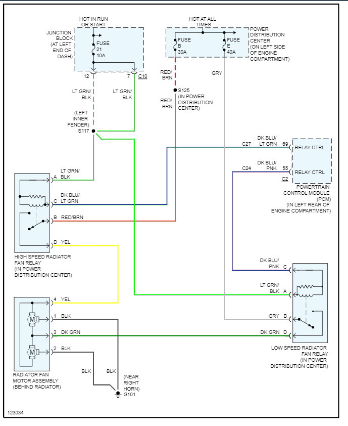
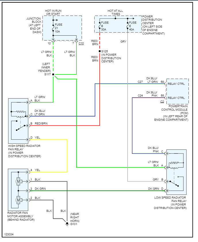
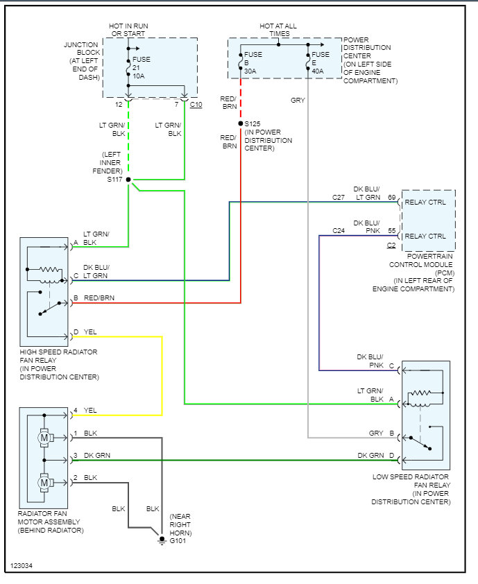
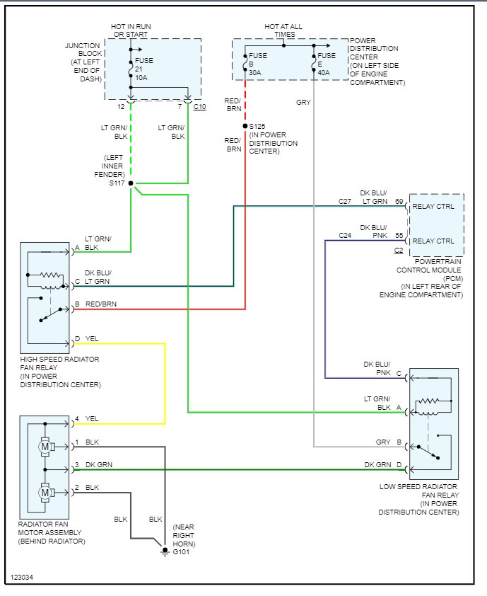
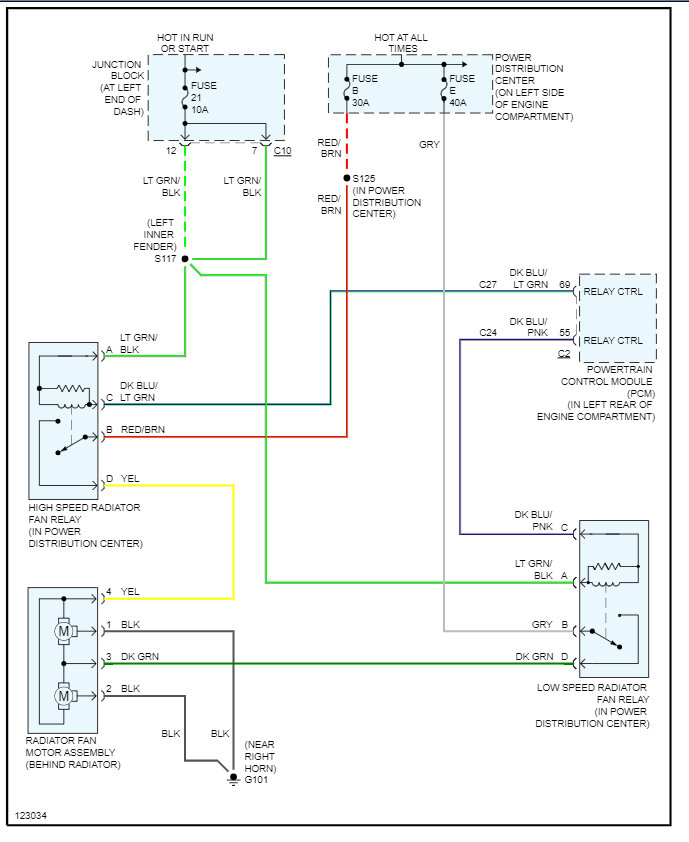
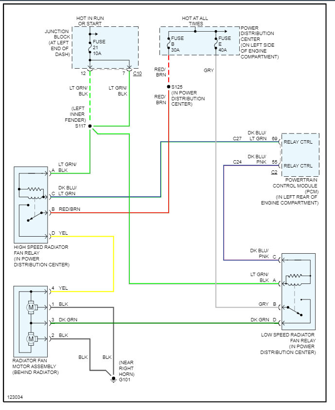
I had someone replace my radiator for me and they did not fix it to the fan shroud and the fan shroud fell forward or backwards. I mean into the pulley system and rubbed all the wires off of my fan shop to wear my fan was not working anymore. I was being helped the beginning of this month from two car pros and I ordered a new fan shroud from online and I got the exact fit kind, but the one I took out of my car listed above RT has two sensors on the fan the one I got that they have said it was a guaranteed fit does not have the two sensors on it. So I'm trying to figure out what those two sensors are on the fan.

