PW/PL 8-pin window switch wiring?

Tiny
CALVIN MING
  • MEMBER
  • 2008 CHEVROLET EXPRESS
  • 200 MILES
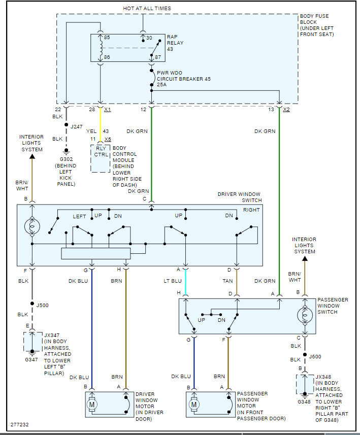
Replaced the door panel on my 2006 Express van and now have a 2008 door panel(by accident). Need the 8-pin wiring sequence for the 2008 door pw/pl switch.
So far everything else is working.
Thursday, October 3rd, 2024 AT 3:06 AM

1 Reply

Tiny
KEN L
  • MASTER CERTIFIED MECHANIC
  • 55,494 POSTS
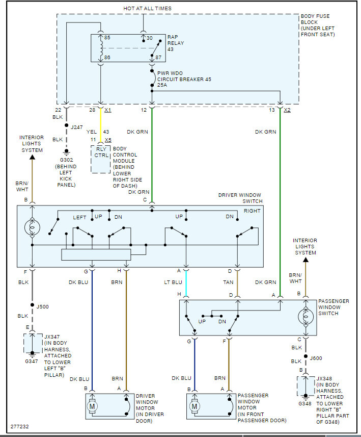
Sure here is the power window wiring diagrams for the 2008 chevy express. Check out the images (below). Let us know if you need anything else.
Was this
answer
helpful?
Yes
No
Thursday, October 3rd, 2024 AT 10:23 AM

Please login or register to post a reply.

Related Window Switch Replace/Remove Content

Window Switch Replacement and Test
VIDEO