Friday, July 28th, 2023 AT 11:13 PM
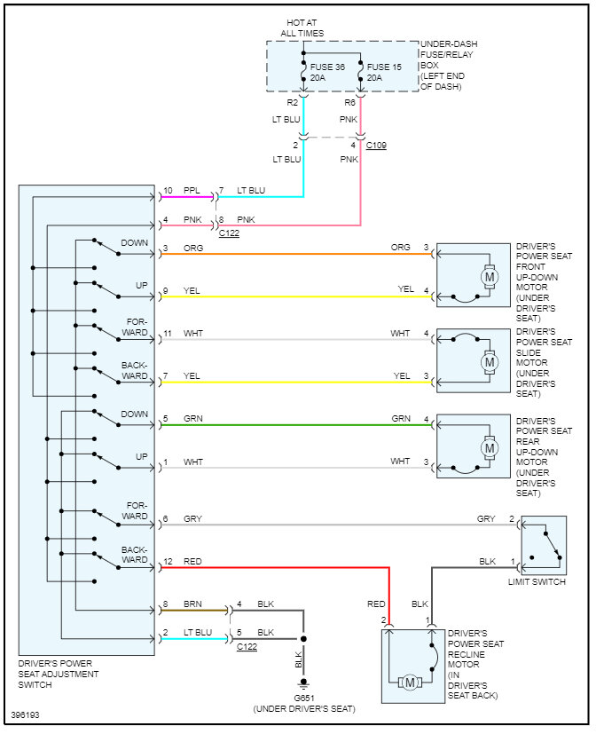
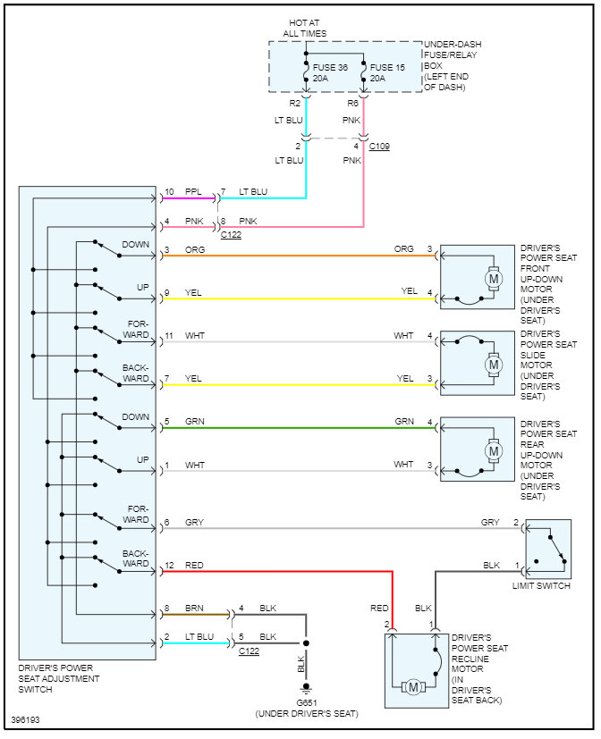
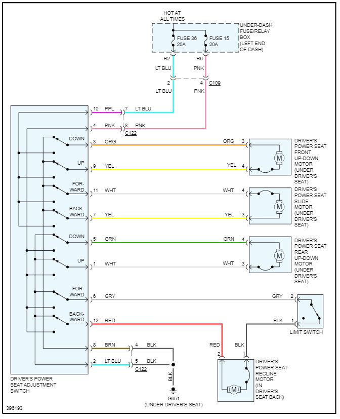
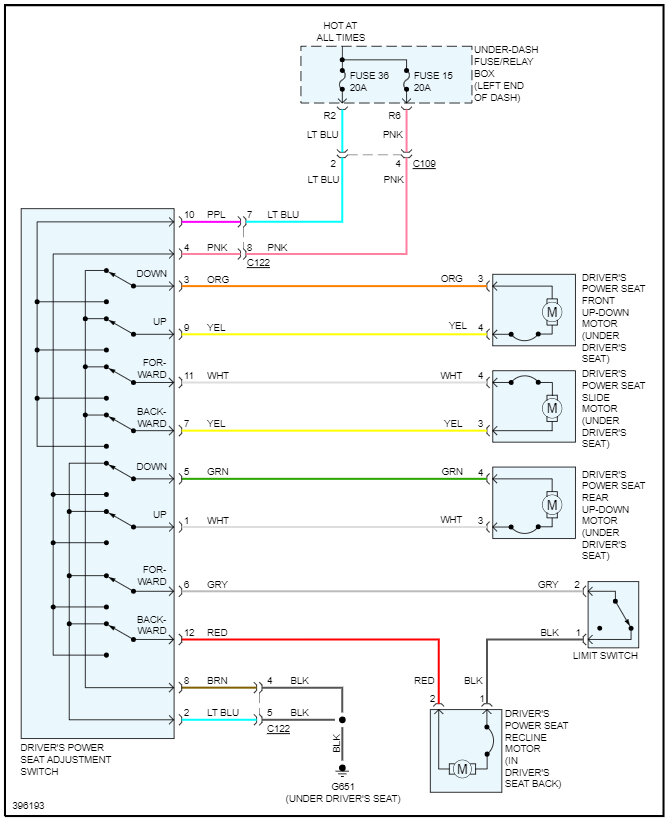
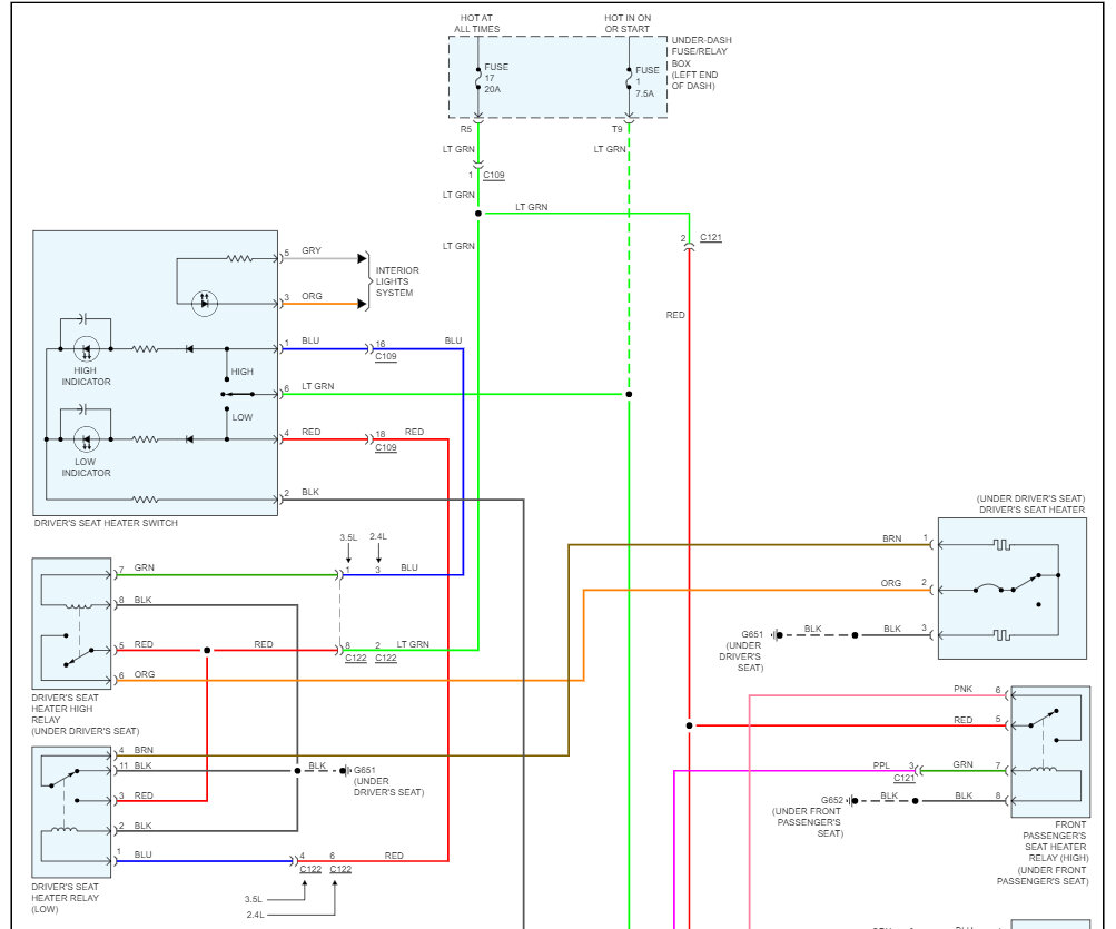
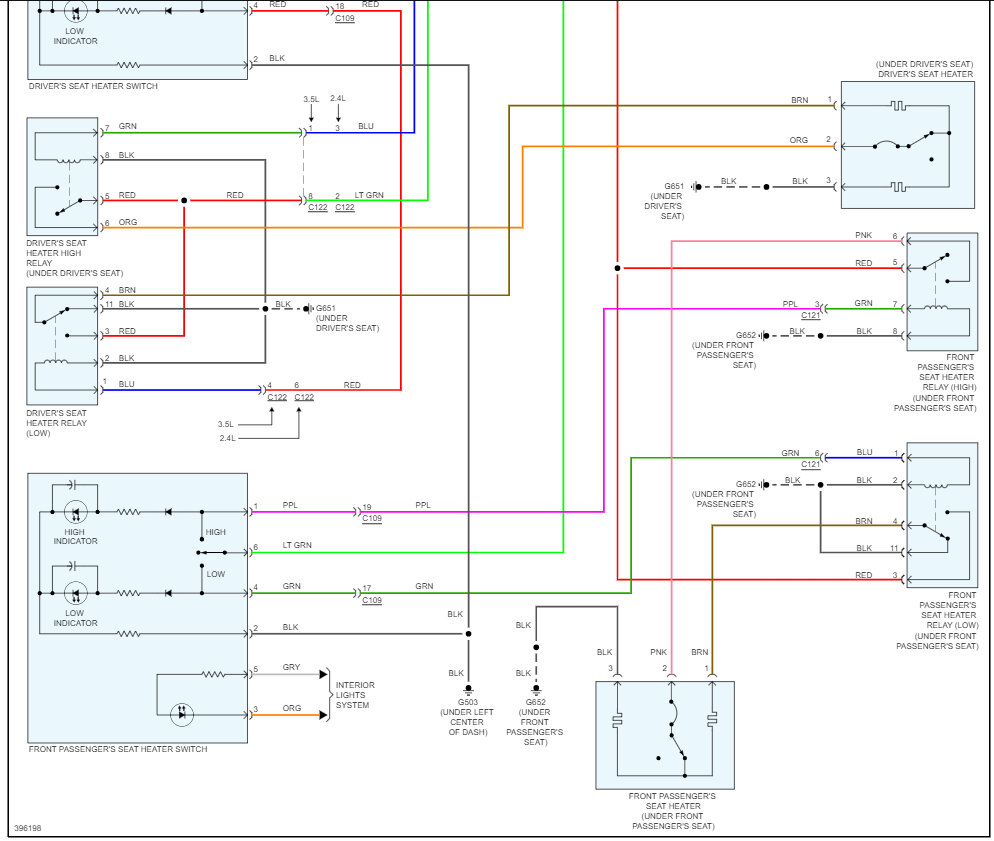
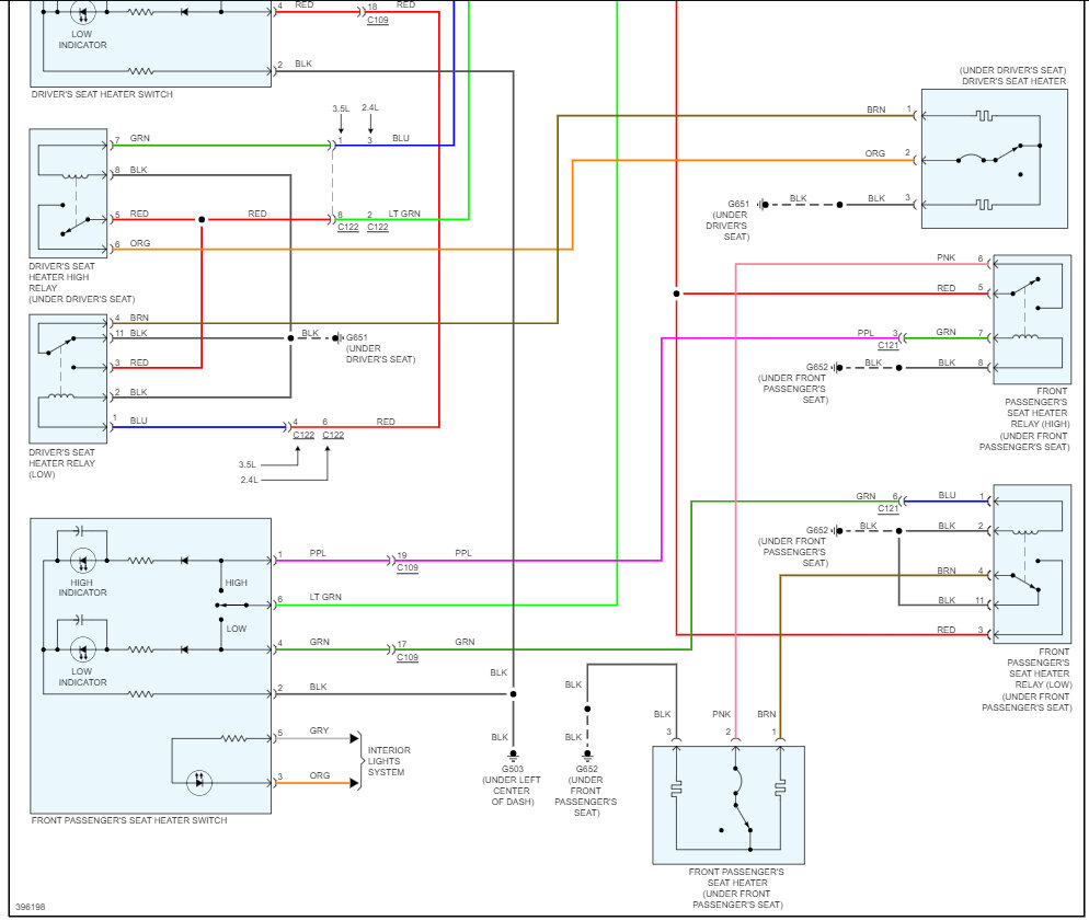
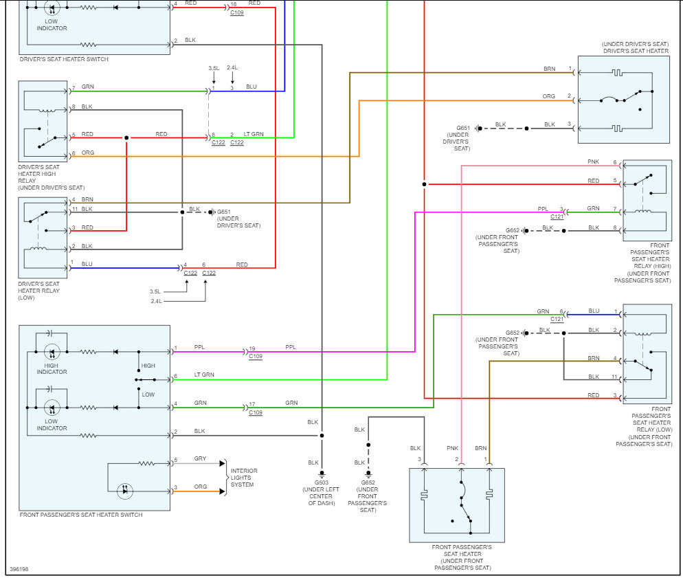
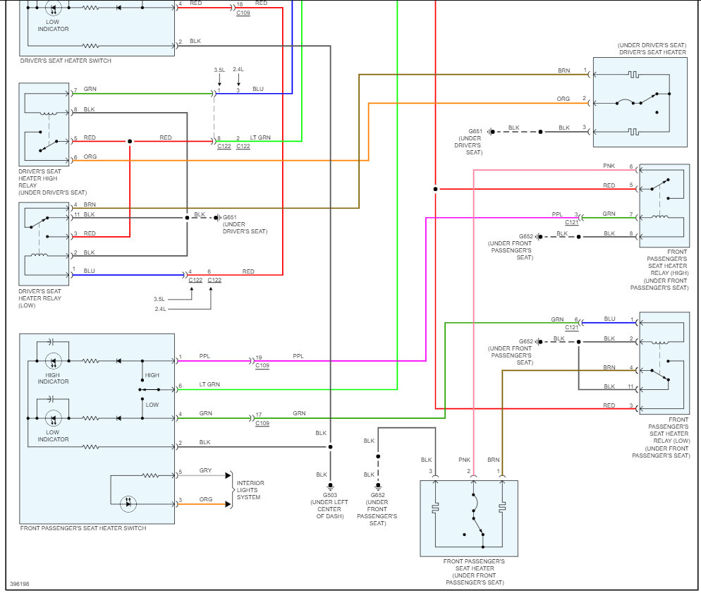
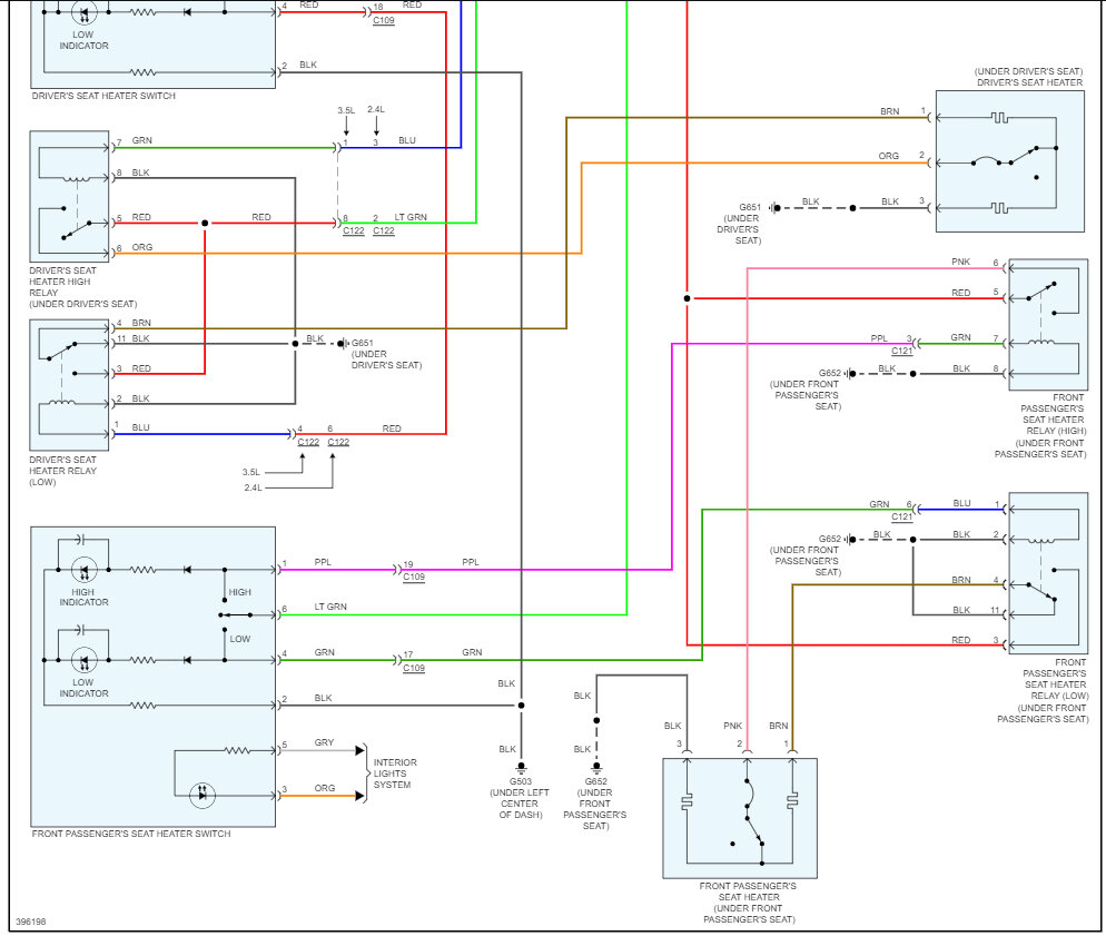
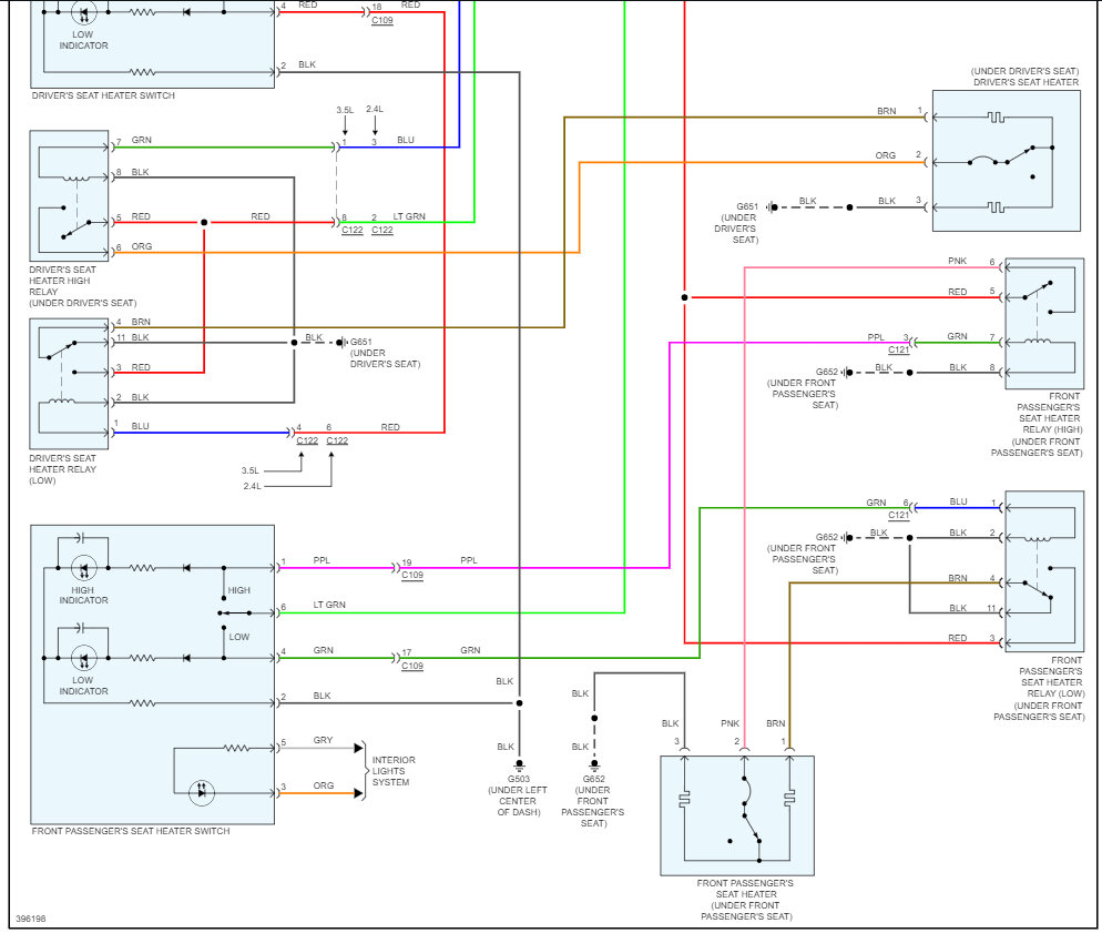
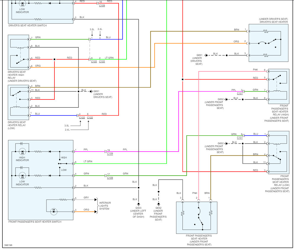
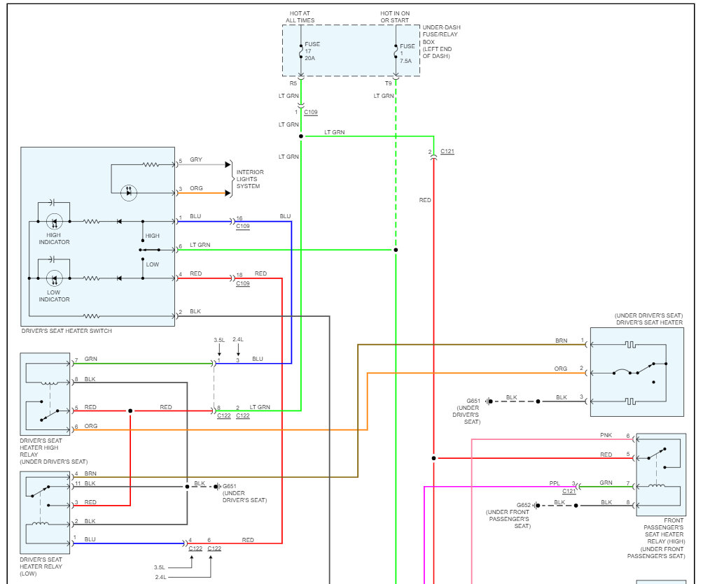
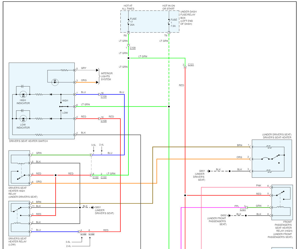
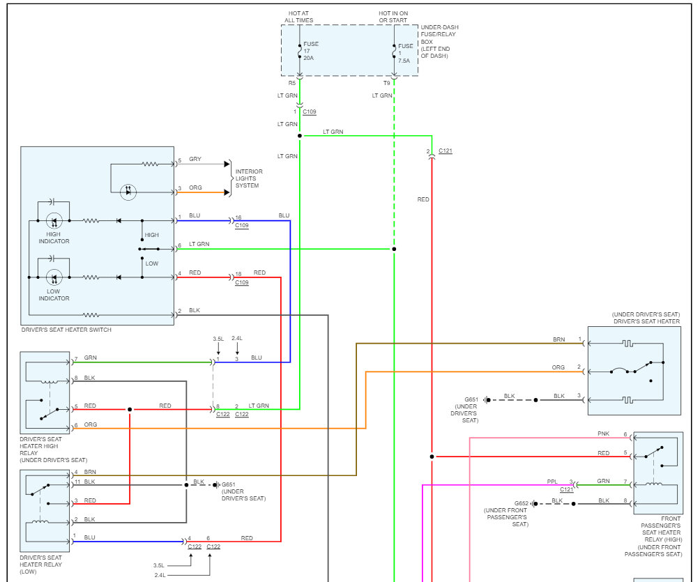
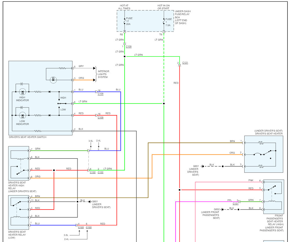
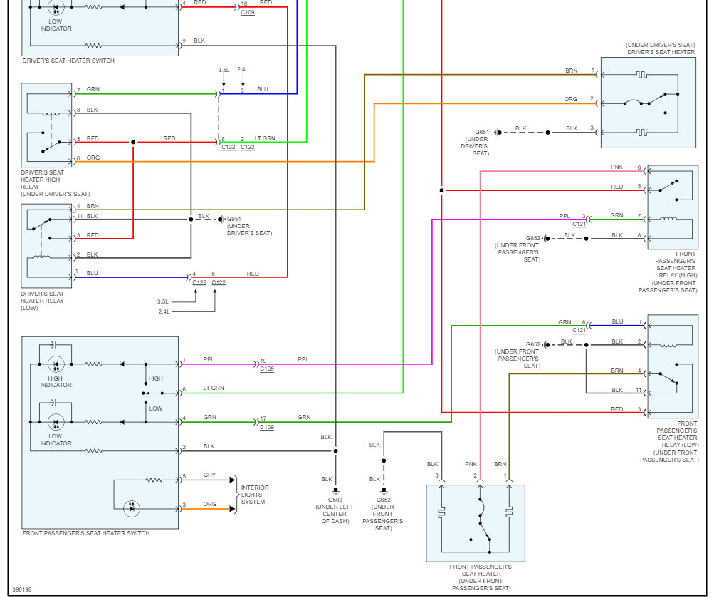
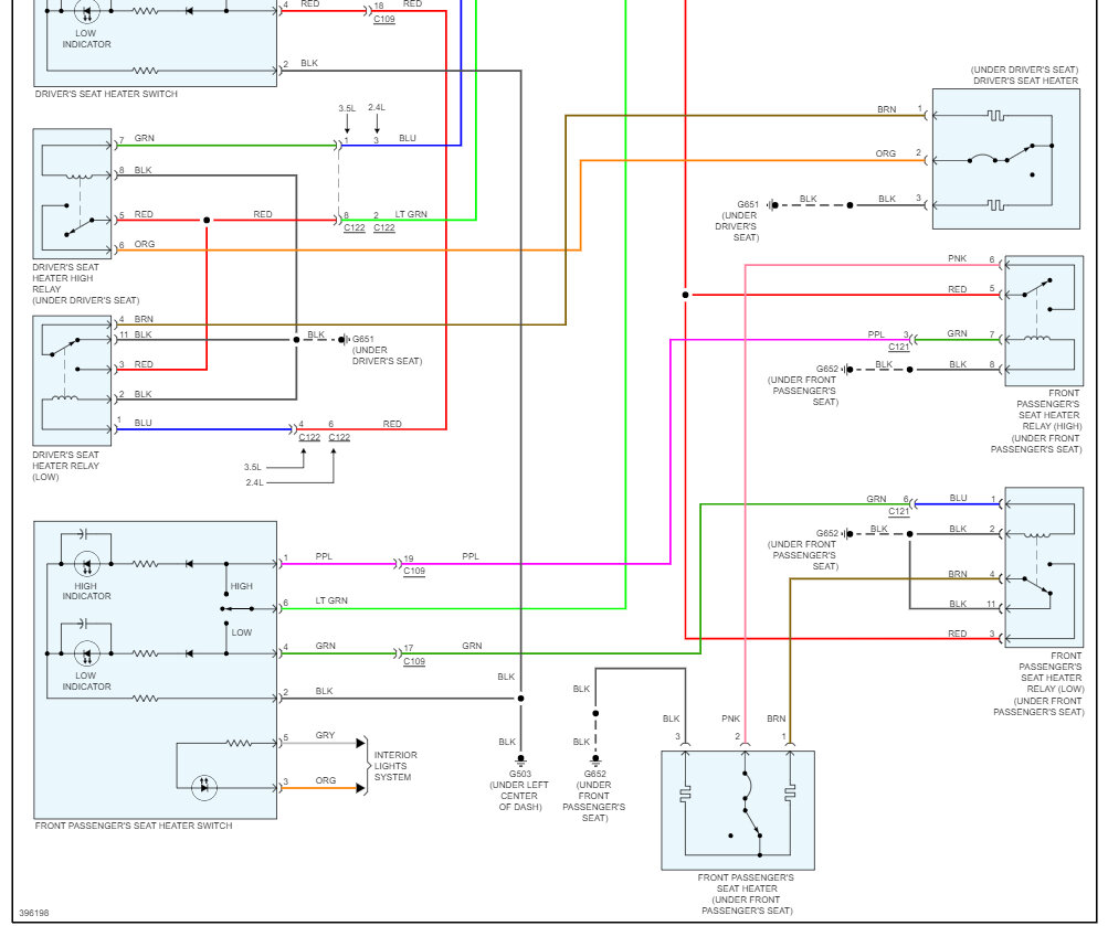
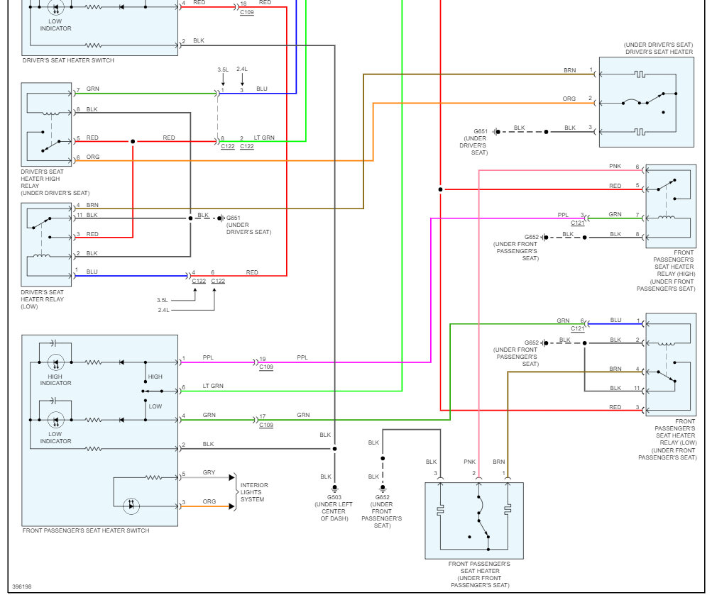
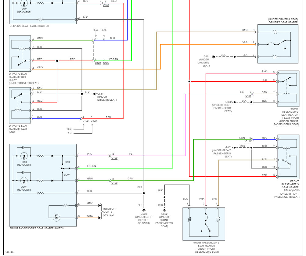
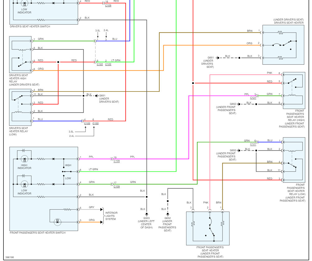
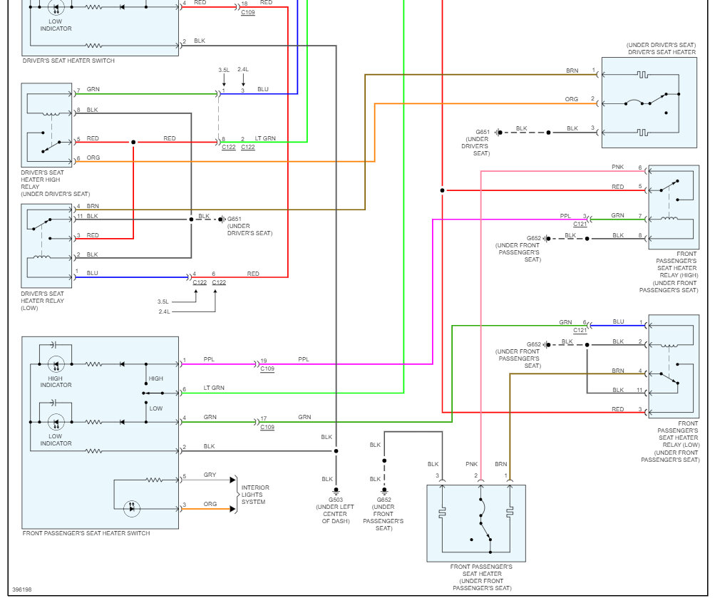
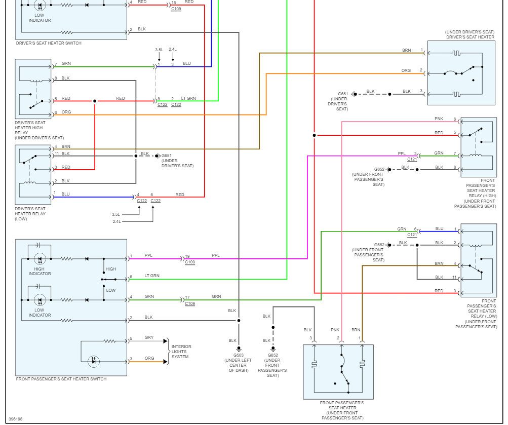
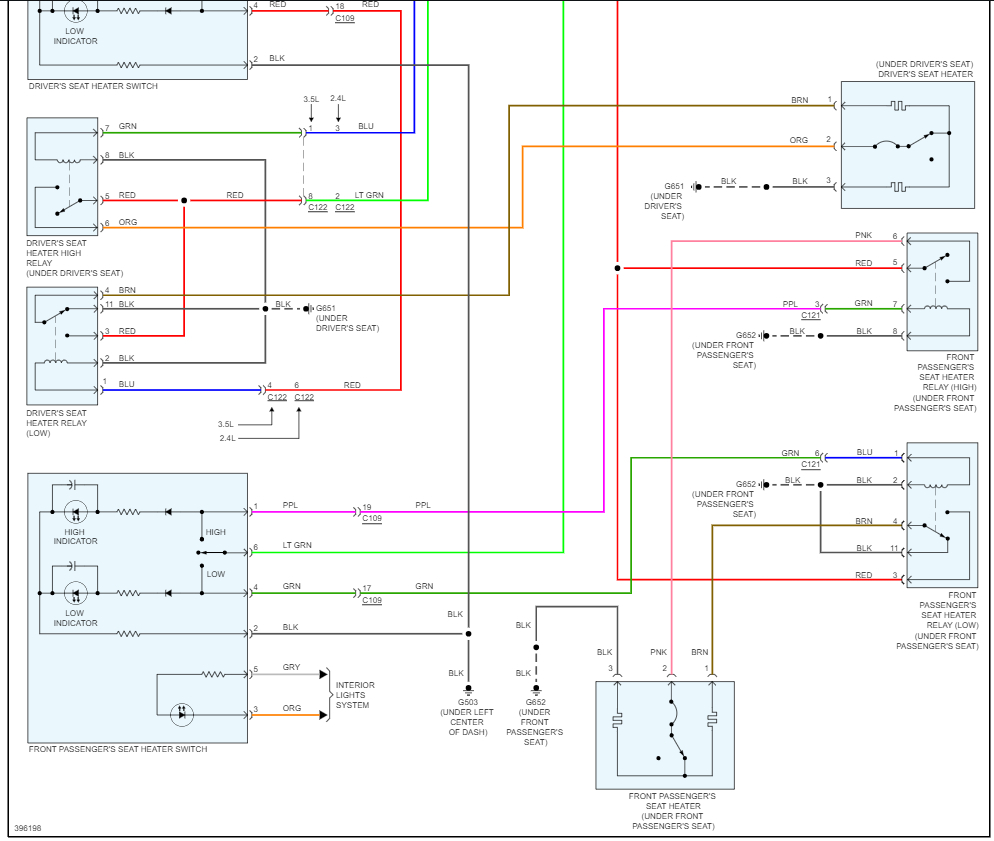
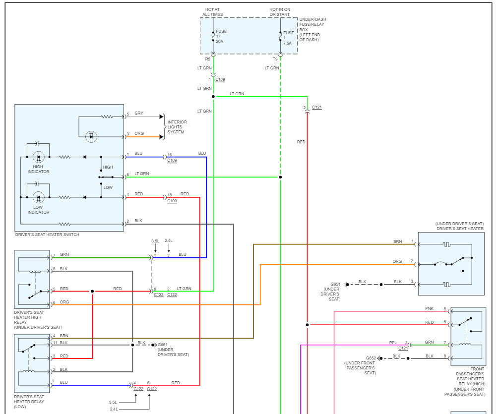
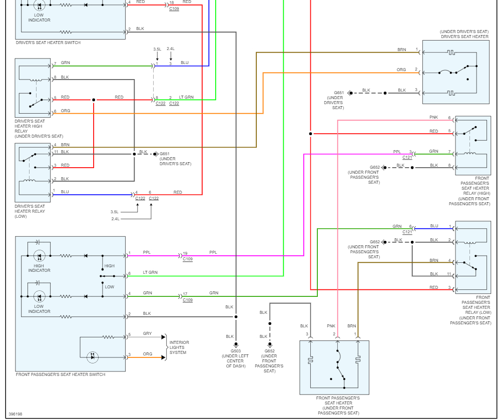
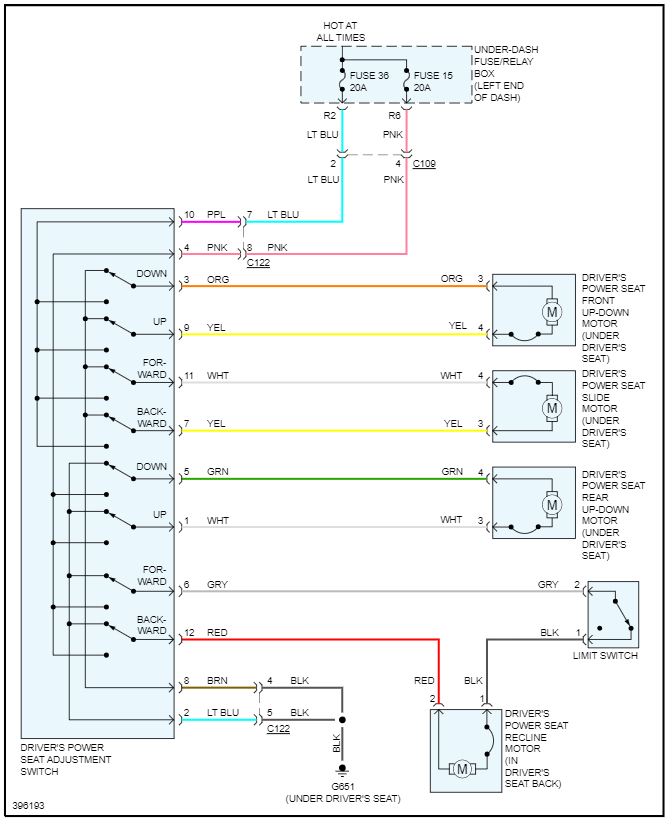
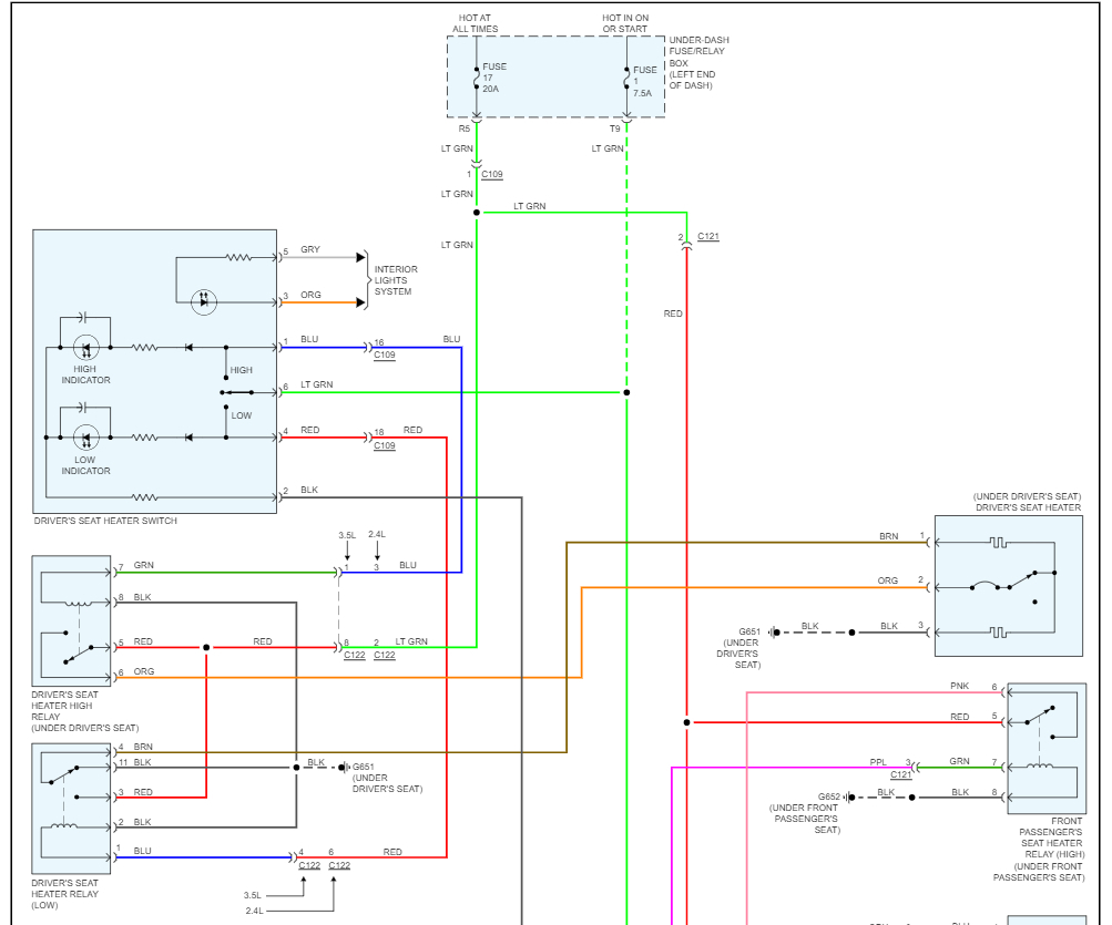
I have a pair of leather seats from a 2013 Honda Accord EX-L and want to install them in my car listed above Sport model. My Sport has electric driver seat and manual passenger seat. Both leather seats I will be installing are electric. I have the male and female side of the harness connectors from the EX-model because it was cut out instead of unplugged. My harness has 8 wires and the harness from the ex has 18 wires. Should I just cut my harness and match the color of wires and kill the rest? Or am I way off? Please help. I just want to adjust the seats like my original (heat etc. Not necessary but if easy I'll try).














