Saturday, March 30th, 2024 AT 4:53 AM
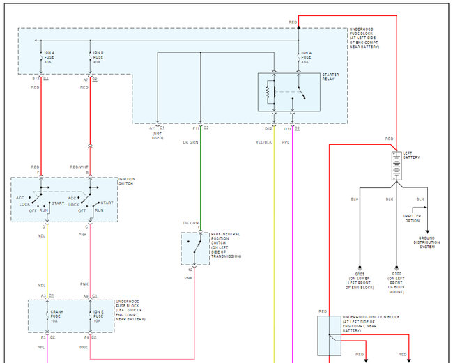
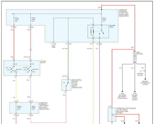
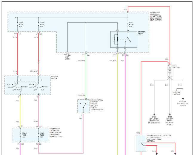
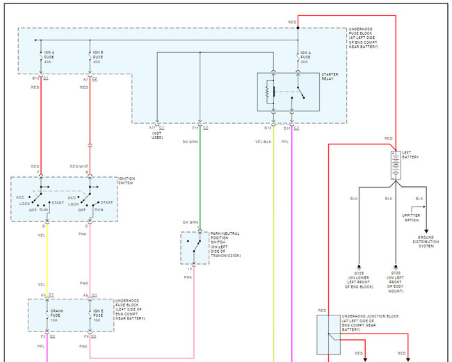
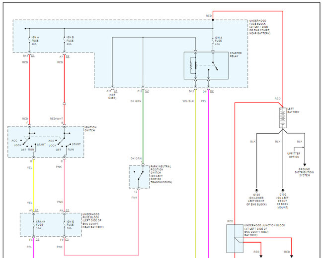
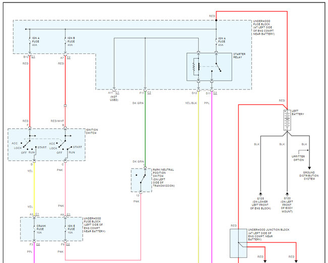
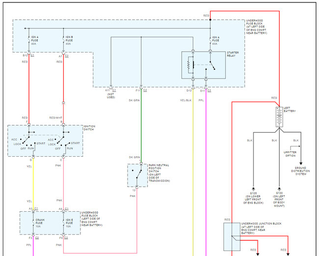
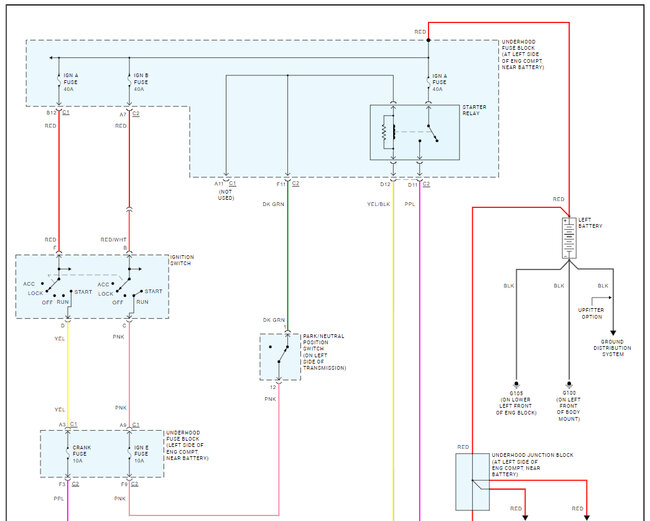
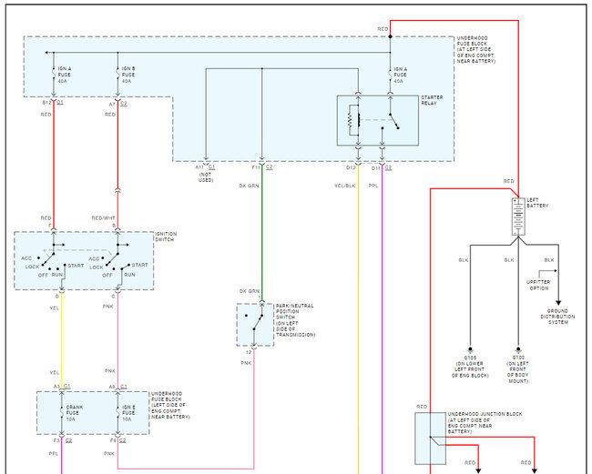
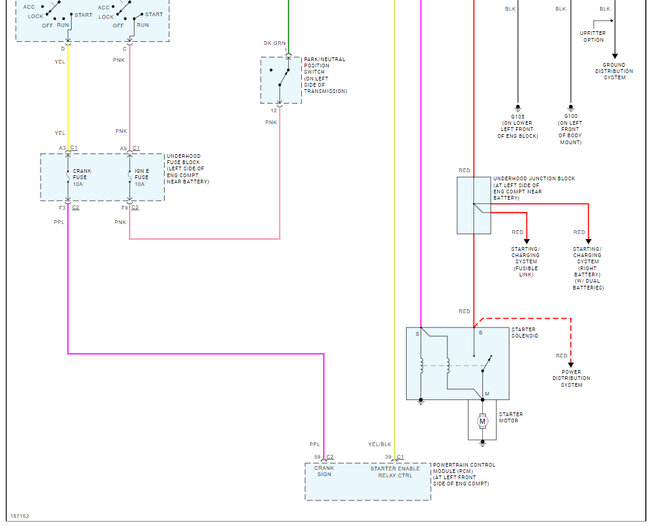
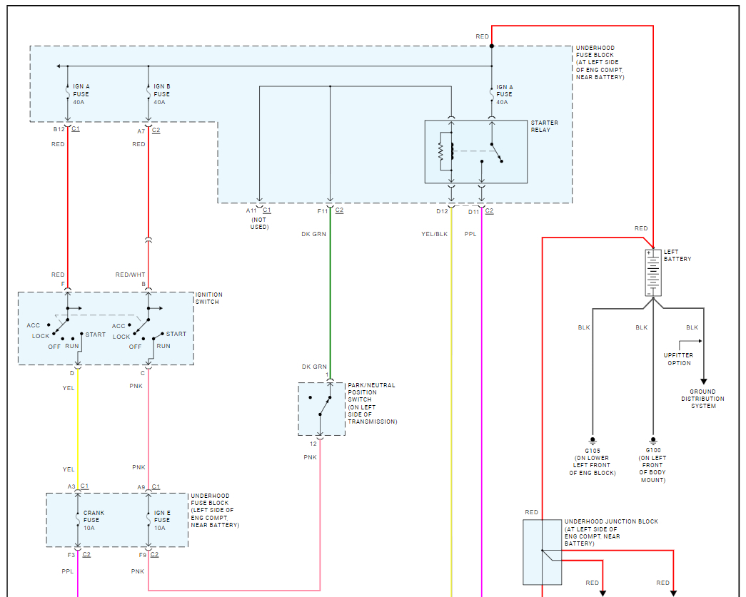
I have the vehicle listed above with a 6.0. I have the Crimestoppers cool start Keyless Entry and remote start installed. I have a push putting kit that I would like to add to my truck and was looking for information on how to integrate it. Do I use the starter wires as well? If so, do I need relays etc. I was thinking that it would be just the 6 ignition wires connection but I'm not sure. Thanks in advance.

