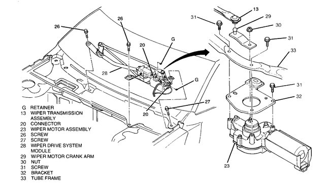
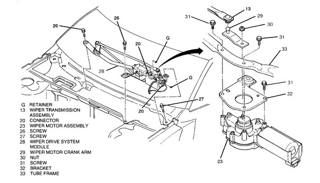
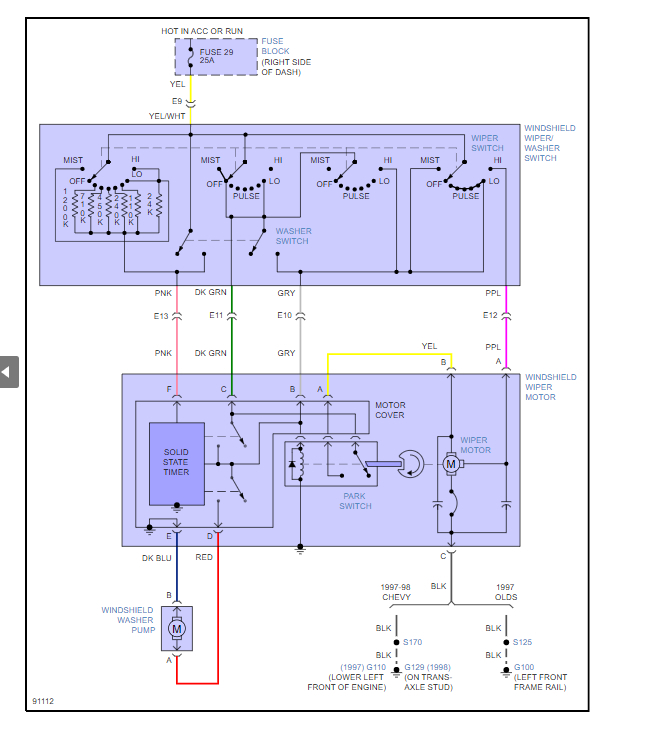
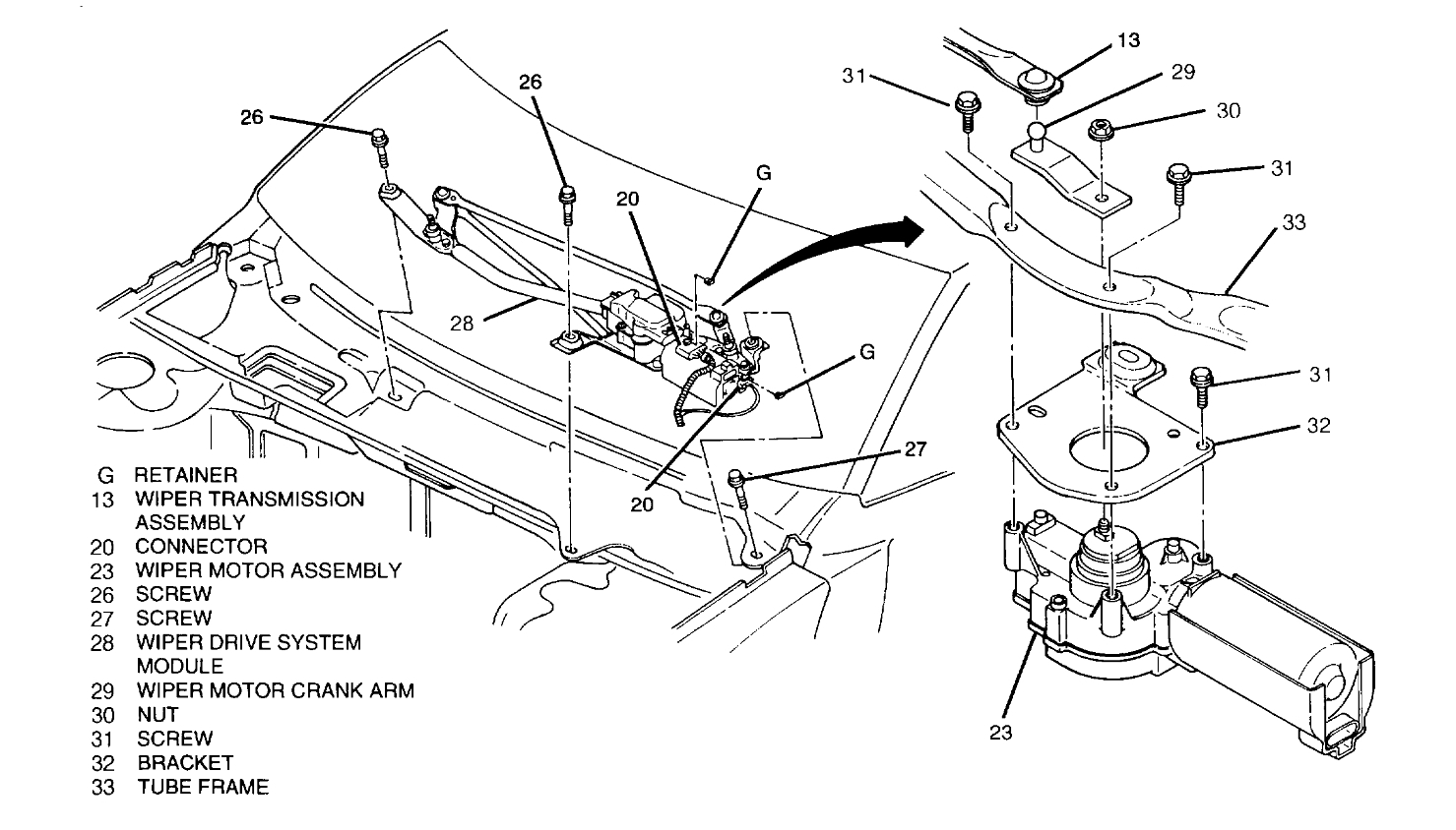
Monday, August 22nd, 2022 AT 3:49 PM
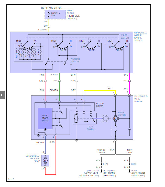
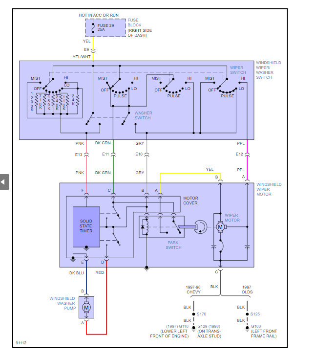
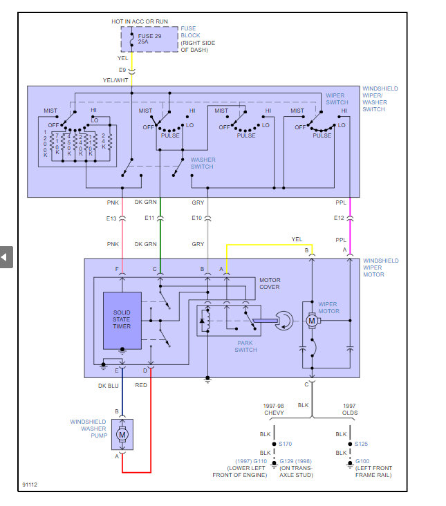
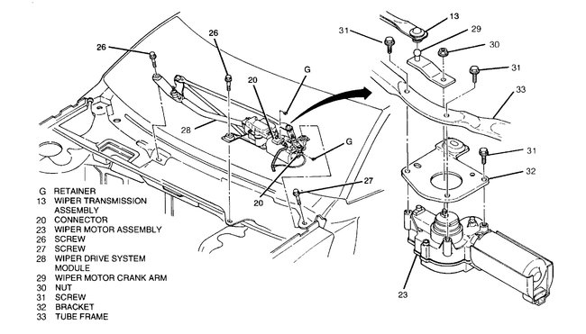
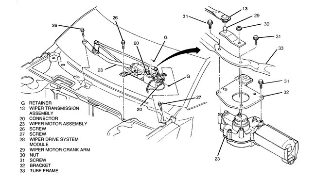
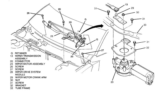
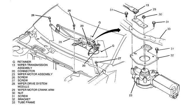
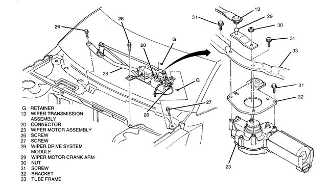
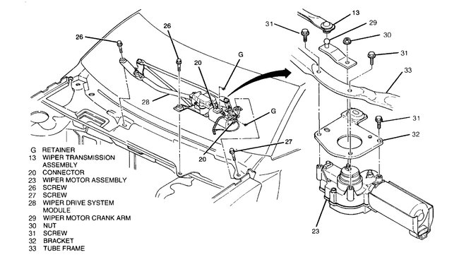
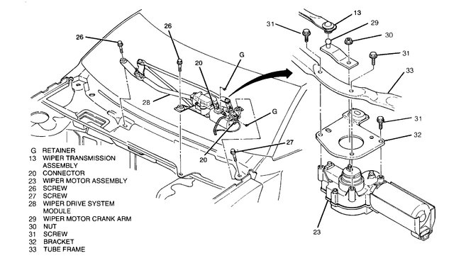
Put in new pump, nothing. I think it's the solid-state timer. Where is that located? Is it next to the wiper motor? Which is up close to the firewall. No pulse wipers but I do have low and fast wipers. When I push that half circle forward on the control wipers do come on for short period like they should but no washer fluid shots out. Thank you for any help.






