Need a good step by step guide to remove the engine

Tiny
ROGEROD
  • MEMBER
  • 2008 CHEVROLET SILVERADO
  • 6.0L
  • V8
  • 4WD
  • MANUAL
  • 144,000 MILES
I am good with my hands I just need a good step by step guide to remove the engine from my truck listed above 6.0 L76 Vortec Max. The part of disconnect the engine from the transmission. My first time doing this.
Tuesday, October 6th, 2020 AT 10:39 AM

10 Replies

Tiny
JACOBANDNICKOLAS
  • MECHANIC
  • 110,192 POSTS
Hi,

In addition to the video, I wanted to add step-by-step directions for an engine replacement. The pics and directions below include the procedures for removal and replacement. You will need a lift, an engine crane and floor jacks for supporting the transmission after the engine has been removed.

I attached a YouTube video of the removal for you. It will show you what needs to be done in live time.

https://www.youtube.com/watch?v=EKJLC_EjDxQ

Check out the diagrams (Below). Please let us know if you need anything else to get the problem fixed..
Was this
answer
helpful?
Yes
No
+3
Sunday, March 21st, 2021 AT 5:48 PM
Tiny
LESTERANDSARAH
  • MEMBER
  • 5 POSTS
  • 2003 CHEVROLET SILVERADO
What is the preferred or best way to remove the engine from this vehicle? The head gaskets have leaked and damaged the engine. I have a replacement, but, now need to remove the engine. Do I remove the transmission with the engine? Does it lift out or do I have to remove the radiator and grill etc. Thanks in advance.
Was this
answer
helpful?
Yes
No
+5
Wednesday, March 31st, 2021 AT 5:06 PM (Merged)
Tiny
DAVE H
  • MECHANIC
  • 13,384 POSTS
Hello. Thanks for the donation much appreciated.

Let me know if you need any diagrams listed or assistance along the way.

Removal Procedure:
Open the hood.
Place fender covers over both fenders.
Raise the hood to the service position, perform the following:
Fig. 309: Removing Hood Hinge Bolts
Courtesy of GENERAL MOTORS CORP.
3.1. Remove the hood hinge bolts (1).
3.2. Raise the hood until vertical.
3.3. Install the hood hinge bolts until snug in the service position (2).
Remove the air conditioning (A/C) compressor. Refer to COMPRESSOR REPLACEMENT (L18) or COMPRESSOR REPLACEMENT (LR4, LM7, AND LQ4) or COMPRESSOR REPLACEMENT (LB7).
Remove the radiator support. Refer to RADIATOR SUPPORT REPLACEMENT.
Remove the engine sight shield. Refer to Engine Sight Shield Replacement (4.8L, 5.3L, and 6.0L Engines) or Engine Sight Shield Replacement (6.0L Engine w/RPOs Y91 and Z88).
Open the hose clamp and remove the radiator inlet hose from the water pump.
Fig. 310: Removing Radiator Inlet Hose
Courtesy of GENERAL MOTORS CORP.
Open the hose clamp and remove the radiator outlet hose from the water pump.
Remove the heater hoses. Refer to HEATER HOSE REPLACEMENT - INLET (L18) or HEATER HOSE REPLACEMENT - INLET (LB7) or HEATER HOSE REPLACEMENT - INLET (LR4, LM7, LQ4) or HEATER HOSE REPLACEMENT - INLET (LU3) and HEATER HOSE REPLACEMENT - OUTLET (L18) or HEATER HOSE REPLACEMENT - OUTLET (LB7) or HEATER HOSE REPLACEMENT - INLET (LR4, LM7, LQ4) or HEATER HOSE REPLACEMENT - OUTLET (LU3).
Fig. 311: Removing Radiator Outlet Hose
Courtesy of GENERAL MOTORS CORP.
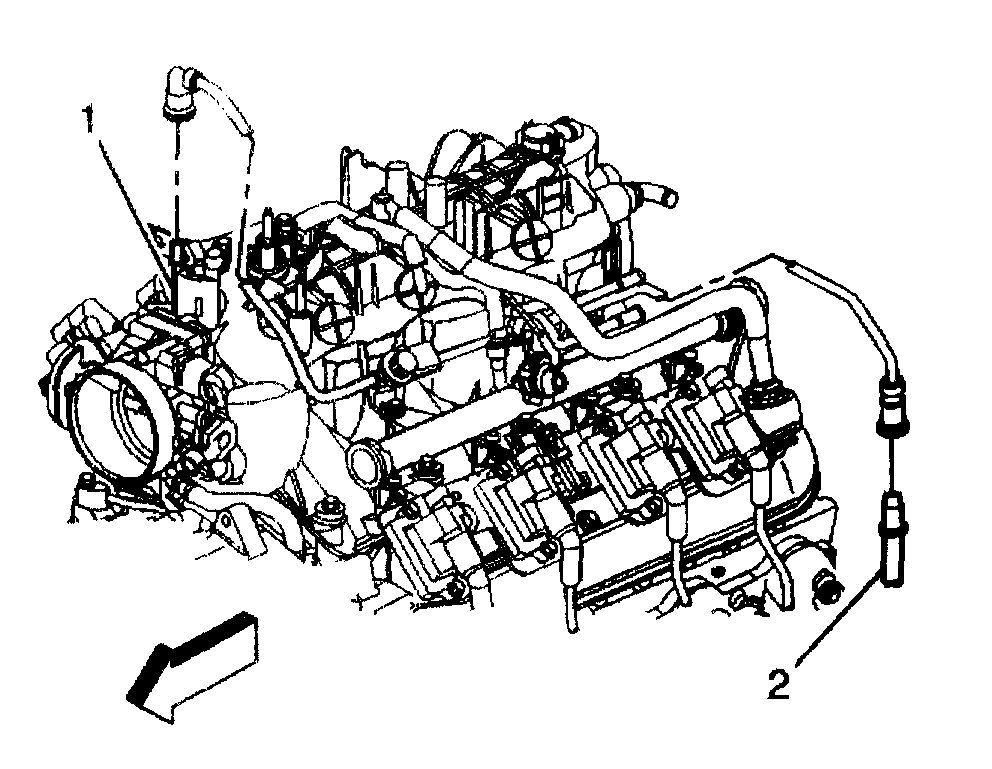
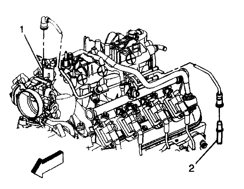
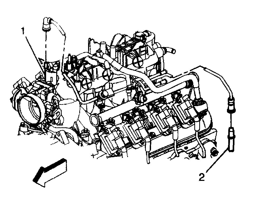
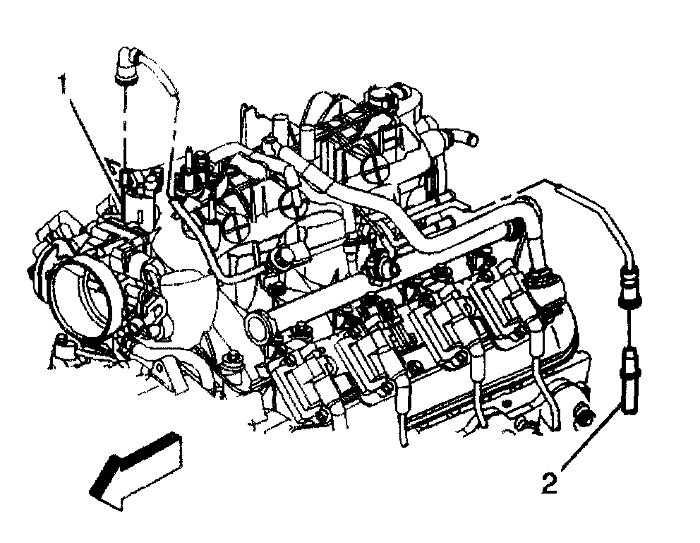
Disconnect the following electrical connectors:
Evaporative emissions (EVAP) canister purge solenoid (1)
Generator (3)
Remove the harness bracket nut (2) in order to remove the engine harness from the intake manifold.
Fig. 312: EVAP Canister Purge Solenoid, Harness Bracket Nut & Generator
Courtesy of GENERAL MOTORS CORP.
Reposition the vent inlet hose clamp at the throttle body.
Remove the radiator vent inlet hose from the throttle body.
Fig. 313: Removing Radiator Vent Inlet Hose
Courtesy of GENERAL MOTORS CORP.
Remove the generator cable from the generator, perform the following:
14.1. Slide the boot down revealing the terminal stud.
14.2. Remove the generator cable nut from the terminal stud.
14.3. Remove the generator cable.
Fig. 314: Removing Generator Cable & Nut
Courtesy of GENERAL MOTORS CORP.
Disconnect the main coil harness (2) and fuel injector electrical connectors on the left side.
Fig. 315: Disconnect Main Coil Harness
Courtesy of GENERAL MOTORS CORP.
Disconnect the following electrical connectors:
Main coil harness (1)
Fuel injectors (2)
Electronic throttle control (ETC) (3)
Fig. 316: Main Coil Harness, Fuel Injectors & ETC Electrical Connectors
Courtesy of GENERAL MOTORS CORP.
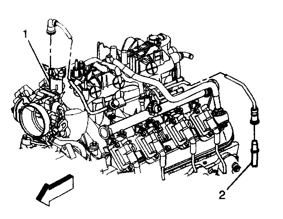
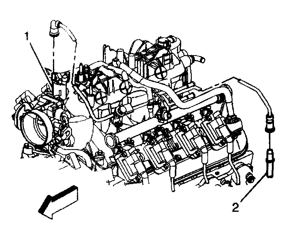
Disconnect the manifold absolute pressure (MAP) sensor (1) and knock sensor (2) electrical connectors.
Fig. 317: Disconnect Manifold Absolute Pressure (MAP) Sensor & Knock Sensor Electrical Connectors
Courtesy of GENERAL MOTORS CORP.
Remove the harness ground bolt.
Reposition the harness ground and negative battery cable from the block.
Disconnect the following electrical connectors:
Engine coolant temperature (ECT) sensor (1)
Electronic variable orifice switch (2)
Fig. 318: Harness Ground Bolt, ECT Sensor & Electronic Variable Orifice Switch
Courtesy of GENERAL MOTORS CORP.
Remove the harness ground bolt at the right rear of the engine block.
Reposition the harness ground, and auxiliary negative battery cable, if equipped, from the block.
Remove the harness ground bolt at the left rear of the engine block.
Reposition the harness ground, and engine ground strap from the block.
Disconnect the following electrical connectors:
Oil pressure sensor (1)
Camshaft position (CMP) sensor (2)
Unclip all of the engine harness clips from the engine.
Fig. 319: Harness Ground Bolt, Oil Pressure Sensor & CMP Sensor
Courtesy of GENERAL MOTORS CORP.
Remove the battery cable junction block from the junction block bracket.
Fig. 320: Battery Cable Junction Bracket
Courtesy of GENERAL MOTORS CORP.
Remove the EVAP purge solenoid vent tube; perform the following:
Remove the EVAP tube end from the solenoid (1).
Remove the EVAP tube end from the vapor pipe (2).
Disconnect the fuel pipes. Refer to REMOVAL & INSTALLATION (METAL COLLAR).
Raise the vehicle.
Fig. 321: Solenoid & Vapor Pipe
Courtesy of GENERAL MOTORS CORP.
Disconnect the following electrical connectors:
Crankshaft position (CKP) sensor (1)
Engine oil sensor (6)
Coolant heater, if equipped.
Fig. 322: Disconnect Crankshaft Position (CKP) Sensor & Engine Oil Sensor
Courtesy of GENERAL MOTORS CORP.
Remove the battery cable channel bolt.
Slide the channel pin out of the oil pan tab.
Gather all branches of the engine wiring harness and reposition off to the side.
Lower the vehicle.
Fig. 323: Removing Battery Cable Channel Bolt
Courtesy of GENERAL MOTORS CORP.
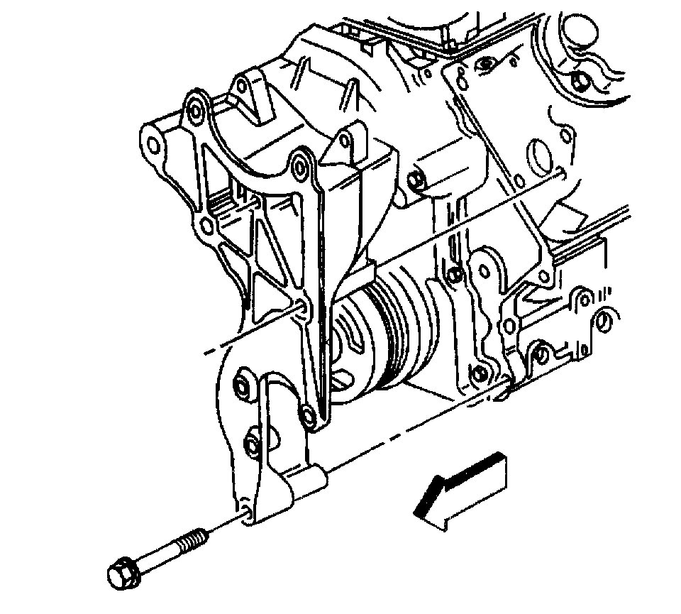
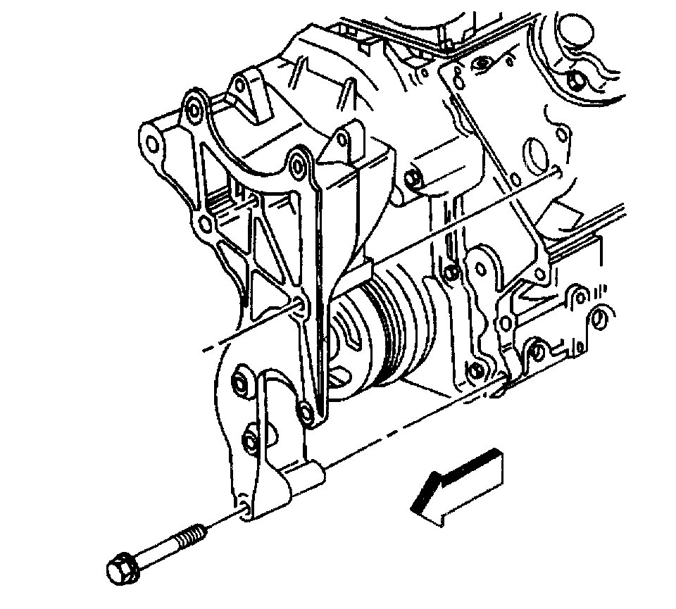
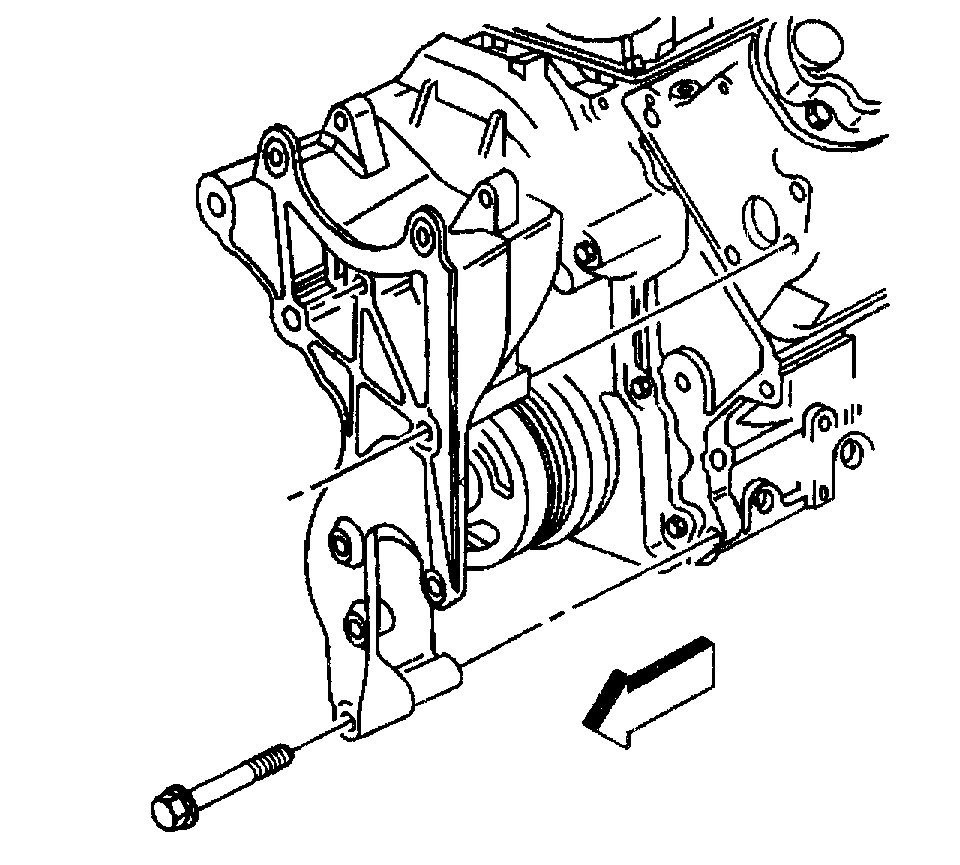
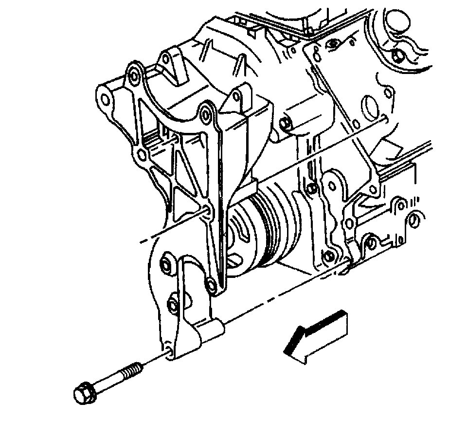
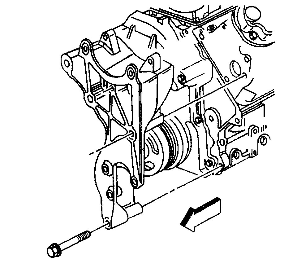
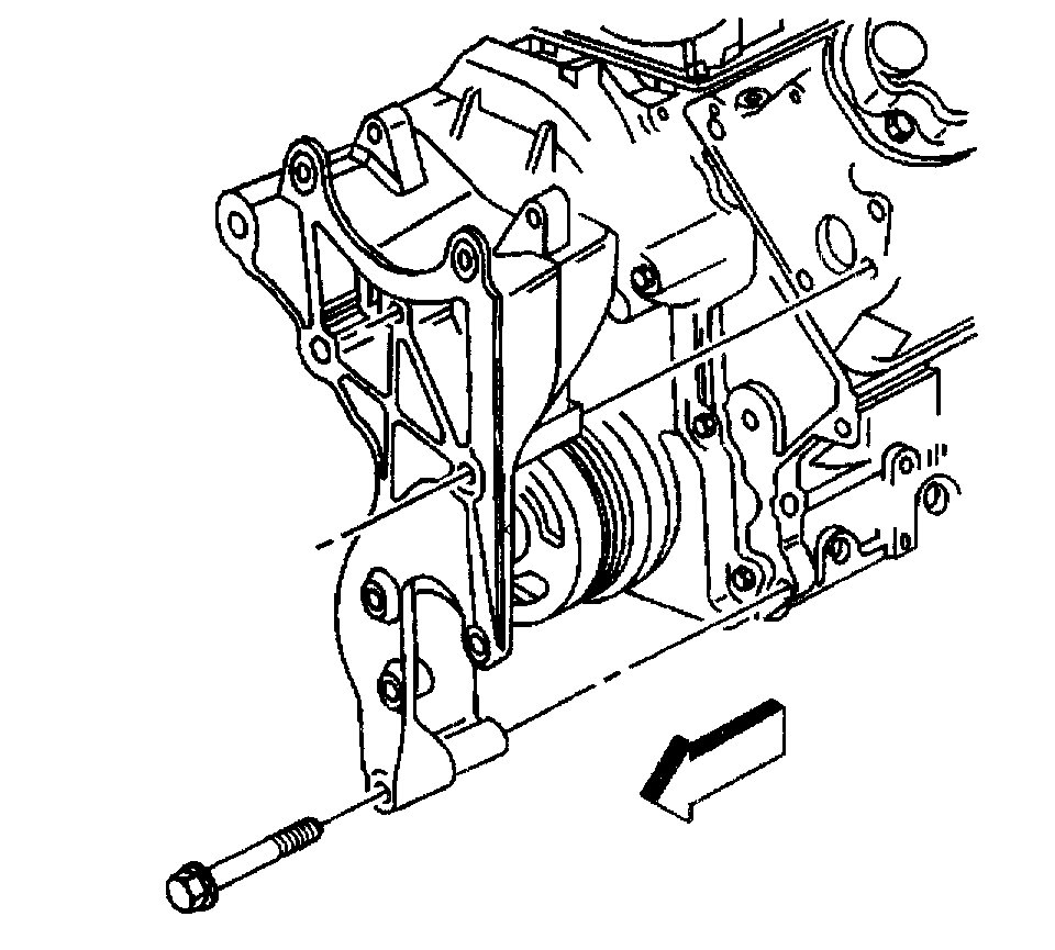
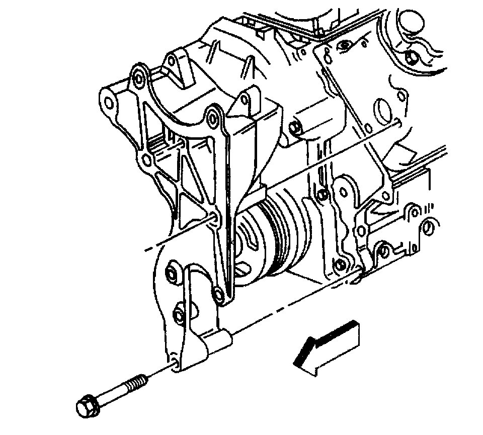
Remove the rear power steering to engine block bolt.
Remove the generator bracket bolts.
Position the bracket aside.
Fig. 324: Removing Generator Bracket Bolts
Courtesy of GENERAL MOTORS CORP.
Remove the vacuum brake booster hose.
Remove the ignition coil(s) (as required) for the proper fit of the J 41798 before lifting the engine. Refer to REMOVAL (4.8L, 5.3L, 6.0L & 8.1L).
Fig. 325: Removing Vacuum Brake Booster Hose
Courtesy of GENERAL MOTORS CORP.
NOTE:Refer to FASTENER NOTICE.

Install the J 41798 to the cylinder heads.
Tighten
Tighten the M8 bolts to 25 N.M (18 lb ft).
Tighten the M10 bolts to 50 N.M (37 lb ft).
Fig. 326: Installing J 41798
Courtesy of GENERAL MOTORS CORP.
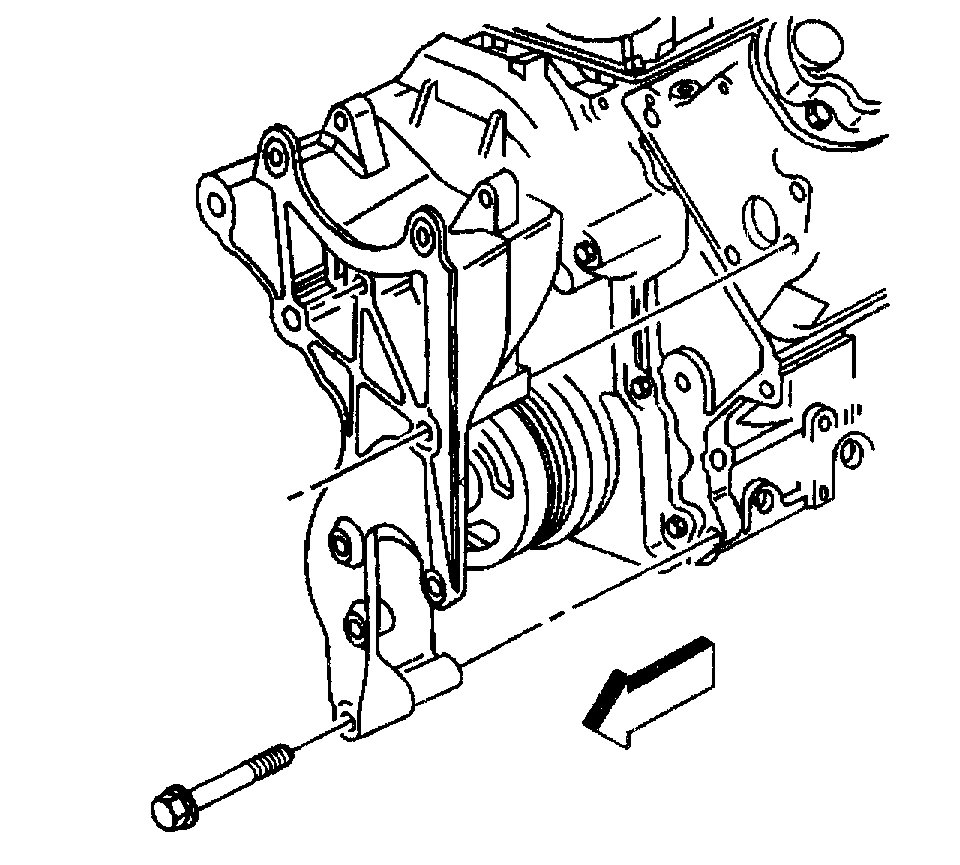
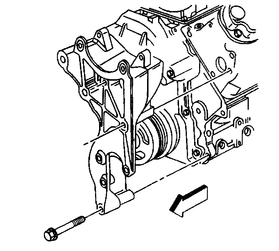
Remove the left and right engine mount to engine mount bracket bolts.
Raise the vehicle.
Fig. 327: Removing Left & Right Engine Mount To Engine Mount Bracket Bolts
Courtesy of GENERAL MOTORS CORP.
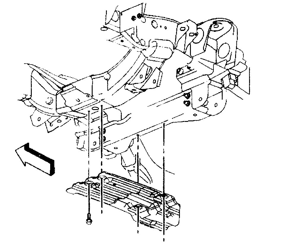
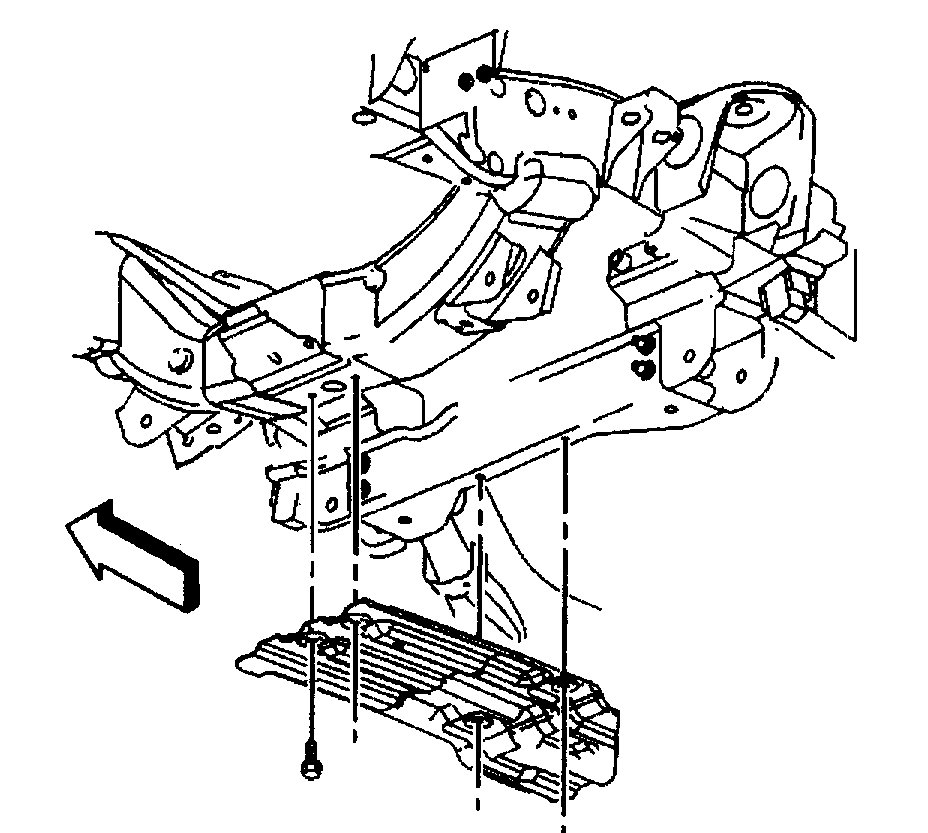
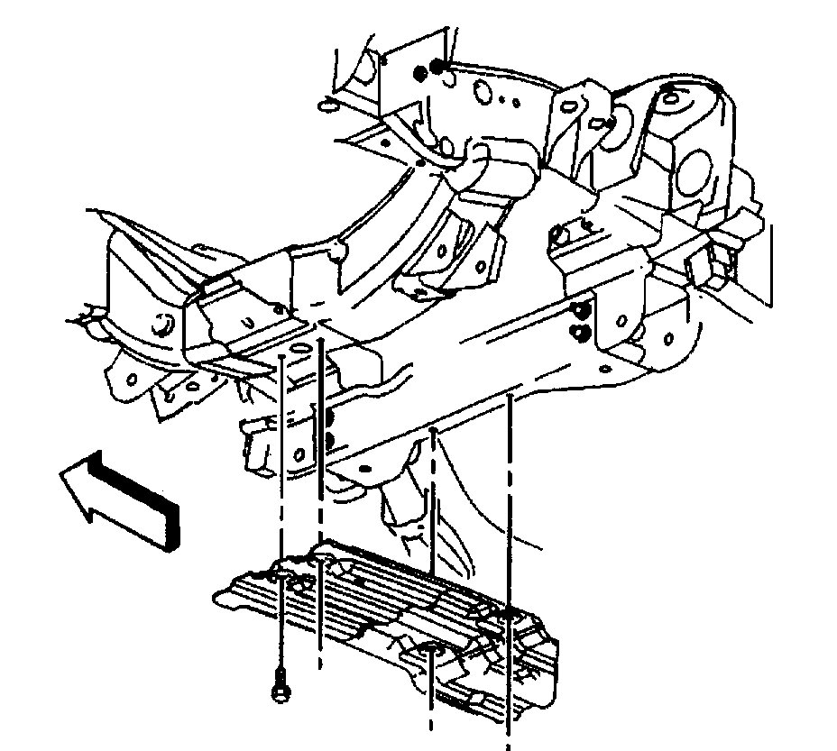
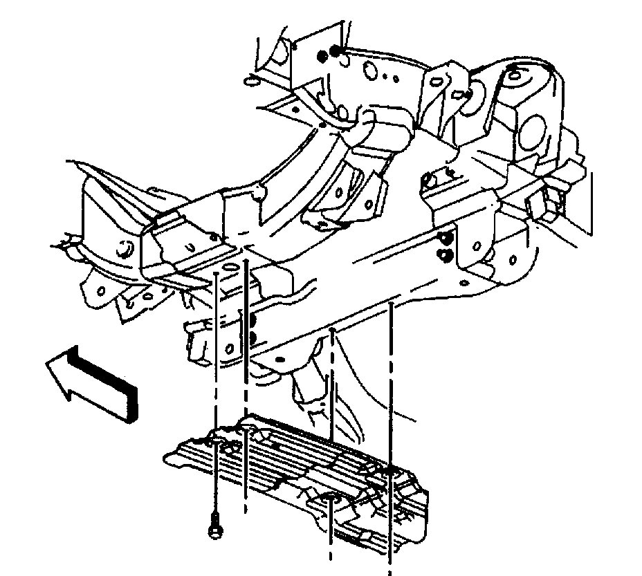
Remove the engine sight shield bolts and shield.
Fig. 328: Removing Engine Sight Shield & Bolts
Courtesy of GENERAL MOTORS CORP.
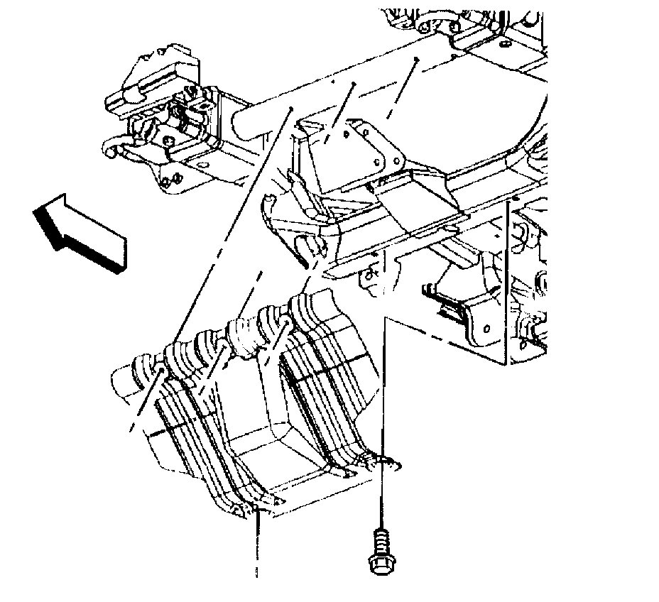
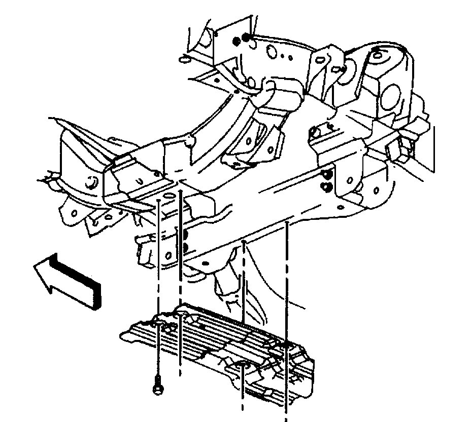
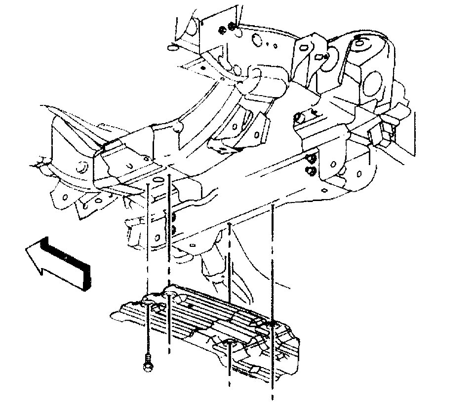
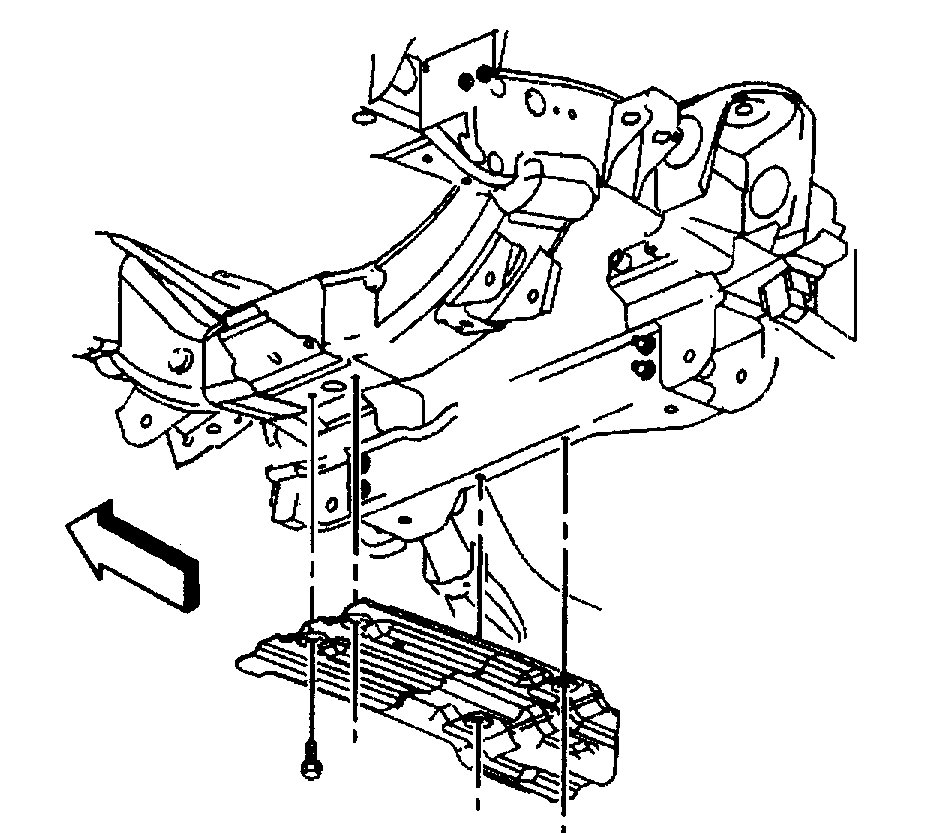
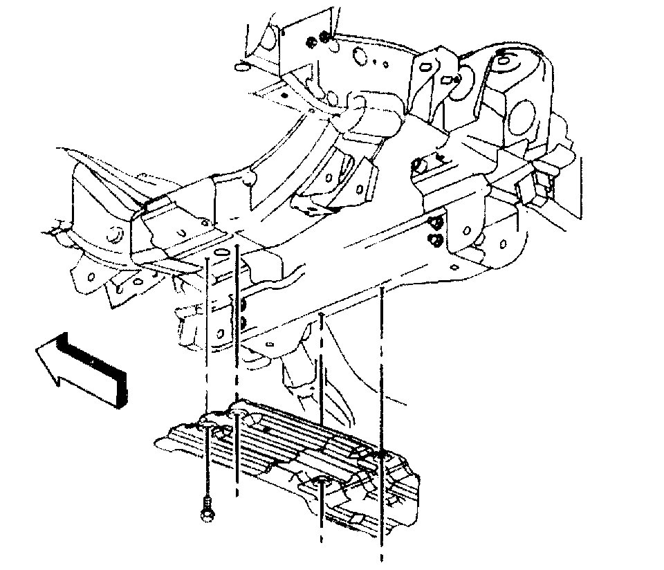
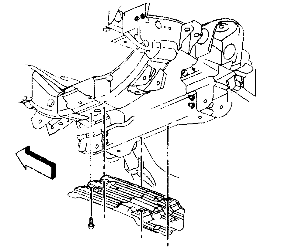
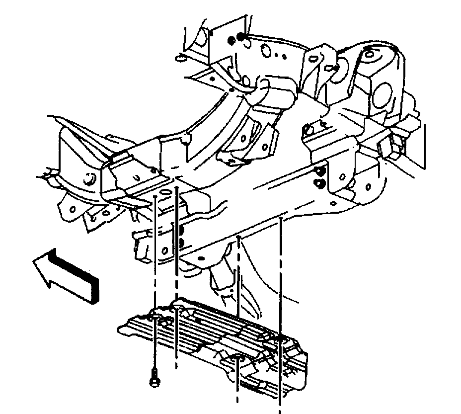
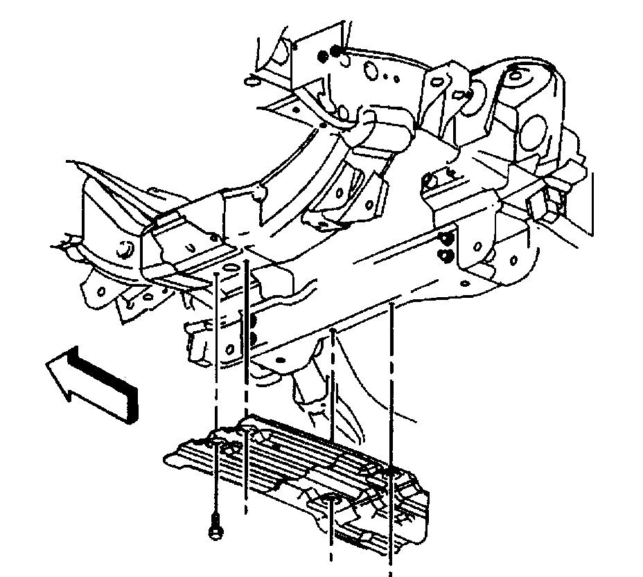
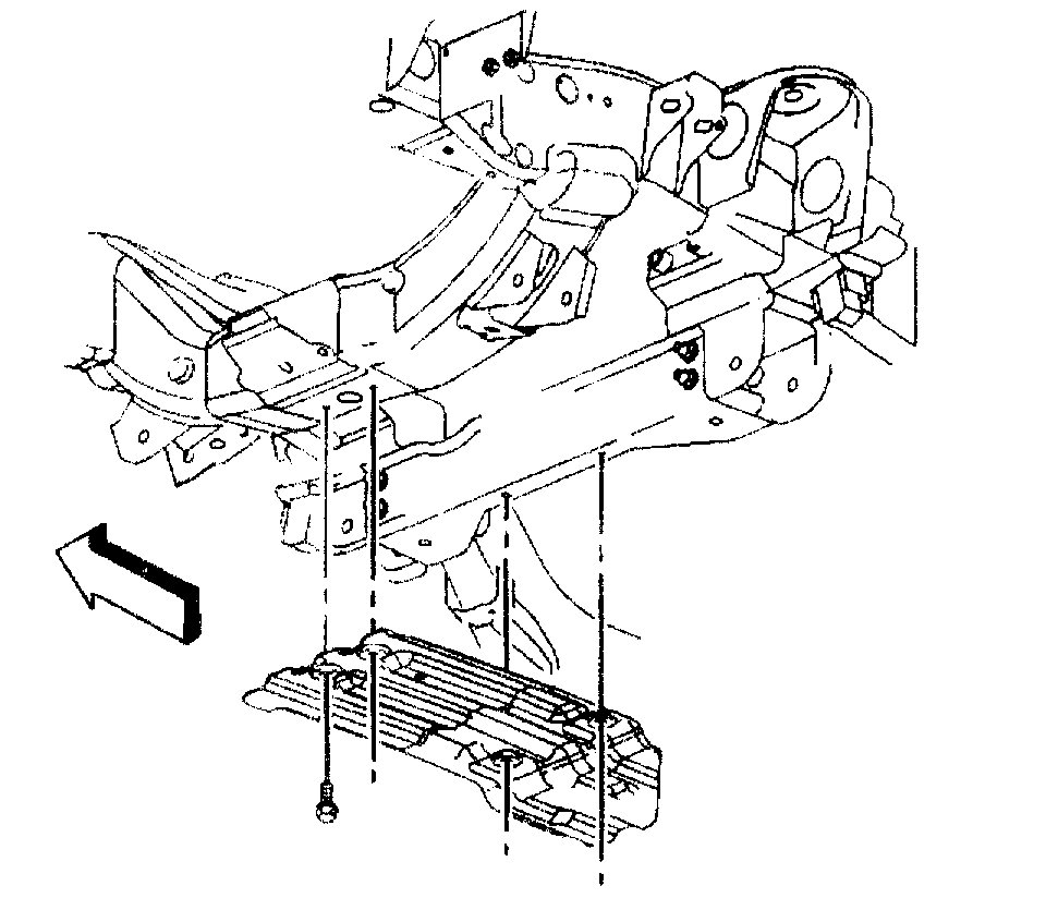
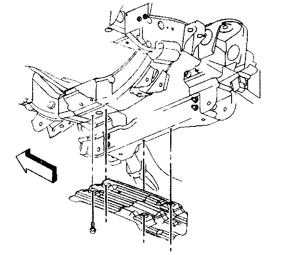
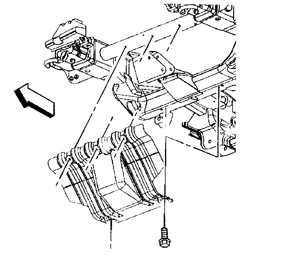
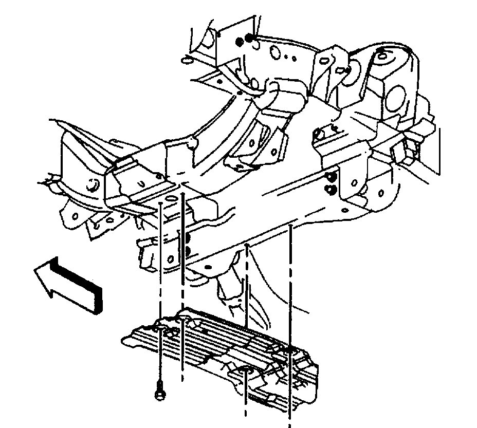
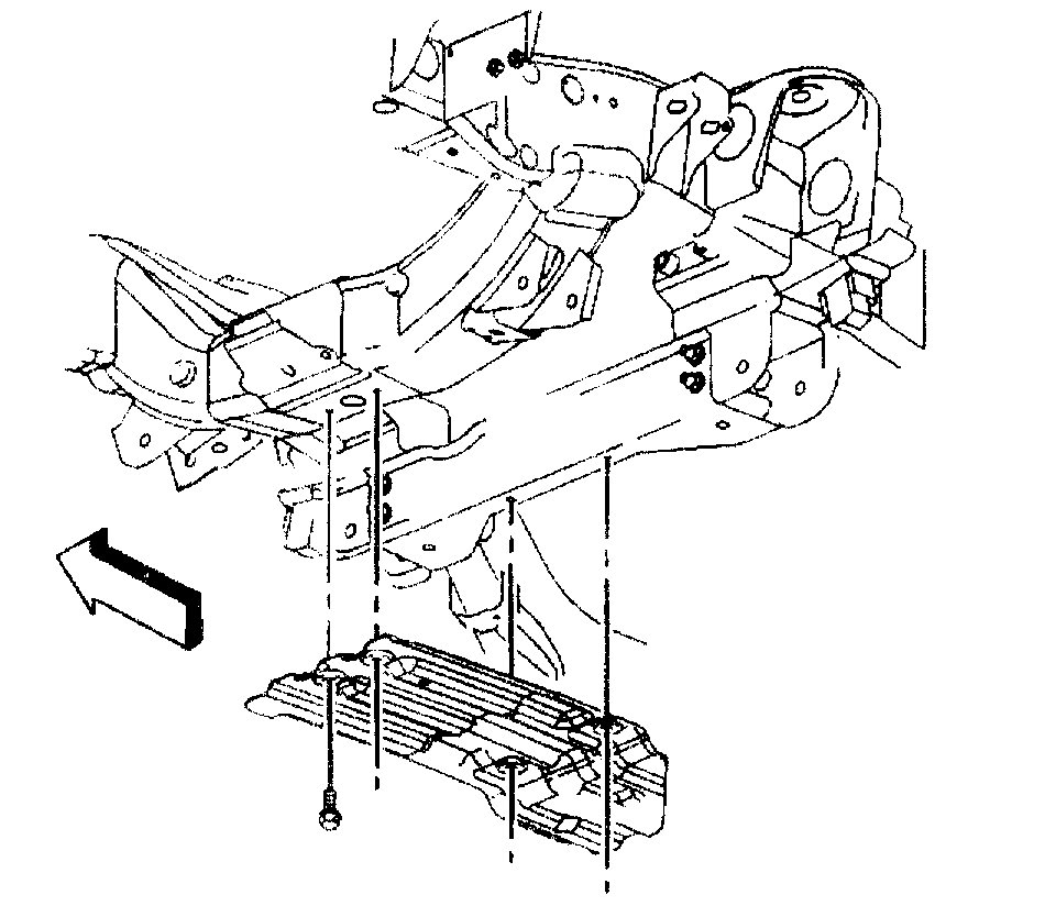
Remove the oil pan skid plate bolts and plate, if equipped.
Drain the engine oil.
Remove the starter motor. Refer to STARTER MOTOR.
Remove the catalytic converter.
Fig. 329: Removing Oil Pan Skid Plate & Bolts
Courtesy of GENERAL MOTORS CORP.
Remove the positive battery cable clip bolt and clip.
Fig. 330: Removing Positive Battery Cable Clip & Bolt
Courtesy of GENERAL MOTORS CORP.
Remove the torque converter bolts, if equipped.
Fig. 331: Removing Torque Converter Bolts
Courtesy of GENERAL MOTORS CORP.
Remove the transmission oil level indicator tube nut, if equipped.
Fig. 332: Removing Transmission Oil Level Indicator Tube Nut
Courtesy of GENERAL MOTORS CORP.
Remove the transmission oil level indicator tube, if equipped.
Fig. 333: Removing Transmission Oil Level Indicator Tube
Courtesy of GENERAL MOTORS CORP.
If equipped with a 4L60E transmission, remove the transmission bolt and stud on the right side.
Fig. 334: Removing Transmission Bolt & Stud On Right Side
Courtesy of GENERAL MOTORS CORP.
If equipped with a 4L80E transmission, remove the transmission converter cover bolts.
Fig. 335: Removing Transmission Converter Cover Bolts
Courtesy of GENERAL MOTORS CORP.
Remove the automatic transmission bolt/studs, if equipped.
Separate the engine from the automatic transmission, if equipped. Install the J 21366 to the transmission in order to hold the torque converter.
Fig. 336: Removing Automatic Transmission Bolt/Studs
Courtesy of GENERAL MOTORS CORP.
Using J 42371 remove the clutch line from the concentric slave cylinder.
Fig. 337: Removing Clutch Line
Courtesy of GENERAL MOTORS CORP.
Remove the manual transmission stud on the right side of the transmission, if equipped.
Fig. 338: Removing M/T Stud On Right Side Of Transmission
Courtesy of GENERAL MOTORS CORP.
Remove the manual transmission bolt/studs, if equipped.
Separate the manual transmission from the engine, if equipped.
Fig. 339: Removing Manual Transmission Bolt/Studs
Courtesy of GENERAL MOTORS CORP.
Mark the flywheel and a clutch pressure plate lug for installation alignment.
Remove the clutch pressure plate bolts, if equipped.
Remove the clutch pressure plate and disc, if equipped.
Lower the vehicle.
Install an engine hoist to the J 41798.
Install a floor jack under the transmission for support.
NOTE:Use care while moving the engine assembly in order to avoid breaking the MAP sensor locating tabs. Broken MAP sensor tabs may result in decreased engine performance.

Remove the engine.
Install the engine to an engine stand.
Remove the engine hoist.
Fig. 340: Removing Clutch Pressure Plate & Bolts
Courtesy of GENERAL MOTORS CORP.
Remove the J 41798 from the engine.
Was this
answer
helpful?
Yes
No
+12
Wednesday, March 31st, 2021 AT 5:06 PM (Merged)
Tiny
LESTERANDSARAH
  • MEMBER
  • 5 POSTS
Thanks you Dave H. For the quick reply. Please supply the diagrams that you referred to to assist in the removal and to help boost our confidence. Don
Was this
answer
helpful?
Yes
No
+5
Wednesday, March 31st, 2021 AT 5:06 PM (Merged)
Tiny
DAVE H
  • MECHANIC
  • 13,384 POSTS
There are around fifty diagrams listed above. Please supply information on which diagrams you require.
Was this
answer
helpful?
Yes
No
+6
Wednesday, March 31st, 2021 AT 5:06 PM (Merged)
Tiny
TYLER12051996
  • MEMBER
  • 1 POST
  • 2003 CHEVROLET SILVERADO
  • 5.3L
  • V8
  • 4WD
  • AUTOMATIC
  • 240,000 MILES
I'm about to replace my engine. The lifters went out and the truck has high miles so I bought an engine with only 89,000 miles. I'm needing to know step by step on how to remove the engine. Thanks in advance.
Was this
answer
helpful?
Yes
No
+2
Wednesday, March 31st, 2021 AT 5:06 PM (Merged)
Tiny
JACOBANDNICKOLAS
  • MECHANIC
  • 110,192 POSTS
Welcome to 2CarPros.

The first set of directions will relate to removal. The attached pictures correlate with the directions. Check out the diagrams (Below)

ENGINE REMOVAL
Engine Replacement

Tools Required
* J41798 Engine Lifting Brackets
* J21366 Converter Holding Strap
* J42371 Clutch Line Removal Tool
* J5824-01 Clutch Alignment Tool

Removal Procedure
1. Open the hood.
2. Place fender covers over both fenders.
3. Raise the hood to the service position, perform the following:
3.1. Remove the hood hinge bolts (1).
3.2. Raise the hood until vertical.
3.3. Install the hood hinge bolts until snug in the service position (2).

4. Remove the air conditioning (A/C) compressor.
5. Remove the radiator support.
6. Remove the engine sight shield.
7. Open the hose clamp and remove the radiate inlet hose from the water pump.
8. Open the hose clamp and remove the radiator outlet hose from the water pump.
9. Remove the heater hoses.
10. Disconnect the following electrical connectors:
- Evaporative Emissions (EVAP) canister purge solenoid (1)
- Generator (3)

11. Remove the harness bracket nut (2) in order to remove the engine harness from the intake manifold.
12. Reposition the vent inlet hose clamp at the throttle body.
13. Remove the radiator vent inlet hose from the throttle body.
14. Remove the generator cable from the generator, perform the following:
14.1. Slide the boot down revealing the terminal stud.
14.2. Remove the generator cable nut from the terminal stud.
14.3. Remove the generator cable.

15. Disconnect the main coil harness (2) and fuel injector electrical connectors on the left side.
16. Disconnect the following electrical connectors:
- Main coil harness (1)
- Fuel injectors (2)
- Electronic Throttle Control (ETC) (3)
17. Disconnect the Manifold Absolute Pressure (MAP) sensor (1) and knock sensor (2) electrical connectors.
18. Remove the harness ground bolt.
19. Reposition the harness ground and negative battery cable from the block.
20. Disconnect the following electrical connectors:
- Engine Coolant Temperature (ECT) sensor (1)
- Electronic variable orifice switch (2)
21. Remove the harness ground bolt at the right rear of the engine block.
22. Reposition the harness ground, and auxiliary negative battery cable, if equipped, from the block.
23. Remove the harness ground bolt at the left rear of the engine block.
24. Reposition the harness ground, and engine ground strap from the block.
25. Disconnect the following electrical connectors:
- Oil pressure sensor (1)
- Camshaft Position (CMP) sensor (2)

26. Unclip all of the engine harness clips from the engine.
27. Remove the battery cable junction block from the junction block bracket.
28. Remove the EVAP purge solenoid vent tube; perform the following:
- Remove the EVAP tube end from the solenoid (1).
- Remove the EVAP tube end from the vapor Pipe (2).

29. Disconnect the fuel pipes.
30. Raise the vehicle.
31. Disconnect the following electrical connectors:
- Crankshaft Position (CKP) sensor (1)
- Engine oil sensor (6)
- Coolant heater, if equipped.
32. Remove the battery cable channel bolt.
33. Slide the channel pin out of the oil pan tab.
34. Gather all branches of the engine wiring harness and reposition off to the side.
35. Lower the vehicle.
36. Remove the rear power steering to engine block bolt.
37. Remove the generator bracket bolts.
38. Position the bracket aside.
39. Remove the vacuum brake booster hose.
40. Remove the ignition coil(s) (as required) for the proper fit of the J41798 before lifting the engine.
Notice:Refer to Fastener Notice in Service Precautions.
See: Engine, Cooling and Exhaust > Vehicle Damage Warnings > Fastener Notice

41. Install the J41798 to the cylinder heads
- Tighten the M8 bolts to 25 Nm (18 ft. Lbs.).
- Tighten the M10 bolts to 50 Nm (37 ft. Lbs.).
42. Remove the left and right engine mount to engine mount bracket bolts.
43. Raise the vehicle.
44. Remove the engine sight shield bolts and shield.
45. Remove the oil pan skid plate bolts and plate, if equipped.
46. Drain the engine oil.
47. Remove the starter motor.
48. Remove the catalytic converter.
49. Remove the positive battery cable clip bolt and clip.
50. Remove the torque converter bolts, if equipped.
51. Remove the transmission oil level indicator tube nut, if equipped.
52. Remove the transmission oil level indicator tube, if equipped.
53. If equipped with a 4L60E transmission, remove the transmission bolt and stud on the right side.
54. If equipped with a 4L80E transmission, remove the transmission converter cover bolts.
55. Remove the automatic transmission bolt/studs, if equipped.
56. Separate the engine from the automatic transmission, if equipped. Install the J21366 to the transmission in order to hold the torque converter.
57. Using J42371 remove the clutch line form the concentric slave cylinder.
58. Remove the manual transmission stud on the right side of the transmission, if equipped.
59. Remove the manual transmission bolt/studs, if equipped.
60. Separate the manual transmission from the engine, if equipped.
61. Mark the flywheel and a clutch pressure plate lug for installation alignment.
62. Remove the clutch pressure plate bolts, if equipped.
63. Remove the clutch pressure plate and disc, if equipped.
64. Lower the vehicle.
65. Install an engine hoist to the J41798.
66. Install a floor jack under the transmission for support.

Notice:Use care while moving the engine assembly in order to avoid breaking the MAP sensor locating tabs. Broken MAP sensor tabs may result in decreased engine performance.

67. Remove the engine.
68. Install the engine to an engine stand.
69. Remove the engine hoist.
70. Remove the J41798 from the engine.

ENGINE INSTALLATION
Installation Procedure

Notice:Refer to Fastener Notice in Service Precautions.
See: Engine, Cooling and Exhaust > Vehicle Damage Warnings > Fastener Notice

1. Install the J41798 to the engine. Tighten
- Tighten the M8 bolts to 25 Nm (18 ft. Lbs.).
- Tighten the M10 bolts to 50 Nm (37 ft. Lbs.).
2. Install an engine hoist to the J41798.
3. Remove the engine from the engine stand.
4. Install the engine to the vehicle.
5. Align the engine and transmission.
6. Install the left and right engine mount to engine mount bracket bolts.
Tighten the bolts to 65 Nm (48 ft. Lbs.).
7. Install the upper transmission bolts until snug.
8. Remove the floor jack from under the transmission.
9. Remove the engine hoist.
10. Remove the J41798 from the engine.
11. Install the ignition coil(s) and the spark plug wire(s).
12. Raise the vehicle.
13. Install the disc and clutch pressure plate and bolts until snug, if equipped.
14. Using J5824-01, align the clutch disc splices with the pilot bearing.
15. Align the marks made during removal.
16. Tighten the clutch pressure plate bolts in the sequence shown, evenly over 3 increments with the fourth increment to the final specification.
Tighten the bolts to 70 Nm (52 ft. Lbs.).
17. Install the clutch line to the concentric slave cylinder.
18. Install the manual transmission bolt/studs, if equipped.
19. Install the manual transmission stud on the right side of the transmission, if equipped.
Tighten the bolt/studs to 50 Nm (37 ft. Lbs.).
20. Remove the J21366 from the transmission.
21. Install the automatic transmission, if equipped.
22. If equipped with a 4L80E transmission, install the transmission converter cover bolts.
23. If equipped with a 4L60E transmission, install the transmission bolt and stud on the right side.
Tighten the bolts/studs to 50 Nm (37 ft. Lbs.).
24. Install the automatic transmission oil level indicator tube, if equipped.
25. Install the automatic transmission oil level indicator tube nut, if equipped.
Tighten to nut to 18 Nm (13 ft. Lbs.).
26. Install the torque converter bolts, if equipped.
- If equipped with a 4L60E, tighten the bolts to 63 Nm(47 ft. Lbs.)
- If equipped with a 4L80E, tighten the bolts to 60 Nm (44 ft. Lbs.).
27. Install the positive cable clip and bolt.
Tighten the bolt to 9 Nm (80 inch lbs.).
28. Install the catalytic converter.
29. Install the starter motor.
30. Install the oil pan skid plate and bolts, if equipped.
Tighten the bolts to 20 Nm (15 ft. Lbs.).
31. Install the engine shield and bolts.
Tighten the bolts to 20 Nm (15 ft. Lbs.).
32. Lower the vehicle.
33. Install the vacuum brake booster hose.
34. Position the generator bracket to the front of the engine.
35. Install the generator bracket bolts until snug.
36. Install the rear power steering pump to engine block bolt, until snug.
Tighten the bolts to 50 Nm (37 ft. Lbs.).
37. Route the engine wiring harness to the lower engine area.
38. Raise the vehicle.
39. Slide the channel pin into the oil pan tab.
40. Install the battery cable channel bolt.
Tighten the bolt to 12 Nm (106 inch lbs.).
41. Connect the following electrical connectors:
- CKP sensor (1)
- Engine oil level sensor (6)
- Coolant heater, if equipped.

42. Lower the vehicle.
43. Connect the fuel pipes.
44. Install the EVAP purge solenoid vent tube to the solenoid (1).
45. Install the EVAP tube to the vapor pipe (2).
46. Install the battery cable junction block to the junction block bracket.
47. Clip all of the engine wiring harness clips to their correct location.
48. Connect the following electrical connectors:
- Oil pressure sensor (1)
- CMP sensor (2)

49. Position the harness ground and the engine ground strap to the block.
50. Install the harness ground bolt at the left rear of the engine block.
51. Position the harness ground, and auxiliary negative battery cable, if equipped, to the block.
52. Install the harness ground bolt at the right rear of the engine block.
Tighten the bolts to 16 Nm (12 ft. Lbs.).
53. Connect the following electrical connectors:
- ECT sensor (1)
- Electronic variable orifice switch (2)

54. Position the harness ground and negative battery cable to the block.
55. Install the harness ground bolt.
Tighten the bolt to 25 Nm (18 ft. Lbs.).
56. Connect the MAP sensor (1) and knock sensor (2) electrical connectors.
57. Connect the following electrical connectors:
- Main coil harness (1)
- Fuel injectors (2)
- ETC (3)
58. Connect the main coil harness (2) and fuel injector electrical connectors on the left side.
59. Install the generator cable to the generator; perform the following:
59.1. Install the generator cable.
59.2. Install the generator cable nut to the terminal stud.
Tighten the nut to 9 Nm (80 inch lbs.).
59.3. Slide the boot over the terminal stud.
60. Install the radiator vent inlet hose to the throttle body.
61. Position the vent inlet hose clamp at the throttle body.
62. Install the engine wiring harness bracket and nut (2)
Tighten the nut to 5 Nm (44 inch lbs.).
63. Connect the following electrical connector:
- EVAP canister purge solenoid (1)
- Generator (3)

64. Install the heater hoses.
65. Open the hose clamp and install the radiator outlet hose to the water pump.
66. Open the hose clamp and install the radiator inlet hose to the water pump.
67. Install the radiator support.
68. Install the A/C compressor.
69. Remove the hood hinge bolts from the service position (2).
70. Lower the hood to the normal position.
71. Install the hood hinge bolts.
Tighten the bolts to 25 Nm (18 ft. Lbs.).
72. Remove the fender covers.
73. Fill the crankcase with the proper quantity and grade of engine oil.
74. Bleed the hydraulic clutch, if equipped.
75. Perform the CKP system variation learn procedure.

Important: After an overhaul, the engine should be tested. Use the following procedure after the engine is install in the vehicle.

76. Test the vehicle using the following procedure:
76.1. Disable the ignition system.
76.2. Crank the engine several times. Listen for any unusual noises or evidence that parts are binding.
76.3. Enable the ignition system.
76.4. Start the engine and listen for unusual noises.
76.5. Check the vehicle oil pressure gage or light and confirm that the engine has acceptable oil pressure.
76.6. Run the engine speed at about 1000 RPM until the engine has reached normal operating temperature.
76.7. Listen for sticking lifters and other unusual noises.
76.8. Inspect for fuel, oil and/or coolant leaks while the engine is running.
76.9. Perform a final inspection for the proper engine oil an coolant levels.
77. Install the engine shield.
78. Close the hood.

Check out the diagrams (Below). Please let us know if you need anything else to get the problem fixed.
Was this
answer
helpful?
Yes
No
+4
Wednesday, March 31st, 2021 AT 5:06 PM (Merged)
Tiny
ERICSCAVE
  • MEMBER
  • 2 POSTS
  • 1998 CHEVROLET SILVERADO
  • V8
  • 4WD
  • AUTOMATIC
  • 150,000 MILES
Thermostat went, and then so did the engine. Wife had it on long trip. :( Need to replace engine now, and more worried about getting running than horsepower. What types/years/sizes of engine can I use? I see lots of used engines in the 350 and 305 range, but wonder what my limitations are? Not very knowledgeable about engines so i'm stuck Thanks in advance.
Was this
answer
helpful?
Yes
No
Wednesday, March 31st, 2021 AT 5:06 PM (Merged)
Tiny
PEAR69
  • MECHANIC
  • 1,482 POSTS
1998 Chevy used a Vortec 350 or the L-31 350. I believe this was the last year for the old style 350. If you are changing the engine you must realize that the computer is programmed to run the engine that is in your truck. I suggest replacing the engine with a simple Chevy Crate Engine. The prices are reasonable and the computer along with its' wiring will not have to be replaced or altered.
Was this
answer
helpful?
Yes
No
Wednesday, March 31st, 2021 AT 5:06 PM (Merged)
Tiny
ERICSCAVE
  • MEMBER
  • 2 POSTS
Thanks for the input guys. It puts it in more perspective for me. Thanks again.
Was this
answer
helpful?
Yes
No
Wednesday, March 31st, 2021 AT 5:06 PM (Merged)

Please login or register to post a reply.