Button to lock the four doors stopped working?

Tiny
RAFAEL ENRIQUE RAMíREZ DíAZ
  • MEMBER
  • 2006 SATURN ION
  • 142,000 MILES
The button to lock the four doors when leaving the car stopped working. The doors do not close and you only hear a click.
Thursday, June 6th, 2024 AT 3:15 PM

1 Reply

Tiny
KEN L
  • MASTER CERTIFIED MECHANIC
  • 55,281 POSTS
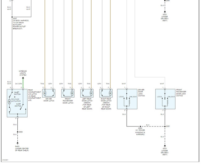
Chances are the switch went bad but to be sure if you ground the white wire off of the driver's side lock switch the doors should lock. Here are the wiring diagrams for the door locks so you can see how the system works. Check out the images (below). Let us know how it goes.
Was this
answer
helpful?
Yes
No
Friday, June 7th, 2024 AT 10:24 AM

Please login or register to post a reply.