The local Mazda dealer, (Lou Fusz, St. Louis, Mo) where the body shop sent the car to be repaired had no idea what I was talking about, and stated that they have many service technicians with years of experience and none of them have ever heard of it either.
I thought that perhaps there was a sensor, or a switch under the hood that could have been damaged, or turned off during the repair. There was no side body damage and no rear end damage. And as much as it pains me to admit this, it was not my first front end collision in that car, so the fact that the keys do not work now is upsetting me.
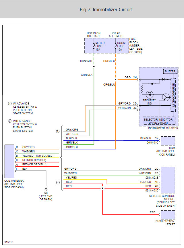
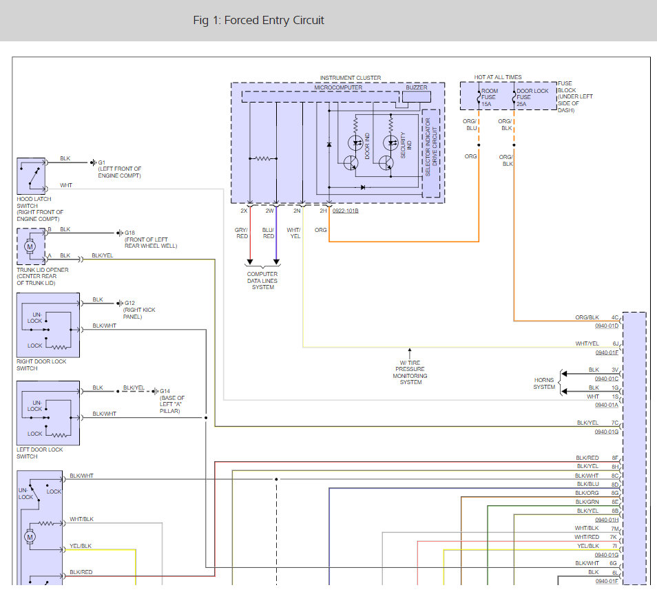
I am looking for some advice about if there are indeed sensors to control this function and where the sensors are located that control the locking mechanism of my car. I would appreciate any thoughts you have on this. Thank you very much for taking the time to investigate this.
Many thanks, Margie Evans
Tuesday, August 8th, 2017 AT 10:42 AM




