Problems with HID headlights

Tiny
BILLY RAY HUNT
  • MEMBER
  • 2004 SAAB 9-3
  • 2.0L
  • 4 CYL
  • 2WD
  • AUTOMATIC
  • 93,000 MILES
I recently bought a low mileage (93,000 miles) car listed above for my son.
It had the left and right low beam failure on the SID (is why we got it for a good price) After doing some research, I went ahead and replaced both bulbs and when that didn't work, both ballasts.
Unfortunately, we still have the L/R low beam failure notification.
The odd thing is that when the key in start/run position, but not actually starting the car, the HID headlights work perfectly.
As soon as I start the car and it's running, the driver's side low beam flickers and the passenger side doesn't work or flickers when it does come on.
Any help with this would be greatly appreciated.

Thanks,
Billy
Monday, October 7th, 2019 AT 5:01 PM

3 Replies

Tiny
DANNY L
  • MECHANIC
  • 5,648 POSTS
Hello, I'm Danny.

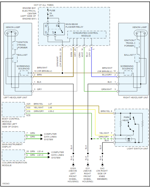
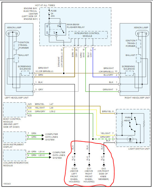
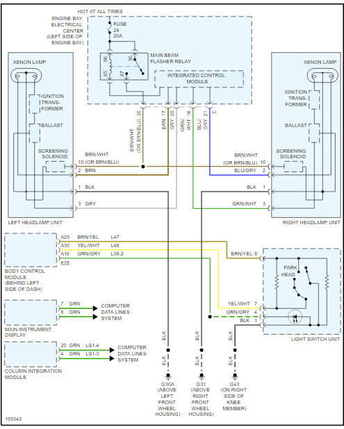
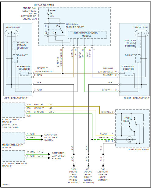
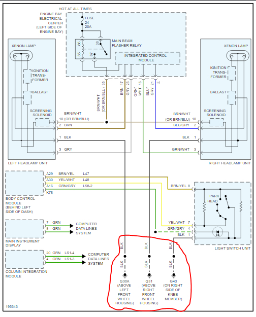
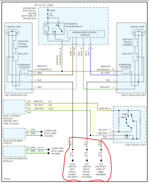
It sounds like you may be having a problem with a headlight ground.. Here is a tutorial for you to view about checking wiring:

https://www.2carpros.com/articles/how-to-check-wiring

You might want to check the ground connection for looseness/melted/frayed/corroded connection. I've attached a picture below of your vehicles wiring diagram with headlight grounds circled in red.Hope this helps and thanks for using 2CarPros.

Danny-
Was this
answer
helpful?
Yes
No
Monday, October 7th, 2019 AT 5:32 PM
Tiny
BILLY RAY HUNT
  • MEMBER
  • 2 POSTS
Sorry about the delay, we've been working 12 hour shifts and haven't had the energy to check the car out until today.
Thanks for the diagram, it helped a lot.
I checked and cleaned all grounds. I took the headlight assemblies out and used an electronics cleaner on each connector and used dielectric grease before reconnecting everything.
There are no corroded, burnt or frayed wires.
After this, I took the battery holder out and checked the two ends for the negative terminal. They looked fine, but I went ahead and loosened and cleaned them. So, in all, every ground connection has been taken off and cleaned, the headlights (Sylvania) have been replaced and so have the ballasts.
I forgot to mention that the SID also lists the headlight leveler failure notification. I disconnected that to see if it would have any affect; nothing was noted.
I checked the battery with a multi-meter to ensure it was charging and holding voltage fine. With the car running, the voltage goes up as it should, so the alternator seems to be doing it's job.
Another thing I'd like to mention. After doing more research, all forums note that this model had the DRL's. I'm not sure if the previous owner had them disabled or if they are not working in general, but they don't come on. The fog lights work perfectly.
Any direction you can point me in at this time would be greatly appreciated.
Thanks,
Billy
Was this
answer
helpful?
Yes
No
Friday, October 11th, 2019 AT 9:25 AM
Tiny
DANNY L
  • MECHANIC
  • 5,648 POSTS
Hello again.

I've attached the headlight diagram again but I've also added another for the headlight leveling circuit. Having the DRL's disconnected might have caused the problem as well. Hope this helps and thanks again for using 2CarPros.

Danny-
Was this
answer
helpful?
Yes
No
Saturday, October 12th, 2019 AT 4:48 PM

Please login or register to post a reply.