The Sirus XM signal comes and goes and now it will not get a signal?

Tiny
SUPERCOMP
  • MEMBER
  • 2007 GMC SIERRA
  • 6.6L
  • V8
  • TURBO
  • 2WD
  • AUTOMATIC
  • 174,000 MILES
I have contacted Sirus XM, and my subscription is current. What could be the problem?
Wednesday, October 11th, 2023 AT 11:44 AM

1 Reply

Tiny
JACOBANDNICKOLAS
  • MECHANIC
  • 110,194 POSTS
Hi,

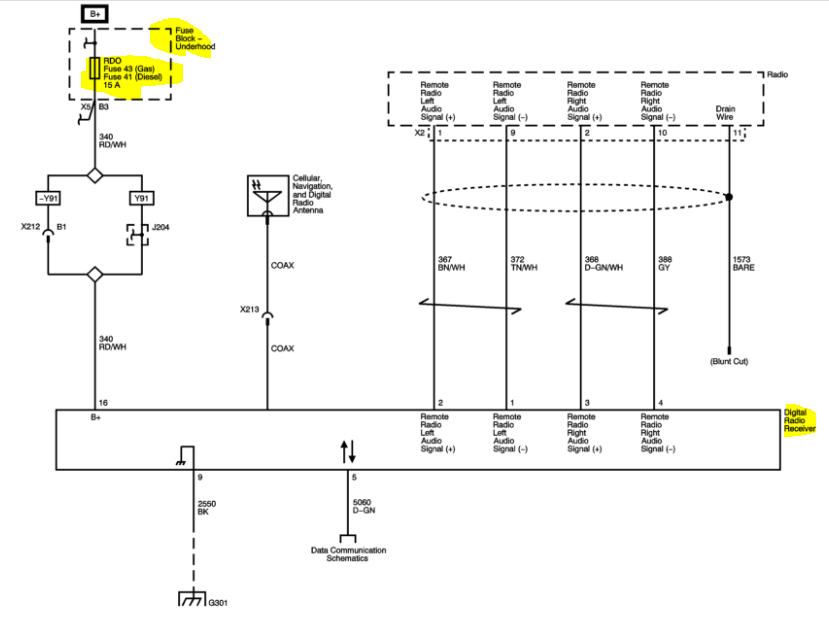
That's a tough one. Have you checked the fuse for the digital radio receiver (DRR)?

Also, are the other radio options working? For example, do you have reception on the standard radio stations? I ask because there could be an issue with the antenna. The digital radio receiver uses the same antenna as the radio.

Also, pics 1 -5 are the diagnostics for the DRR. Take a look through them and let me know if you are comfortable performing them.

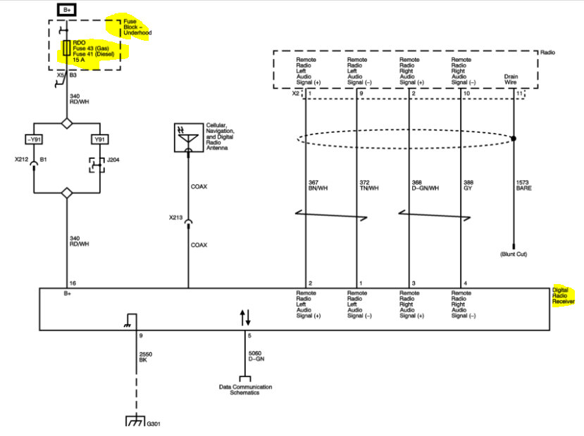
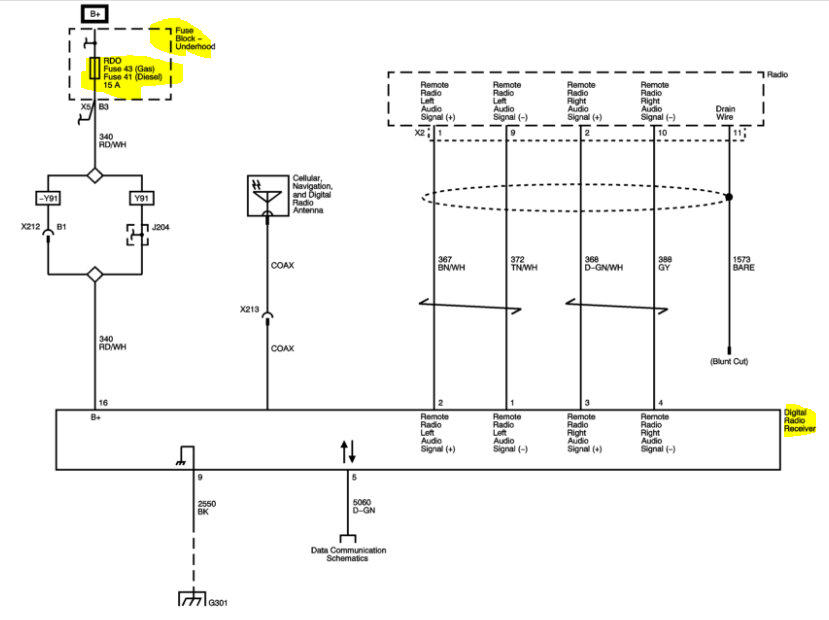
If the radio does work properly and the DRR fuse is good, then there is a chance the digital radio receiver is faulty. See pic 6 below. Pic 7 is the wiring schematic for the DRR. Pics 8 and 9 show the power supply and ground location for the DRR. Check both.

Let me know what you find. Note: If there is power and ground to the DDR, chances are the unit is faulty.

Take care,

joe

See pics below.
Was this
answer
helpful?
Yes
No
Wednesday, October 11th, 2023 AT 10:02 PM

Please login or register to post a reply.