slave cylinder replacement

1995 FORD F-150
123,000 MILES • 5.0L • V8
Avatar
WILLIAM SIMMONS
  • MEMBER
  • 2 POSTS
When I go to put it in gear the truck will not to move and it will not go in gear. i tried bleeding it by myself, didn't help.
Mar 23, 2019 at 9:12 PM
Repair Safety Notice: This information is for general instructional purposes only. Vehicle repair can be dangerous. Verify all information, follow manufacturer service procedures, use proper tools and safety equipment, and consult a qualified repair shop when needed.
Advertisement
Avatar
JACOBANDNICKOLAS
  • AUTOMOTIVE REPAIR CONTRIBUTOR
  • 110,190 POSTS
Welcome to 2CarPros.

If you can't put the vehicle in gear with the engine running (It grinds), then you have a problem with either the clutch master cylinder or the slave cylinder.

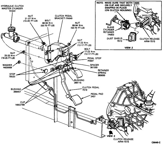
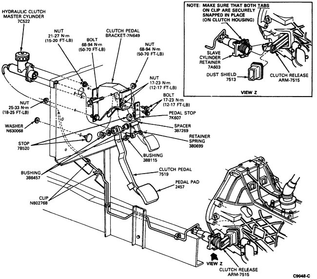
First, check the fluid level in the clutch master cylinder reservoir. It is mounted to the firewall under the hood. See picture 1

I also attached a picture of the slave cylinder. To replace it, the transmission needs removed.

If the fluid is full in the reservoir, suspect a bad master cylinder. Have a helper pump the clutch pedal while you watch to see if the fluid level changes in the reservoir. If it doesn't, remove the MC. As far as the slave cylinder, most times they leak when they go bad, so check under the vehicle for evidence of a leak. Regardless, if the MC reservoir is empty, refill it with Dot 3 brake fluid to see if it was just low.

If you determine the MC is bad, here are the directions for replacement. Pic 3 correlates with these directions.

CAUTION: For vehicles equipped with external slave cylinders, prior to any vehicle service that requires removal of the slave cylinder (i.e., transmission removal), the master cylinder pushrod must be disconnected from the clutch pedal. If not disconnected, permanent damage to the slave cylinder will occur if the clutch pedal is depressed while the slave cylinder is disconnected.

1. From cab interior, carefully pry push rod and retainer bushing from cross-shaft lever pin.
2. Disconnect interlock switch connector plug.
3. Remove the two nuts and support bracket retaining the clutch reservoir and master cylinder assembly to the firewall.
4. Disconnect hydraulic tube from master cylinder.
5. Remove clutch reservoir and master cylinder assembly from firewall.
6. When the master cylinder studs are free of dash panel, rotate cylinder 105° counterclockwise to permit interlock switch to exit dash panel. Remove unit from vehicle.
7. Reverse procedure to install.
8. Fill and bleed the hydraulic system. See: Clutch Fluid > Procedures

NOTE: As the clutch disc wears, the fluid level in the reservoir will rise. The fill line step in the reservoir is the normal level for a new system.

If you determine the slave cylinder is bad, here are the directions for replacement after the transmission is removed.

______________________________________________

REMOVAL AND INSTALLATION
REMOVAL

Disconnecting Clutch Slave Cylinder Tube.


See Pic 3


1. Disconnect coupling at transmission with Clutch Coupling Tool T88T-70522-A by sliding the white plastic sleeve toward the slave cylinder while applying a slight tug on tube.
2. Remove the transmission.
3. Remove slave cylinder bolts to the transmission.
4. Remove slave cylinder from transmission input shaft.

INSTALLATION

Slave Cylinder


See pic 4


1. Position slave cylinder over transmission input shaft with bleed screw and coupling facing left side of transmission.
2. Install the slave cylinder attaching bolts and tighten to 20-27 Nm (15-20 ft lb).
3. Install the transmission.
4. Insert male coupling into female coupling on the clutch slave cylinder. Make sure that the connection is secure.
5. Bleed the hydraulic system as required See: Clutch Fluid > Procedures.

__________________________________

Bleeding procedure for the MC

1. Install clutch master cylinder in a vise.

NOTE: When bleeding a dry replacement clutch master cylinder, remove clutch master cylinder-to-clutch slave cylinder tubing from vehicle and install to new master cylinder.

2. Fill master cylinder reservoir with High Performance DOT 3 Brake Fluid C6AZ-19542-AA or equivalent DOT 3 fluid meeting Ford specification ESA-M6C25-A.
3. Insert clutch slave cylinder end of tube in a waste container to prevent fluid from leaking.
4. Push the master cylinder push rod all the way in. While holding the push rod in, plug the end of the tube to prevent air from entering the tube and master cylinder. Perform this step several times until all air has been bled from the clutch master cylinder.

NOTE: Be sure to keep clutch master cylinder reservoir full during this operation to prevent additional air from entering the master cylinder.

5. When all air is expelled from the clutch master cylinder (no bubbles come out of the tube), install the clutch master cylinder and tubing to the vehicle.

_______________________________________

Bleeding procedure for the slave cylinder

Clutch Hydraulic System Bleeding, Concentric Cylinder Clutch Slave

1. If bleeding a dry replacement clutch master cylinder, refer to Bench Bleed Procedure, Clutch Master Cylinder. See: Clutch Master Cylinder > Procedures
2. Disconnect the coupling at the transmission with Coupling Disconnect Tool T88T-70522-A or equivalent by sliding the white plastic sleeve toward the clutch slave cylinder while applying a slight tug on the clutch tube.

CAUTION: Make sure hydraulic tube connection is free of contamination prior to disconnecting it.

3. Remove cap and diaphragm and fill reservoir to the step with High Performance DOT 3 Brake Fluid C6AZ-19542-AA or equivalent DOT 3 fluid meeting Ford specification ESA-M6C25-A.

CAUTION:
- Clean dirt and grease from around the reservoir cap.
- Brake fluid must be certified to DOT 3 specification.

4. Apply 10-15 pounds of pressure to clutch pedal.
5. Using a small screwdriver, press the internal mechanism of the male coupling to open the valve. While continuing to hold the valve open, slowly depress the clutch pedal to the floor and hold.
6. Remove the screwdriver from the coupling, closing the valve.
7. Release the clutch pedal.
8. Refill reservoir to level at step.

CAUTION: The reservoir must be kept full at all times to make sure there will be no additional introduction of air into the system.

9. Repeat Steps 4 through 7.
10. Close reservoir. Reconnect the coupling to the clutch slave cylinder. Check that the connection is secure by applying a slight tug to the clutch tube.
11. Stroke the clutch pedal as rapidly as possible for five to ten strokes.
12. Wait one to three minutes.
13. Repeat Steps 11 and 12 three more times.
14. Loosen bleed screw (located in the slave cylinder body next to the inlet connection).
15. Depress and hold clutch pedal while tightening bleed screw 3-5 Nm (27-44 inch lbs.).
16. Refill the reservoir to level at step.
17. The hydraulic system should now be fully bled and should properly release the clutch.


Let me know if you have other questions.

Take care,
Joe
Mar 23, 2019 at 10:58 PM
Advertisement
Avatar
300 CID
  • MEMBER
  • 14 POSTS
i replaced my master and slave cylinder this weekend. it started Thursday afternoon the hydraulic line that connects the two keeps popping out of the slave cylinder. so no that all of that stuff is new and i go to bleed the pedal, as soon as i get the slightest amount of pressure on the pedal, the line pops out again. i have done this more times than i care to at this point. i am going to get a new transmission this week because it is toast. i wonder if the pressure plate is jammed or locked up somehow. when i got towed the other day, they guy towing me and i could both smell the clutch. i did not swap out the clutch or plate since i just bought them in February when the slave went out. i do not like to keep bringing parts back so soon that is why i did not change the clutch and pressure plate, seeing as how i have to do it again in a week when i get my new transmission.
Mar 24, 2021 at 1:23 PM (Merged)
Avatar
ASEMASTER6371
  • AUTOMOTIVE REPAIR CONTRIBUTOR
  • 52,796 POSTS
Good afternoon.

Did you replace the 3/32 pin that holds the line to the slave?


Roy
Mar 24, 2021 at 1:23 PM (Merged)
Avatar
300 CID
  • MEMBER
  • 14 POSTS
the line is held in with a spring type clip. there is a small pin at the bottom of the master all that stuff is brand new. my first thought was the shoulder on the male side might be worn down but that is not the case.
Mar 24, 2021 at 1:23 PM (Merged)
Avatar
ASEMASTER6371
  • AUTOMOTIVE REPAIR CONTRIBUTOR
  • 52,796 POSTS
Okay.

When you released the line, did the plastic release come back out so it is not constantly releasing the line?

Roy
Mar 24, 2021 at 1:23 PM (Merged)
Avatar
ASEMASTER6371
  • AUTOMOTIVE REPAIR CONTRIBUTOR
  • 52,796 POSTS
Also, make sure the line is pushed all the way in. it may not be seated.

Roy
Mar 24, 2021 at 1:23 PM (Merged)
Avatar
300 CID
  • MEMBER
  • 14 POSTS
it is seating properly, the plastic collar is just to release the older style female on the slave. before i took the old one back, i plugged it in and tested it out. it did not pop out once it built pressure. but there was really no way to determine that without it being installed. i figured it was the slave because the transmission has been eating them for the past few years. but now i am thinking the pressure plate is the issue because that slave could only hold so much pressure, trying to think of anything i can do without dropping the transmission again. I am exhausted, i swapped the clutch, pressure plate and slave in February. i towed a trailer four weeks ago for about four hours at eighty mph and drove back empty. when i got to my exit about a mile from the house something popped. i had some teeth shear off so i fished them out put new fluid in and i got four more days out of it then this happened. i can pull this transmission in about an hour now. i have pulled it three times fixing to be a fourth this year.
Mar 24, 2021 at 1:23 PM (Merged)
Avatar
ASEMASTER6371
  • AUTOMOTIVE REPAIR CONTRIBUTOR
  • 52,796 POSTS
okay, then you may be correct. I have never seen a pressure plate break that connection but it very well could be the issue.

what brand slave did you use?

Roy
Mar 24, 2021 at 1:23 PM (Merged)
Avatar
300 CID
  • MEMBER
  • 14 POSTS
Duralast. they are under warranty so it is free and i have not had too many issues with them. they go out after a while, but i do not see two of them being bad out the box. i had some trouble getting transmission back in i had to use a clamp were usually i can just wiggle it in. I am about to go back outside and pull i again, i have no choice. thanks for the help I will check back in periodically it should not take but a couple hours, just in case you come up with something.
Mar 24, 2021 at 1:23 PM (Merged)
Avatar
ASEMASTER6371
  • AUTOMOTIVE REPAIR CONTRIBUTOR
  • 52,796 POSTS
okay, keep in touch.

Roy
Mar 24, 2021 at 1:23 PM (Merged)
Avatar
300 CID
  • MEMBER
  • 14 POSTS
so i did one more final check before i start tearing this apart. i put a pry-bar on the slave with the bleeder open. squeezed all the fluid out, put the line back in and after two or three pumps it pops out again. which tells me the pressure plate does not want to move. maybe the clutch came apart and is keeping the whole system from moving.
Mar 24, 2021 at 1:23 PM (Merged)
Avatar
ASEMASTER6371
  • AUTOMOTIVE REPAIR CONTRIBUTOR
  • 52,796 POSTS
the plate may be the problem. I doubt it came apart.

Roy
Mar 24, 2021 at 1:23 PM (Merged)
Avatar
300 CID
  • MEMBER
  • 14 POSTS
it looks fine, just got it and the clutch down, no cracks or anything out of the ordinary. before i dropped the transmission all the way out, i still had the hydraulic line plugged in had someone pump the pedal and it never blew the connection. could a bad bleed may have caused the over pressuring? or is it going to even do what it is supposed to when not pushed against the pressure plate?
Mar 24, 2021 at 1:23 PM (Merged)
Avatar
ASEMASTER6371
  • AUTOMOTIVE REPAIR CONTRIBUTOR
  • 52,796 POSTS
there is no pressure on the slave without the pressure plate to push. so it will not build much pressure.

no, the bleeder has nothing to do with it

Roy
Mar 24, 2021 at 1:23 PM (Merged)
Avatar
300 CID
  • MEMBER
  • 14 POSTS
could the pressure plate been too tight? i torqued them a lot. I am seeing 15-20 ft/lbs online.
Mar 24, 2021 at 1:23 PM (Merged)
Avatar
ASEMASTER6371
  • AUTOMOTIVE REPAIR CONTRIBUTOR
  • 52,796 POSTS
no, that is not it. it is the springs in the plate.


15-20 is what you need. do not over tighten.
Mar 24, 2021 at 1:23 PM (Merged)
Avatar
300 CID
  • MEMBER
  • 14 POSTS
they are going to look at me like a scammer if i try to exchange it. but it does have a life time warranty. i know bad bearings can be hard on all this stuff right. it shifts (or shifted fine) just made a lot of racket in anything but fourth gear.
Mar 24, 2021 at 1:23 PM (Merged)
Avatar
ASEMASTER6371
  • AUTOMOTIVE REPAIR CONTRIBUTOR
  • 52,796 POSTS
the disc looks terrible.

did you have the flywheel resurfaced?

Roy
Mar 24, 2021 at 1:23 PM (Merged)
Avatar
LINKS2
  • MEMBER
  • 3 POSTS
Clutch went to floor and did not return when I first noticed problem. Pulled clutch pedal out with foot and it seemed to be fine except there was alot more play on the pedal after that. I checked reservoir and it was empty. Filled with the proper fluid and, with my wife, attempted to bleed air out of system. We got an initial pop of air oout of bleed and then fluid. Attempted to do this a couple of times to ensure air was out but the clutch pedal now was totally without pressure and just loosely went to floor and has not returned on its own since.
Does anyone have any suggestions? I had the master cylinder replaced last year almost exactly. Slave cylinder?
Easy replacement for a minimally mechanically inclined person?

thanks in advance,

Links2
Mar 24, 2021 at 1:23 PM (Merged)
Avatar
BRUCE HUNT
  • AUTOMOTIVE REPAIR CONTRIBUTOR
  • 3,754 POSTS
Not easy as I believe it is internal to the tranny. The fact you have the problem is possibly slave or master but I suspect the source is a loose connection on the lines and more air in the system.
Mar 24, 2021 at 1:23 PM (Merged)
Avatar
300 CID
  • MEMBER
  • 14 POSTS
no i have not, was going to buy a new one when i get the transmission rebuilt this week. maybe it is warped. it never chattered and a new one is cheap. just did not want to put a brand new one in front of the old transmission. doubt those are warrantied. they should have a clutch kit on the shelf, someone should any way and maybe i can put them side by side. i pulled the top off the other night after this go round and everything spins and meshes. just trying to get a few more days out of it until i can afford to get the rebuild done. literally four days would be great. if not i will have to take a lay off just to get my check from last week early get it rebuilt, and hopefully they will hire me back.
Mar 24, 2021 at 1:23 PM (Merged)
Avatar
LINKS2
  • MEMBER
  • 3 POSTS
I appreciate your wisdom. The slave is internal and I have had a couple of quotes(all being around the $1000 mark).

I am hoping like crazy it is a loose connection.

thanks again,

Links2(Gary)
Mar 24, 2021 at 1:23 PM (Merged)
Avatar
ASEMASTER6371
  • AUTOMOTIVE REPAIR CONTRIBUTOR
  • 52,796 POSTS
keep me updated.
Mar 24, 2021 at 1:23 PM (Merged)
Avatar
300 CID
  • MEMBER
  • 14 POSTS
well, put them side by side and the look identical. I am at a loss. only thing i can think of is a bad slave off the shelf. but that does not explain why the two month old one did what it did. there has to be some excessive pressure building up to pop that connection. even if the transmission is busted. there would be no reason that system would not work, push the pedal, slave retracts, let off the pedal, slave extends. wish there were a way to test it without bolting it all up.

the other night i hooked the slave up outside the transmission pumped it up did not break the cxn. then the next morning i had a hard time getting the trans to mate up. what if the slave had all that pressure built up and when i used the clamp to get the transmission close enough to bolt up to the motor, a seal blew out?
Mar 24, 2021 at 1:23 PM (Merged)
Avatar
ASEMASTER6371
  • AUTOMOTIVE REPAIR CONTRIBUTOR
  • 52,796 POSTS
you could try using a C clamp and see what happens.

Roy
Mar 24, 2021 at 1:23 PM (Merged)
Avatar
300 CID
  • MEMBER
  • 14 POSTS
thought about that earlier. it is dark and i am done for. AutoZone has another on the shelf I will get it tomorrow. before i checked to see if they had it, i plugged it back into the line and let it dangle. i tried as hard as i could to pull the line out by hand, it would not come out. cracked the bleeder with the pedal down, closed it. pumping the pedal by hand, i got some feel back. left the pedal about halfway down, cracked and closed. crawled back into the cab and pressed the pedal twice and i heard it hit the ground. it has to be the slave.
Mar 24, 2021 at 1:23 PM (Merged)
Avatar
ASEMASTER6371
  • AUTOMOTIVE REPAIR CONTRIBUTOR
  • 52,796 POSTS
Yes, I agree.

Roy
Mar 24, 2021 at 1:23 PM (Merged)
Avatar
300 CID
  • MEMBER
  • 14 POSTS
thanks for the help. hopefully someone else can use this. i am not trying to break any records for pulling this transmission. i have been bleeding the clutch on this thing since 2011 (not the same slave cylinder FYI, or master for that matter) so something is up. I am out.
Mar 24, 2021 at 1:23 PM (Merged)
Avatar
ASEMASTER6371
  • AUTOMOTIVE REPAIR CONTRIBUTOR
  • 52,796 POSTS
You are welcome.

Keep us updated.

Roy
Mar 24, 2021 at 1:23 PM (Merged)
Avatar
300 CID
  • MEMBER
  • 14 POSTS
Okay, here we go, put the pressure plate and clutch in, torqued to specs (roughly). i took the female connection off the slave and it would not connect to the hydraulic line. took the master back off the firewall (i could not get the pin out while installed) disconnected the line. installed the slave to the transmission, connected the open hydraulic line to the slave. fished it up thru the bay, mounted the transmission, hooked the line into the master, and what do you know? so i looked at the old male cxn and it did have a bevel on the shoulder where the retainer clip holds it in place. so that is why i think it popped out. does not explain why i have never had this problem before, seeing that i have changed all three pieces out at least once upon a time. but maybe the pre-filled/pre-bled units, and never having done all three at the same time may have had something to do with it. if i would have hooked the new line up to the slave then plugged it into the master everything would have been easy (maybe) there still would have been a three foot line with air in it.
Mar 24, 2021 at 1:23 PM (Merged)
Avatar
ASEMASTER6371
  • AUTOMOTIVE REPAIR CONTRIBUTOR
  • 52,796 POSTS
Okay, so it is all good now?
Mar 24, 2021 at 1:23 PM (Merged)
Avatar
300 CID
  • MEMBER
  • 14 POSTS
Yes, for now. In search of a transmission now.
Mar 24, 2021 at 1:23 PM (Merged)
Avatar
ASEMASTER6371
  • AUTOMOTIVE REPAIR CONTRIBUTOR
  • 52,796 POSTS
Try, www.car-part.com. use this for most of my used parts.

Roy
Mar 24, 2021 at 1:23 PM (Merged)