Stuttering when driving uphill?

Tiny
ALLISON BROCKMAN
  • MEMBER
  • 2010 CHEVROLET MALIBU
  • 4 CYL
  • 2WD
  • AUTOMATIC
  • 150,000 MILES
My car sometimes does this on flat road but always when going uphill. I'm not sure if this is considered stuttering but as soon as I start the incline, I feel the car slightly jerking back and forth. At the same time, you see the rpm's very slightly going up and down. When it does this on a flat road, it's usually only when I'm accelerating from a stop. I did a tune up only a few months ago, and I don't drive my car that much, so I doubt it has anything to do with the spark plugs. Could it be the fuel filter?
Tuesday, July 4th, 2023 AT 6:41 PM

21 Replies

Tiny
BRENDON S
  • MECHANIC
  • 653 POSTS
Hello ALLISON BROCKMAN,

A clogged fuel filter could cause this issue, however my information is telling me there is only a fuel strainer in the tank attached to the pump. Which means the pump would need to be replaced in order to replace the filter.

Let's take a look and start eliminating possibilities. First let me get some more info from you.

Is this a flex fuel or gas/electric hybrid vehicle? If it is flex fuel, you will have a yellow gas cap usually.

Why did you do the plugs? Was it just for a tune-up or was it running rough?

When you changed the plugs, was the intake or any part of it removed? If so, I would check every part of the air intake and make sure everything is seated properly and tight. Looks like there may a baffle on top of the motor from what my information is showing me.

Was it having a problem with hills and from a stop before the tune-up?

When idling in park, how is it running? Do the RPMs go up and down? Is it shaking or surging? If so, does it seem to go away and come back or maybe get better and worse?

Do you have a scan tool or code reader? If not, I would bring it to AutoZone and see if there are any codes at all even if the engine light is not on. If there is, please have them write them down and let me know. This will help point us in a certain direction depending on the code.

Because this type of issue can be caused by a few different areas, I would like to get as much information as possible first, so you are not doing any unnecessary testing.

Thank you,
Brendon
Was this
answer
helpful?
Yes
No
Wednesday, July 5th, 2023 AT 8:12 AM
Tiny
ALLISON BROCKMAN
  • MEMBER
  • 19 POSTS
First, let me say I appreciate this so much. I'll try my best to answer each question.

This is a gas vehicle. I gave it a tune-up because I only recently purchased the car, so I didn't know when it was last given a tune-up. When my son changed the plugs, there was a hose that needed to be disconnected because it's attached to the engine cover, which obviously we had to take off. From what I see on google, that's the intake. I just checked, and that seems to be fine.

Before the tune-up, I was having problems when I would go uphill. It was like the car had no boost at all. It wasn't doing the back and forth thing that it's doing now. It also had some issues on flat roads when I would accelerate. It was hesitating a little like now. Someone checked my oil, and they said it was fine. I brought it to my mechanic, and he said there was hardly any oil in it. After I got it back, it was fine until recently.

It seems fine when idling. I just checked and there were no codes.
Was this
answer
helpful?
Yes
No
Wednesday, July 5th, 2023 AT 6:27 PM
Tiny
BRENDON S
  • MECHANIC
  • 653 POSTS
Hello ALLISON BROCKMAN,

You're very welcome. I am happy to help :)

Putting the engine cover back on after working on these engines can be a real hassle. I have included a picture of the throttle body. It has a rubber gasket on it that is like a u-shape. This gasket will almost always roll in on itself and cause an air leak. If it did this, it will have a leak in the intake and extra air will be entering the engine. Since it is after the Mass Air Flow Sensor, this extra or unmeasured air enters the engine, and the engine's computer will try compensation for it by adding fuel. Normally you would have a check engine light but not always.

Since the hesitation seemed to get worse after the plugs, this could be causing part of the issue.

I would remove the filter box cover and loosen the clamp with the (red arrows). Then pull it off as an assembly and just set aside. Don't unplug the wire connected just place it on the fender area.

Then take a pair of pliers and pinch the clamp and slide down the hose. Then slide of hose to the engine cover (green arrow).

Then loosen the clamp underneath the engine cover and pull up to remove the cover. Loosen the clamp as far as you can so the seal isn't damaged when removing the cover. This clamp may be best accessed from the front.

Now put a little oil on your finger and put it around the opening on the engine cover and a little on the gasket on the throttle body. Then push it down and make sure it is seated properly. You are going to want to push on the bottom center of the engine cover where there is a circle (white arrow) while tightening the clamp. Then you can put the other hoses on.

I would use an 8mm socket 1/4 inch drive with a 1/4 inch extension and a quarter inch ratchet. You can use a screwdriver, but you will want to make sure it is tight so a socket with an extension and ratchet is best. Keep in mind though it is plastic.

Then reattach the rest of the intake in the reverse of removal.

Next, start the car and let it run for about 30 secs or so. Turn it off and pull the engine oil dipstick and wipe with rag (red arrow with yellow handle. Then put it all the way back in and the remove it again and look at it. If you could take a picture of it, so I can tell you if the level is good or not.

If you have an oil leak it is burning oil this can cause mechanical damage to the engine causing it to be sluggish due to the lack of lubrication. Burning oil will also gum up sensors and catalytic convertors as well as cause other issues.

I think we need to see if there is an issue with the oiling system. If it is low again, we need to try to find out where it is going.

Does the hesitation get better after driving longer or warmed up more?

Try these few things and let me know if you have any questions at all. Helping people with their vehicles is one of the reasons I became a technician in the first place.

Thank you,
Brendon
Was this
answer
helpful?
Yes
No
Thursday, July 6th, 2023 AT 7:10 AM
Tiny
ALLISON BROCKMAN
  • MEMBER
  • 19 POSTS
I just took the engine cover off, turned it over and saw that the rubber thing that's on the underside of the cover is cracked as you should be able to see in the picture. Also, I don't know if this is major but the clamp around it wasn't tight as you can also see on the right, right where the crack is. If I need a new one, exactly what is this called?
Was this
answer
helpful?
Yes
No
Thursday, July 6th, 2023 AT 1:30 PM
Tiny
BRENDON S
  • MECHANIC
  • 653 POSTS
Hello ALLISON BROCKMAN,

Nope it is right against the passenger side fender. It is a rectangular box with a few metal clips on it - see the image attached below, I marked the clips with red arrows.

You are going to push on these outwards and they will release the cover to the air filter. A flathead screwdriver will help in popping them off. This whole assembly is the air filter housing.

This is attached to a hose that goes to the engine cover.

Once the clips are removed, the cover will be free. Then loosen the clamp at the end of the rubber hose marked with red arrow (see image). Then slide the hose off the engine cover.

Now you should have the rubber intake tube connected to the air filter housing cover and just take it and move it aside.

The wire that is attached is for the Mass Air Flow Sensor. Just leave that plugged in but be careful not to pull on the wire. You only need to move this, so it isn't in the way when you are trying to set the engine cover.

Thank you,
Brendon
Was this
answer
helpful?
Yes
No
Thursday, July 6th, 2023 AT 2:27 PM
Tiny
ALLISON BROCKMAN
  • MEMBER
  • 19 POSTS
Yes, I figured all that out. I think you missed what I edited my message too.
Was this
answer
helpful?
Yes
No
Thursday, July 6th, 2023 AT 3:00 PM
Tiny
BRENDON S
  • MECHANIC
  • 653 POSTS
Hello ALLISON BROCKMAN,

I apologize, I didn't see your last response.

Nice find! Yes, I would replace that.

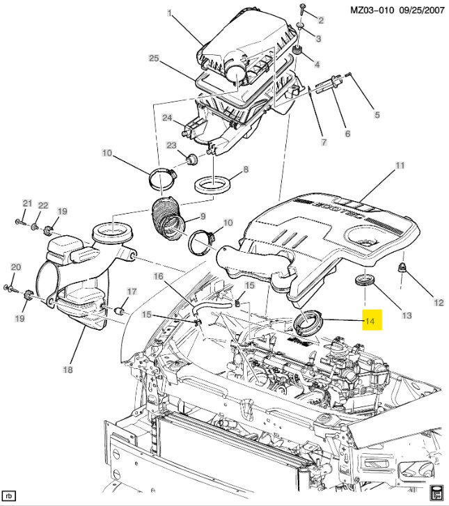
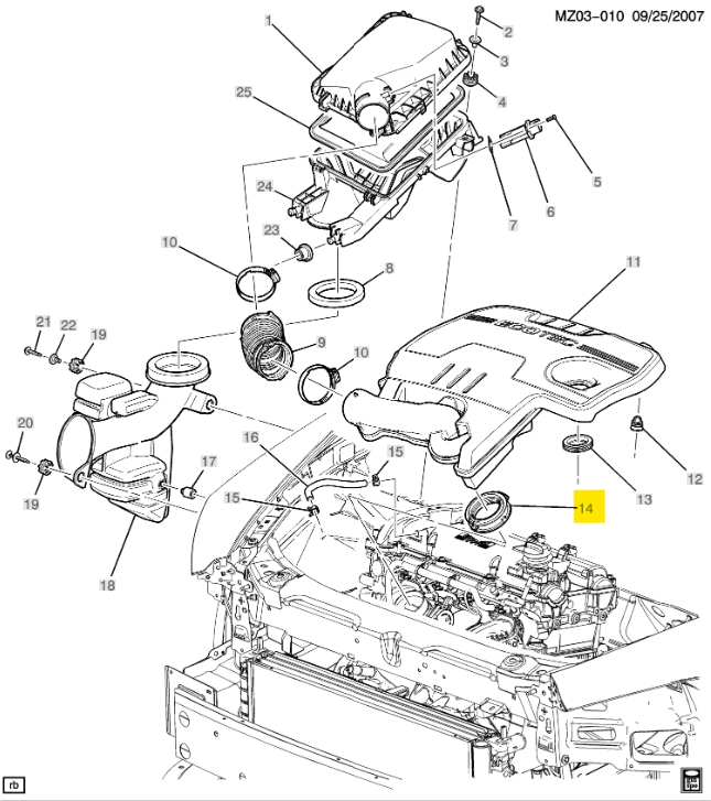
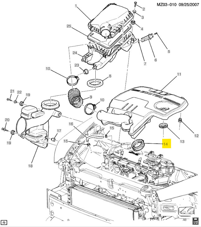
GM calls it an Air Cleaner Outlet Duct Clamp. I don't have a part number for you, but I do have a picture from the catalog.

If you go to the GM dealer and show them the picture and your VIN and ask for a price quote. They will give you a copy of the quote. You can either get the part from them or take the quote home and search online for it.

It's number 14 in the picture.

Thank you,
Brendon
Was this
answer
helpful?
Yes
No
Thursday, July 6th, 2023 AT 3:58 PM
Tiny
ALLISON BROCKMAN
  • MEMBER
  • 19 POSTS
Thank you so much! Do you think that could be the cause of the problems?
Was this
answer
helpful?
Yes
No
Thursday, July 6th, 2023 AT 4:10 PM
Tiny
BRENDON S
  • MECHANIC
  • 653 POSTS
Hello ALLISON BROCKMAN,

You are very welcome. Yes, I think it could cause the problems you are having. Since the air is entering the engine but not being measured, this brings in what is called "Unmetered-Air". The oxygen sensors will see the extra oxygen and add fuel to the engine, causing a hesitation. Also, poor acceleration, hard starting, rough idle, and more.

You could have a couple things going on. So, we need to get it sealed up and see how it does.

Thank you,
Brendon
Was this
answer
helpful?
Yes
No
Thursday, July 6th, 2023 AT 4:23 PM
Tiny
ALLISON BROCKMAN
  • MEMBER
  • 19 POSTS
I found out that I would have to purchase the whole engine cover, not just that piece. New, that would be over $500. I've been looking around in junkyards, but no luck so far. I would like to know if that is the cause of the issue, is it bad for my engine for me to be driving it like that?
Was this
answer
helpful?
Yes
No
Wednesday, July 19th, 2023 AT 1:07 PM
Tiny
BRENDON S
  • MECHANIC
  • 653 POSTS
Hello ALLISON BROCKMAN,

That's unfortunate you have to get the whole engine cover. That's why I call them "Stealerships". That is a crazy price for a hollow piece of plastic.

Most dealerships mark up their parts 110%. So, you can probably find it cheaper online.

Also, a lot of manufacturers have their own parts website, where you can get OEM parts much cheaper.

Try this site:
https://parts.gmparts.com/

Did they give you a part number for it? If you do, you can send it to me, and I can search on my end and see if I can find something cheaper for you.

You can also try this website. It compiles a list of junkyards in your area using your zip code.
https://www.car-part.com/

You are going to want to search for parts that have a grade of "A". You can also reach out to them and see if they will just sell you the boot.

There are a lot of sensors that the engine computer relies on to keep the engine running at a very specific air/fuel ratio. 14.7:1. 14.7 parts air to 1 part fuel. When the engine is not at this specific ratio, it can indeed cause the issues you are having. There are a lot of other things that can cause these issues but since you have such a bad crack in that boot, it could be causing the problem.

It is possible something else is going on or multiple things. However, since we know we have a crack in that intake boot, I think it is best to replace it. We have no codes to lead us to a certain area and there is nothing else that is obvious. At the very least we can rule it out as a possibility, and we know that the intake is sealed.

From the symptoms you describe, it sounds like it could either be the cause or making another issue worse.

If the engine isn't running correctly, it can start to cause other issues or damage other components. So, you can drive it but keep the trips short and try to only drive it if you really need to until we get it running better.

I would also check the air filter and replace that if you haven't lately. This is an area that is often overlooked. If it is dirty or clogged, it can not only not let enough air in the engine, especially under load. Which refers to starting from a stop or uphill or getting on the highway, things like that.

It will also damage the Mass Air Flow Sensor. You can clean this sensor using this a special cleaner. Here is a link I found as an example. This is the same stuff I use.
https://shop.advanceautoparts.com/p/crc-mass-air-flow-sensor-cleaner-11-wt.-oz.-05110/7070079-p?product_channel=local&store=9625&adtype=pla_with_promotion&product_channel=local&store_code=9625&&&gclid=EAIaIQobChMI8L3k7PubgAMVDElHAR31IgJxEAQYAiABEgIPzvD_BwE&gclsrc=aw.ds

When you do this, you will need to remove the sensor from the vehicle.

Make sure you let it dry for a few hours before putting it back in. If it still wet when re-installed it will ruin the sensor. It is about a $100 sensor so be careful and follow the instructions on the can.

I would try these 2 things and see if anything changes. If not, I think the engine cover is the next best step.
Was this
answer
helpful?
Yes
No
Wednesday, July 19th, 2023 AT 5:07 PM
Tiny
ALLISON BROCKMAN
  • MEMBER
  • 19 POSTS
I haven't done anything about this, but I recently brought my car to my mechanic for an oil change and asked him to look at that cracked rubber piece and see if that could be causing the problem. If not, I wanted him to see if he could find out what's causing it.

He doesn't seem to be the type of mechanic who looks for work because he said my car needed oil (I'll get into that in a minute) and this might be how my car acts when driven in that condition (poor performance). He did the oil change, told me he doesn't see that cracked rubber piece causing an issue, and gave me back my car and it's still doing it. Gee, thanks for the help!

Now about the oil. This is the second time I brought my car to him and a few days before doing so, I checked the oil, and it was fine. I bring it to him, and he tells me there's hardly anything on the dipstick. I have no idea if that says anything, but I thought I should mention it.

Okay, now today my son had to borrow my car to get to work. He just told me that it has to be the transmission. I have the type that's automatic, but you can use it manually. The car was doing the jerking it's been doing, so he put it in manual, and he says it's fine now. Why would it cause a problem in automatic but not manual?
Was this
answer
helpful?
Yes
No
Monday, August 21st, 2023 AT 2:00 PM
Tiny
BRENDON S
  • MECHANIC
  • 653 POSTS
Hello ALLISON BROCKMAN,

Manual mode on an Automatic transmission relies on the driver and gives them control of when it shifts but regular Automatic mode relies on the computer to make the decisions for the best emissions, fuel economy and drivability.

However, a computer is only as good as its program. So, if the input data is wrong or it thinks it is something it is not then the engine computer will respond in the wrong way. Like incorrectly calculating load. If the computer cannot calculate how hard the engine is working, or load, it will respond with things like delayed shifting, performance issues, excessive fuel consumption or just be in the wrong gear. Making the transmission work harder.

To me, if I found that cracked boot on a customer's car, I would recommend replacing it. If your mechanic thinks it isn't going to cause a problem, I think he is wrong. Is it causing our specific problem? It is hard to tell.

Issues with vehicles can be complex and a lot of different issues have similar possibilities. Especially as they age and gain mileage, you can have multiple issues all leading to one or 2 main symptoms the customer is now noticing.

However, if there is an issue with the intake the engine will not perform correctly. Since the transmission uses a lot of the same inputs the engine does, engine problem can cause a transmission problem.

I mean it is a pretty big crack on the intake that goes right into the engine, so I find it hard to believe it isn't at least contributing to the issue.

It is possible it is burning oil or has a leak somewhere. I am sure you know this but just make sure you check it on level ground.

1) Start the engine, run for about 20 seconds or so and turn it off. (This will push the oil into the motor and filter)

2) With the engine off, remove the oil dipstick and wipe with a rag, stick the dipstick back in all the way and pull it back out. (The reason for this is when the engine runs, the oil will be thrown around the engine for lack of a better term and give a false reading. By taking it out and wiping it off first, this will give you a more accurate reading.)

I would check it every day before driving and keep a log of it. That way we can see if and how fast the level is dropping. Which will give us some insight into where it might be going, if it is at all.

If the engine is indeed losing oil, then it will cause the motor to be sluggish. However, as mentioned before, a lot of different things can cause it as well.

Does the issue get better after the low oil is found and oil is added?

Are the issues better or worse when the engine is hot or cold?

We have to use the process of testing and eliminating certain areas that could cause this issue.

It is possible it has a transmission problem but the gears that are used are the same in manual or automatic mode, the difference is the inputs. Usually, manual drivers will rev the engine higher than when in automatic mode. If there was an air intake leak it would be less noticeable if I am hitting the gas harder because the air coming in through the intake matches the fuel the engine computer is allowing more precisely. Under a light load like cruising around 40 MPH, I am going to hit the gas a little and let off and try to maintain my speed, so an air leak will have a more of an effect then because the airflow and fuel need to be more precise especially if I start going uphill.

However, let's try this. *For safety this should be done with a fire extinguisher handy and the engine cold. This can cause a fire so please be careful*

You will need some carb cleaner. This can be found at your local auto parts store. (I will add an image for you). Brake Cleaner will work as well but will damage painted surfaces and plastic.

1) With the engine in park and idling, spray some carb cleaner in the area of that cracked coupler with everything for the intake attached the way it should be. Use the straw that came with it so you can be more precise and use short sprays.

2) Now you are going to spray around that area of that cracked boot and if it is a big enough leak, you will hear the engine RPM rise slightly.

The boot needs replacement regardless but let's see how much of an impact it is having on the engine.

Here is a video on how to do this. Let me know if you have any questions.
https://youtu.be/9CPqbaSgcok

Then we will do this same test on other areas to make sure there are no vacuum leaks anywhere else.

Let me know what you come up with or if you need any guidance. I am here to help.

There are a lot of things that can cause these issues, but condemning the transmission or engine itself I think is a little premature until we have more data. These things are possible, but I find looking at more likely issues first is best so at the very least we can eliminate them. Plus, it only has 150,000 miles on it.

Also, it is possible to have a small enough vacuum leak that this test may not work on, so trying the same spot a couple times is best to be sure. It is possible to have several small vacuum leaks at the same time as well.

So, if you could do this test found in the video above and let me know your results, we will begin the process of elimination.

Thank you,
Brendon
Was this
answer
helpful?
Yes
No
Monday, August 21st, 2023 AT 3:42 PM
Tiny
BRENDON S
  • MECHANIC
  • 653 POSTS
Hello ALLISON BROCKMAN,

I hope you are doing well. I just wanted to check in and see if you were able to find any vacuum leaks with the process I shared a few days ago with you. Where you able to find anything?

Any new symptoms?

I have a customer I am working with now that has a Malibu, it is a 2013 but he is having similar issues to yours.

His started when he added fuel injection cleaner to his vehicle. He also has an engine code for a vent solenoid which is part of the EVAP system. I don't know if it is related just yet, but did you add anything like that? Any issues filling the fuel tank?

Does the issue get better or worse depending on the outside temperature? He said his gets better when it is colder outside.

My hope is to find similarities between both of your vehicles and see if we can get you both fixed up.

I apologize if I have already asked these questions. I just want to make sure everything is covered, and I am doing everything I can to help.

Let me know, if you have time. I am here to help.

Thank you,
Brendon
Was this
answer
helpful?
Yes
No
Thursday, August 24th, 2023 AT 1:12 PM
Tiny
ALLISON BROCKMAN
  • MEMBER
  • 19 POSTS
I'm sorry I haven't gotten back to tell you the results. My son has been borrowing my car this week to get to work so I won't have a chance to do that test while the engine is cold until this weekend.

To answer your questions:
"Does the issue get better after the low oil is found and oil is added?" - I wouldn't say it does. It seems the same to me.
"Are the issues better or worse when the engine is hot or cold?" - I've always noticed that if I get in the car and go, it seems to do it a little more frequently for the first couple of minutes of driving, so it does seem to be worse when the engine is cold.

I never added anything to the fuel tank. As for the weather, I can't really say because this only got noticeable around the beginning of the summer.
Was this
answer
helpful?
Yes
No
Friday, August 25th, 2023 AT 2:04 PM
Tiny
BRENDON S
  • MECHANIC
  • 653 POSTS
Hello ALLISON BROCKMAN,

It's ok. No problem at all. I just want to make sure I am helping.

Thank you for the information. It is helpful. The other customer has issues going uphill also but cold makes it better. So, the opposite of your issue but still have an uphill issue.

Maybe it isn't related but worth a shot.

Take your time with the tests, no rush at all.

Let me see what I can find with this other customer's vehicle and see if anything is related or not.

In the meantime, if you have the time to do the test, awesome. If not, not a big deal at all.

Hope you have a great weekend and talk to you soon!

Thank you,
Brendon
Was this
answer
helpful?
Yes
No
Friday, August 25th, 2023 AT 2:20 PM
Tiny
ALLISON BROCKMAN
  • MEMBER
  • 19 POSTS
We just did the test with carb cleaner. My son sprayed and listened to the engine while I sat in the car and watched the RPMs, just to double check. He never heard a difference with the engine. He sprayed twice. The first time, I saw the RPMs go up a couple of times so slightly I wasn't even sure if it was worth mentioning, but obviously, I am. It was kind of like when you're sitting at a light and the RPMs go up and down very little, so I don't know if this is normal, but that's how I took it when I saw it. The second time he sprayed, there was no change.

I wanted to make sure that he was spraying in the right area because I didn't know whether you had to spray in the exact place where the crack is or not, so I took the engine cover off. Where he was actually spraying was in the front and on the right side (with cover on). The main crack is in the back. I don't know if that makes a difference. But if he does need to get it in the exact spot, we can't reach the back. What I did notice is that there was liquid in the front, inside that rubber piece, opposite from where the crack is. I first thought it was the liquid that he sprayed until I rubbed it with my finger, and it was brown.
Was this
answer
helpful?
Yes
No
Sunday, August 27th, 2023 AT 10:55 AM
Tiny
BRENDON S
  • MECHANIC
  • 653 POSTS
Hello ALLISON BROCKMAN,

Unfortunately, it is not normal for the RPM to fluctuate. You may have a misfire, or the engine might be trying to correct something like a lean condition. You do have a massive crack in something that is supposed to seal the air coming into your engine. It may not be the main cause but certainly isn't helping anything. Even the smallest air leak can cause a problem.

However, because it is expensive and I completely understand, let's just keep it in mind and look at some other things. We will keep that on the back burner for now.

Thank you for doing the tests though, regardless of the outcome. I appreciate it.

Now the brown stuff is more than likely oil. Oil in the intake can be cause by excessive crankcase pressure. This pressure is created by something called blow-by gasses, which just happens as the engine runs. The amount depends on how hard the engine is working or load, rpm and things like age and mileage.

There is a system called Positive Crankcase Ventilation or PCV. This system uses vacuum that the engine produces as the engine operates and sucks these gases out, into the intake and then burns them as part of the normal combustion process. Sometimes this system will have an issue and cause it not to work correctly. This in turn increases crankcase pressure, the bottom of the motor basically. This will push gaskets out of the engine causing oil leaks but can also push it into the intake and cause it to be burned. This condition will cause a misfire and a lot of other issues.

Since you seem to be losing oil and you found some in the intake, I think checking this system is a good next step.

If could look around the engine with a bright light and not any wet oil on the motor that would be great.

We need to figure out if it is burning oil. If so, we need to find out why.

Please look around and take some photos if you can for me.

The PCV system is usually cheap to fix but if not taken care of can cause a lot of costly problems.

There is an issue with torque convertors on a lot of GM vehicles as well. Unfortunately, that is an expensive fix because the transmission needs to be removed. My truck had this problem. I have a 2001 Suburban. Felt like it wouldn't down shift when going up a hill. Had to stomp on the gas to get it to downshift. But I have had transmission problems since I have owned it. So, there might be a couple things going on but let's keep that in mind and take a look at the PCV system first and make sure that is operating as designed.

Thank you,
Brendon
Was this
answer
helpful?
Yes
No
Monday, August 28th, 2023 AT 8:59 AM
Tiny
ALLISON BROCKMAN
  • MEMBER
  • 19 POSTS
When it comes to what the RPMs did, it happened right after I started the car and I believe every car I've had did the same thing. The RPMs would go up and down a couple of times ever so slightly and then stay steady.

The amount of oil that was on the rubber was not much at all. It was only in one spot and maybe the size of a nickel. That's why I thought maybe it was from the carb cleaner. The rest of the rubber was totally dry.

Now, am I just looking for any wet spots on the engine? I'll wait a little after my son gets home from work to let the engine cool down some.
Was this
answer
helpful?
Yes
No
Monday, August 28th, 2023 AT 1:18 PM
Tiny
ALLISON BROCKMAN
  • MEMBER
  • 19 POSTS
There was hardly any more stuttering after I finally found another seal for the air intake. It decreased by about 95%. I recently realized it's been happening again, and the only difference is that I'm using the A/C. I would like to test it without the A/C on, but it's been so hot I don't dare. If it lands up going back to normal without the A/C on, any ideas what it could be?
Was this
answer
helpful?
Yes
No
Saturday, June 22nd, 2024 AT 9:09 PM

Please login or register to post a reply.