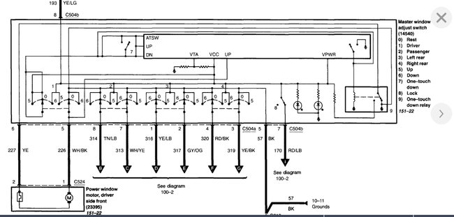
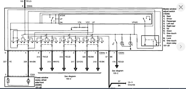
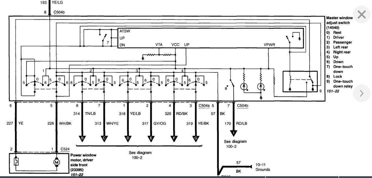
I checked the switch (even replaced it) and I am getting 12 volts when I operate the switch. I replaced the motor, but still not working. I pulled the pigtail from the motor and I am getting 12 volts when I operate the switch as well.
Help!
Thursday, August 16th, 2018 AT 8:05 PM

