Power windows now working

Tiny
BLANK_TITLE
  • MEMBER
  • 1994 ISUZU TROOPER
  • 3.1L
  • 4 CYL
  • TURBO
  • 4WD
  • AUTOMATIC
  • 39,615 MILES
None of the rear windows are working.
Friday, April 19th, 2019 AT 10:29 AM

1 Reply

Tiny
KASEKENNY
  • MECHANIC
  • 18,907 POSTS
Hi,

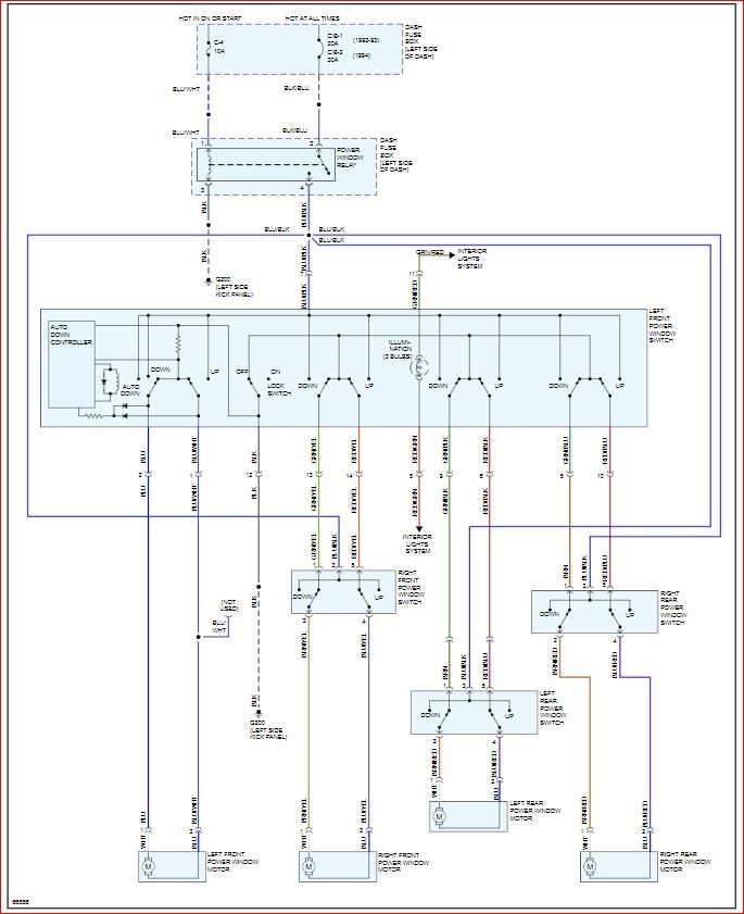
I attached a copy of the wiring diagram for the windows and the operation. It sounds like they don't work from any switch. If that is the case, all these window switch are grounded through the drivers window switch. So most likely this switch has failed. I would suggest replacing this and then retesting. You can follow the wiring diagram and try to bypass the switch and see if you get operation back if you would like.

Thanks
Was this
answer
helpful?
Yes
No
Friday, April 19th, 2019 AT 5:22 PM

Please login or register to post a reply.