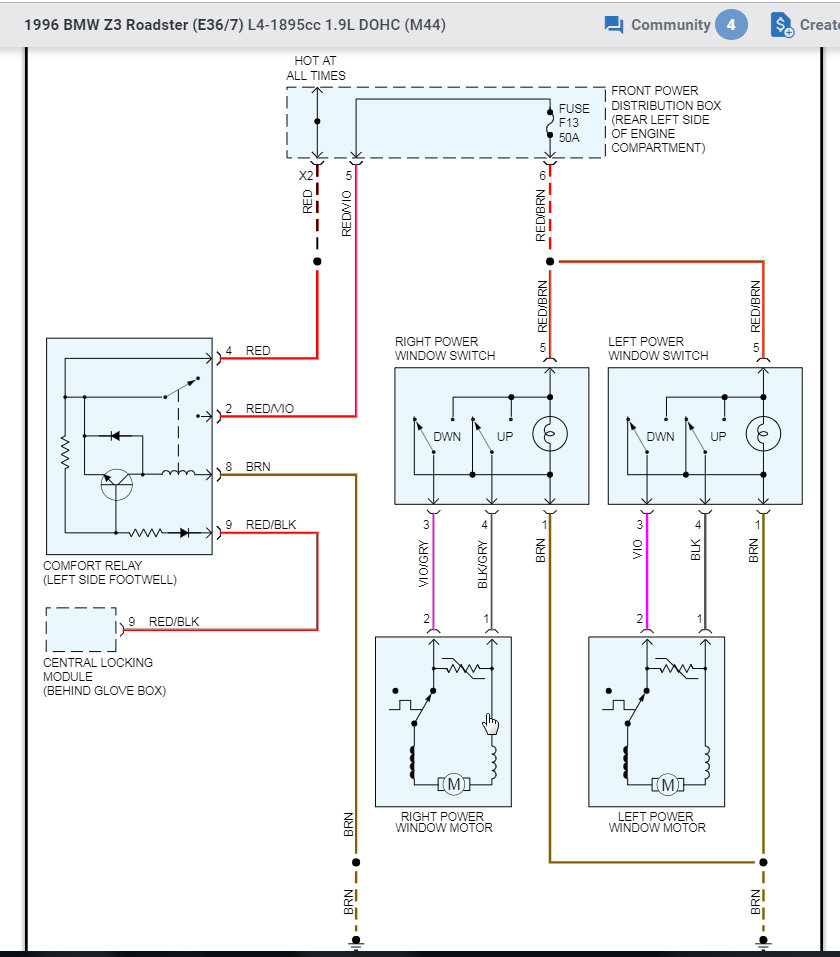
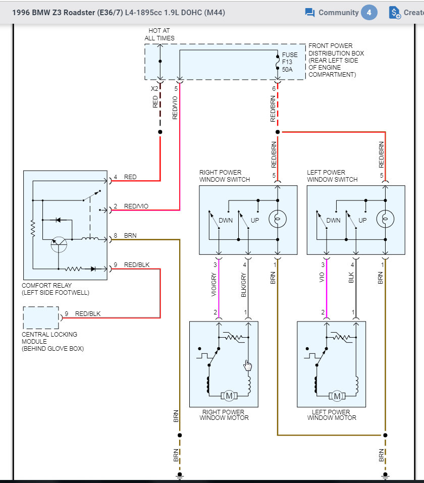
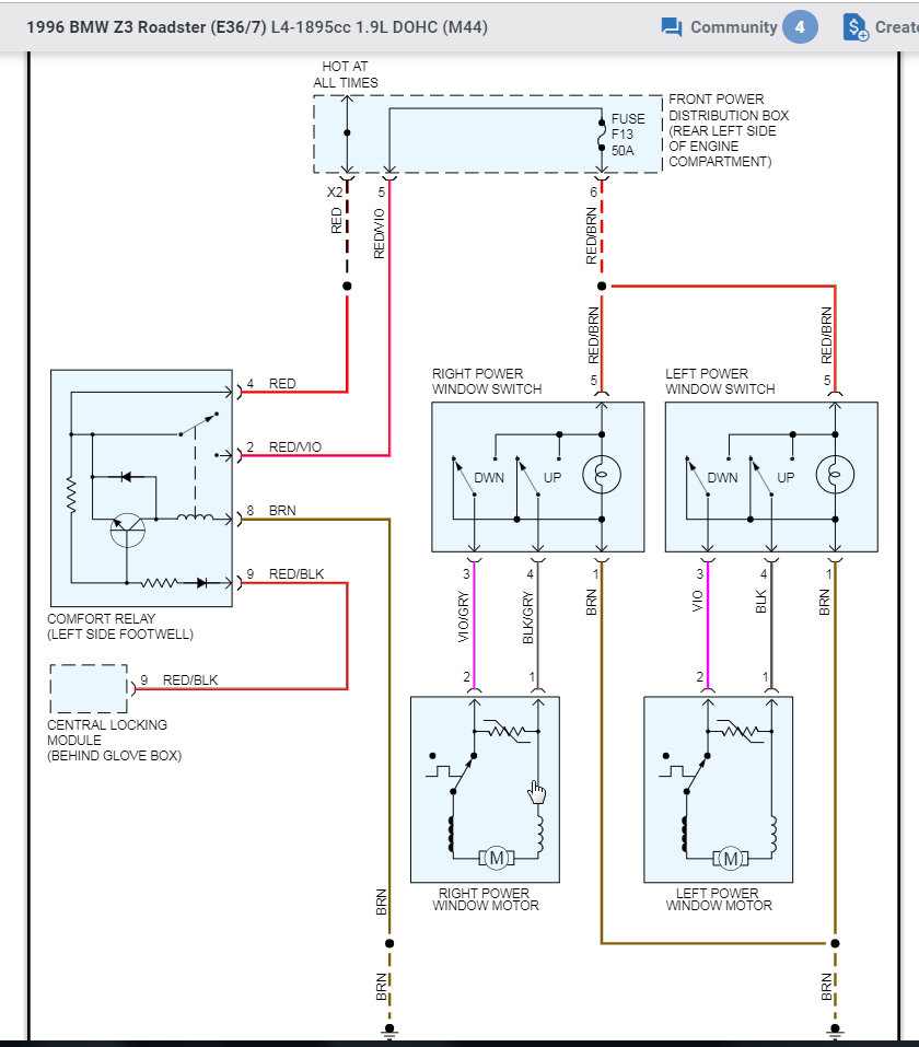
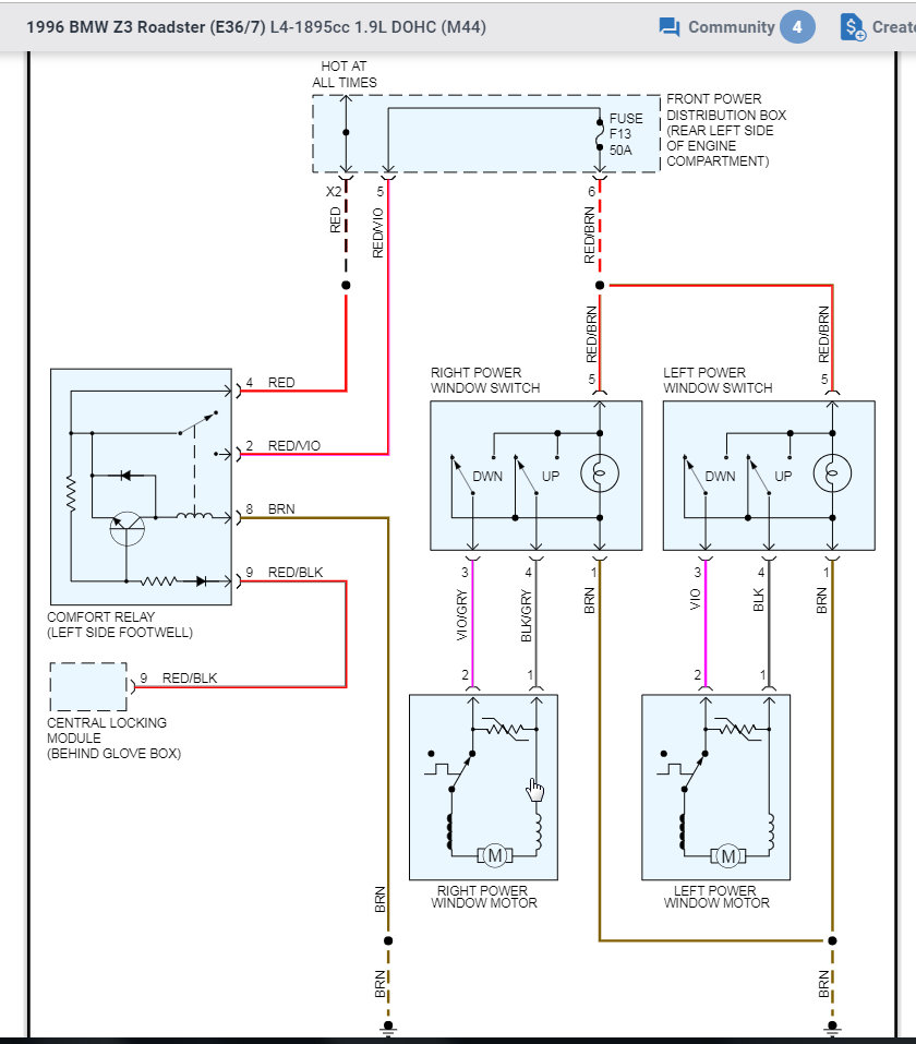
Tuesday, July 2nd, 2019 AT 4:23 PM
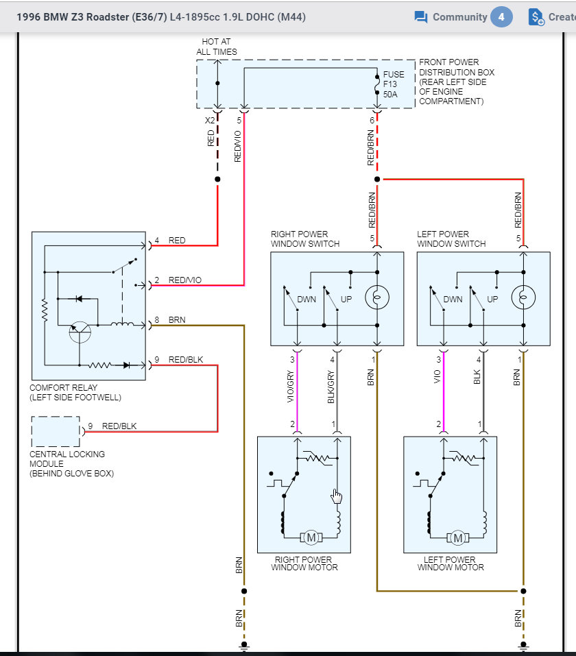
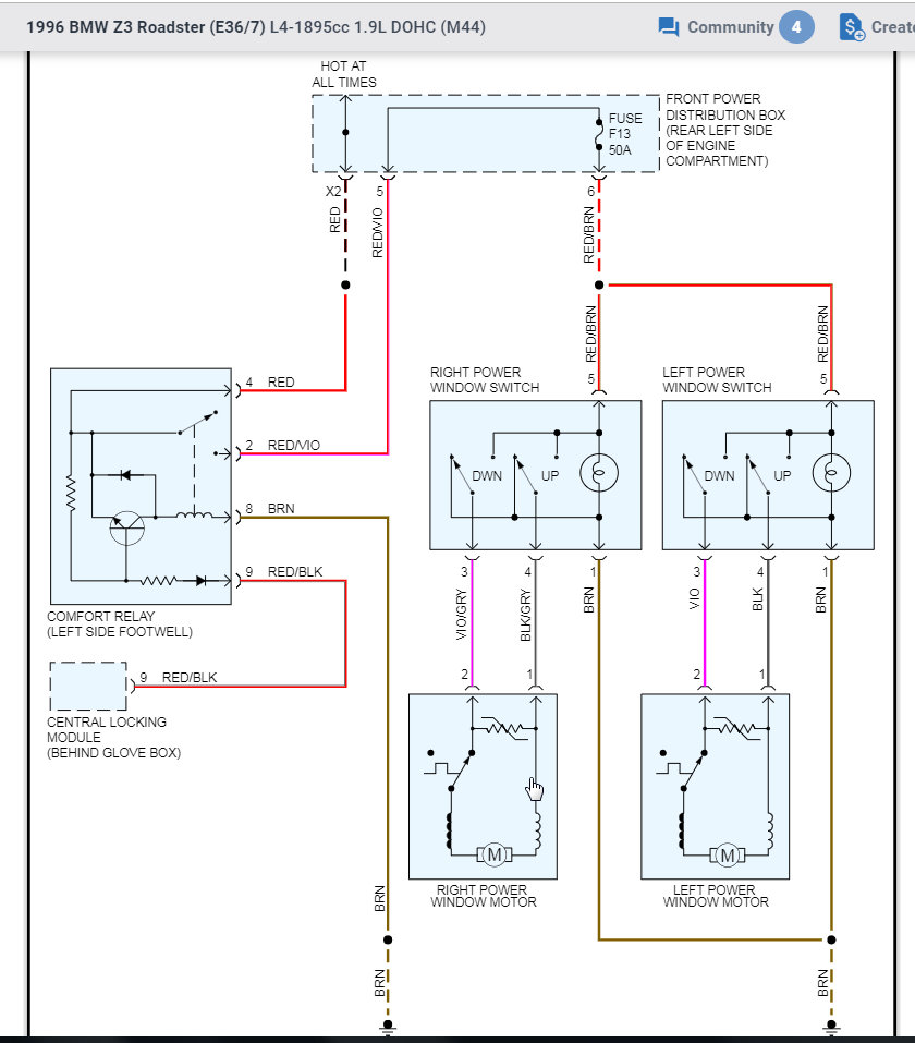
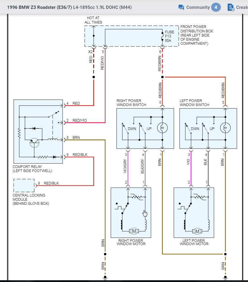
After reading about this problem, it's probably a blown fuse, but I can't figure out which fuse to replace because in the Fuse Box. There is no label for power windows. I need help please!



