HOME
ASK A QUESTION
REPAIR GUIDES
BECOME A MEMBER
LOG IN
Login with Facebook
OR
Remember me
NOT A MEMBER?
FORGOT PASSWORD?
CONTACT US
PRIVACY POLICY
TERMS AND CONDITIONS
☰
Home
GMC
Jimmy
Body
Window
Fuse
Power windows
CLARESE DUHAIME
MEMBER
2000 GMC JIMMY
4.3L
6 CYL
4WD
AUTOMATIC
170,000 MILES
Power windows all work from drivers side door only, where is the fuse for the windows and were is the dim relay?
Saturday, March 3rd, 2018 AT 11:49 AM
2 Replies
ASEMASTER6371
MECHANIC
52,796 POSTS
Good afternoon.
Since all windows work from the drivers side, I assume none work with there own switches? Is that correct?
I will get a diagram for you.
Dim relay? Please explain.
Roy
Was this
answer
helpful?
Yes
No
Saturday, March 3rd, 2018 AT 1:15 PM
ASEMASTER6371
MECHANIC
52,796 POSTS
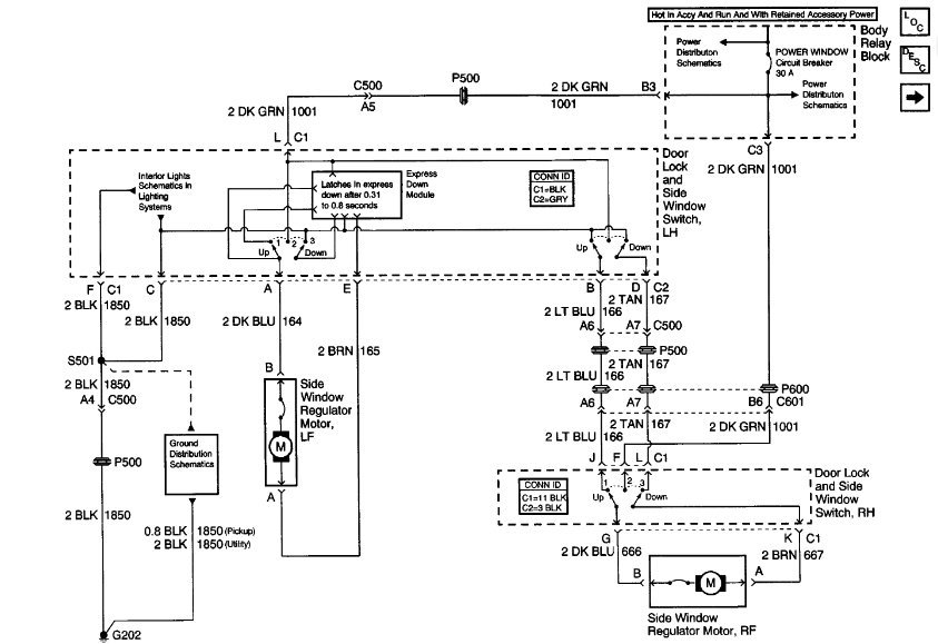
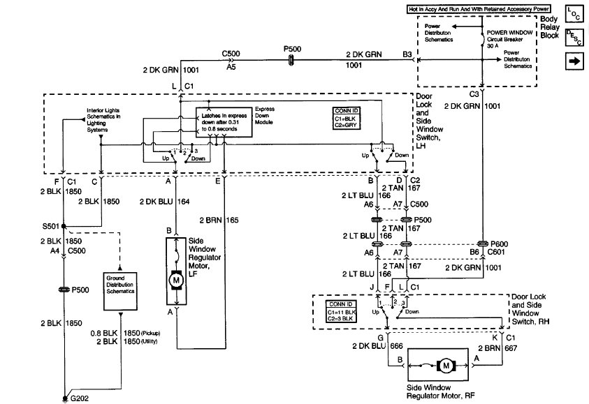
Diagram below. Do you have a voltmeter or test light to check for power at the passenger side switch?
Roy
Image (Click to make bigger)
Was this
answer
helpful?
Yes
No
Saturday, March 3rd, 2018 AT 1:38 PM
Please
login
or
register
to post a reply.
Related Window Fuse Content
1993 Gmc Jimmy Power Window Problems
Electrical Problem 1993 Gmc Jimmy 6 Cyl Four Wheel Drive Automatic All 4 Of My Windows Stoped Working At Same Time. All Fuses In...
Asked by
cricketb
·
3 ANSWERS
1993
GMC JIMMY
2000 Gmc Jimmy Windows And Air
I Started My Car With No Problem But The Windows And The Air Did Not Work. When I Arrived Home I Turned It Off And Then Re Started It And...
Asked by
cindybreeland
·
1 ANSWER
1 IMAGE
2000
GMC JIMMY
Driver Side Window Will Not Open Or Shut
My Driver Side Widow Made A Noise Like Something Was Stuck Then It Stopped Working. What Would Be Course Of Action? Thanks.
Asked by
roycar71
·
8 ANSWERS
1 IMAGE
1998
GMC JIMMY
1996 Gmc Jimmy I Have A 1996 Gmc Jimmy
1996 Gmc Jimmy Ok The Problem Is That One The Key To The Truck Is Stuck In The Ignition And The Truck Is Stuck On The On Mode And...
Asked by
Alyssa Ballew
·
1 ANSWER
1996
GMC JIMMY
Power Window Trouble
Power Window Trouble Hi, Advice Needed, When I Try To Run Window Up Or Down, It Will Move Only About One Or Two Inches And Then It...
Asked by
elgenco
·
2 ANSWERS
GMC JIMMY
VIEW MORE
Ask a Car Question. It's Free!
How to Use a Test Light
Window Switch Replacement and Test
Door Panel Removal