Power windows will not roll down or up?

Tiny
DESTANIENOWELL
  • MEMBER
  • 2008 DODGE CALIBER
  • AUTOMATIC
  • 132,000 MILES
I already changed the switch out on the driver door. No green light so it's like it's not getting any power. Thank you in advance.
Wednesday, October 26th, 2022 AT 6:25 PM

3 Replies

Tiny
JACOBANDNICKOLAS
  • MECHANIC
  • 110,192 POSTS
Hi,

These vehicles have a TIPM (totally integrated power module) under the hood. They are known to have problems with the connectors. There are too many small pins in each connector. As a result, they are known to corrode and break or simply push inward and lose contact.

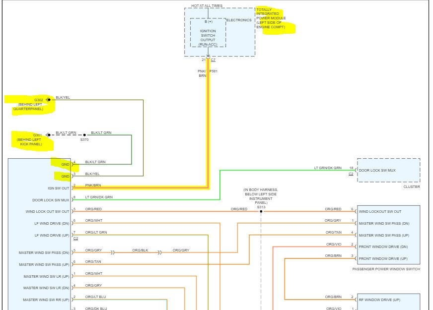
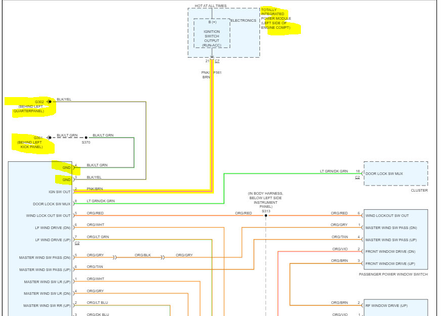
So, I need you to do the following. First, I attached the wiring schematic for the window circuit below, so you have a reference.

Disconnect the connector at the driver's door switch and locate the pink wire with a brown tracer. That should have battery voltage with the key in the on position. Confirm that.

If that checks good, locate the black wire with a green tracer and the black wire with a yellow tracer. Those provide a ground for the circuit. Confirm continuity to ground in both wires.

Here is a link you may find helpful:

https://www.2carpros.com/articles/how-to-check-wiring

Let me know what you find.

Take care,

Joe

See pics below.
Was this
answer
helpful?
Yes
No
Wednesday, October 26th, 2022 AT 8:21 PM
Tiny
DESTANIENOWELL
  • MEMBER
  • 40 POSTS
Thank you for all your help. I'll pass all this info to my mom that is working on this one, lol.
Was this
answer
helpful?
Yes
No
Wednesday, October 26th, 2022 AT 8:32 PM
Tiny
JACOBANDNICKOLAS
  • MECHANIC
  • 110,192 POSTS
Hi,

LOL You are very welcome. Let me know if she has questions or if I can help in any way.

Take care,

Joe
Was this
answer
helpful?
Yes
No
+1
Wednesday, October 26th, 2022 AT 8:51 PM

Please login or register to post a reply.