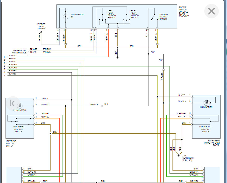
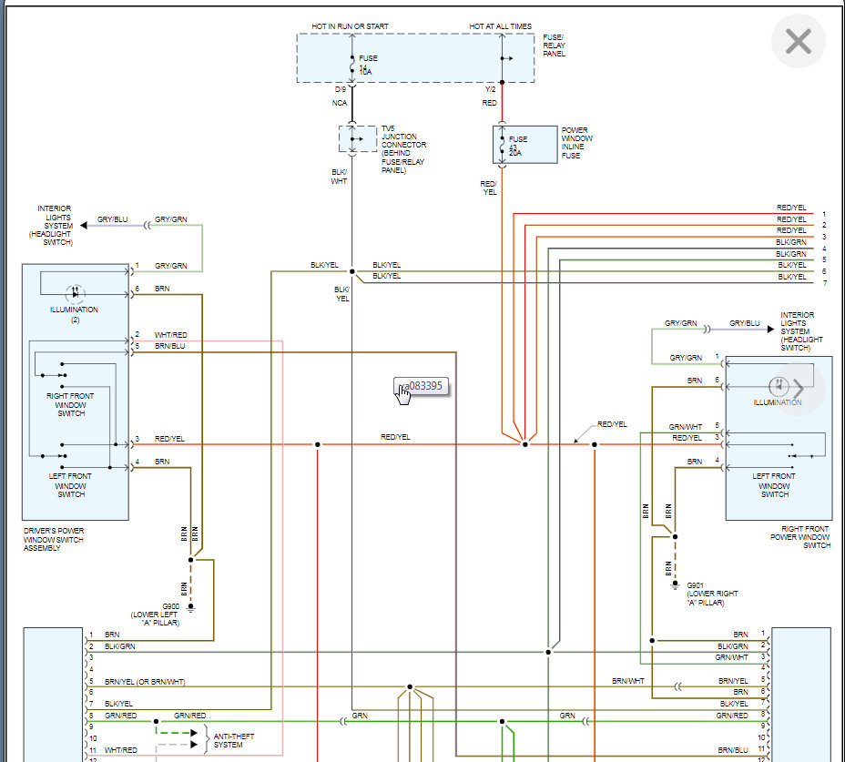
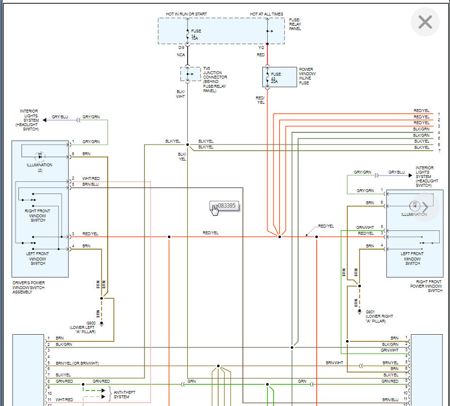
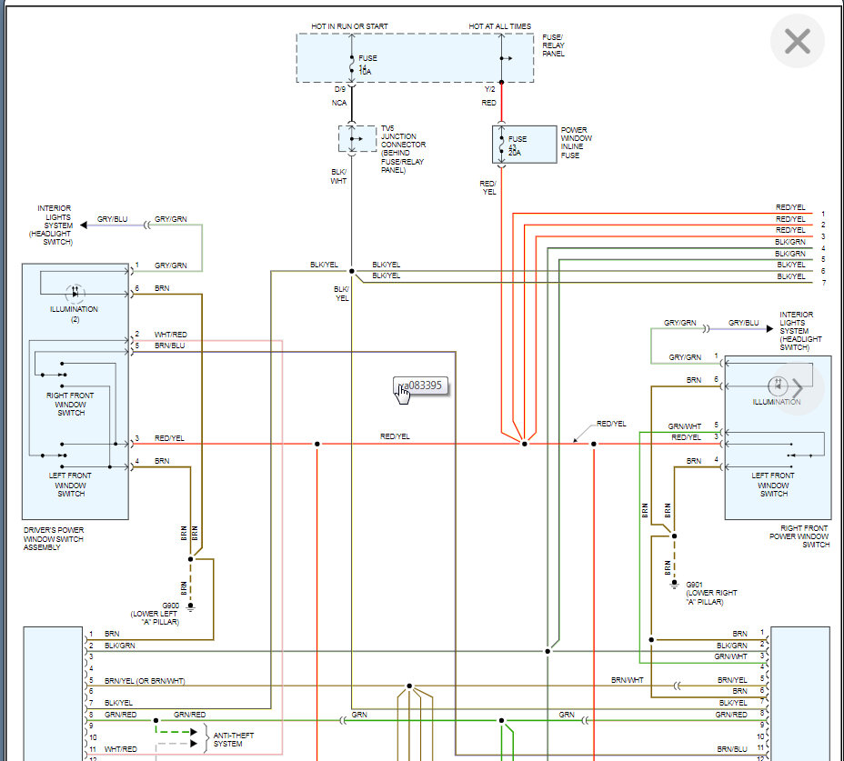
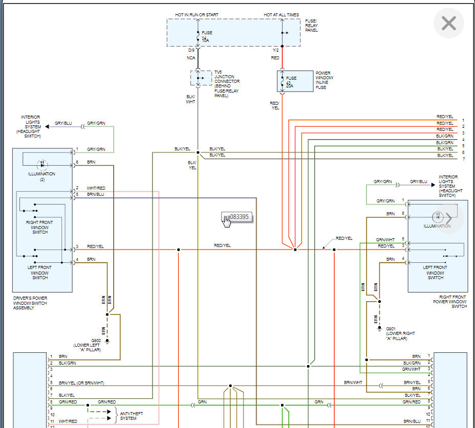
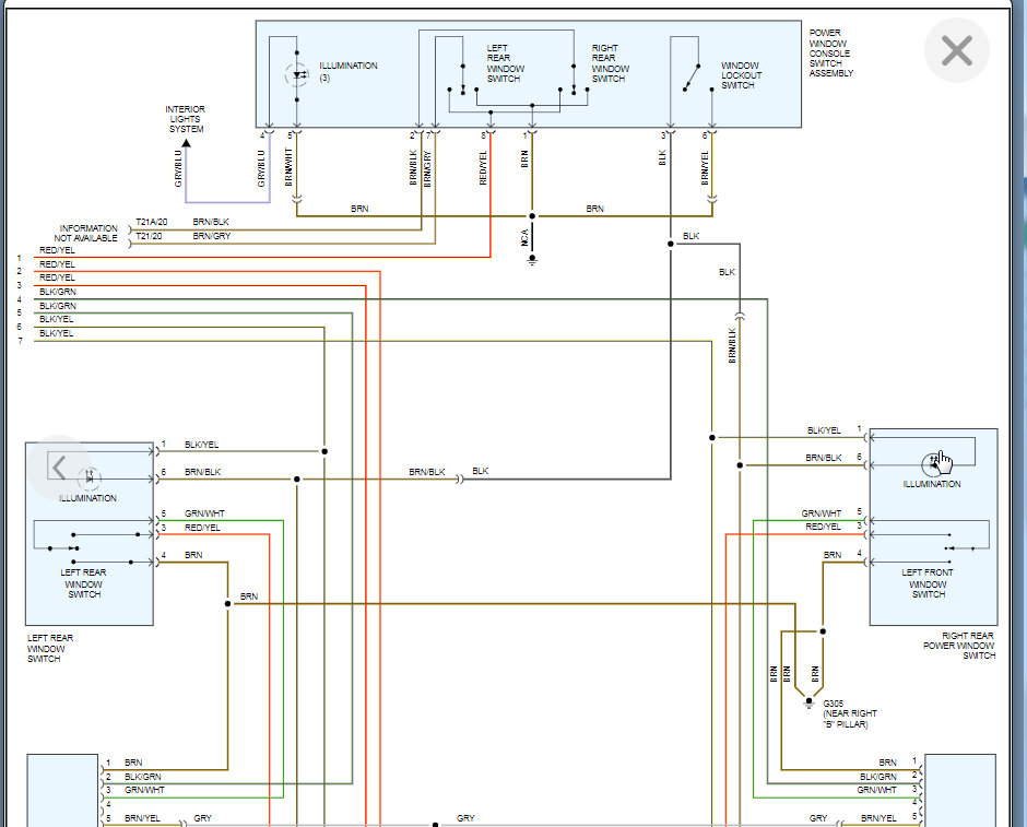
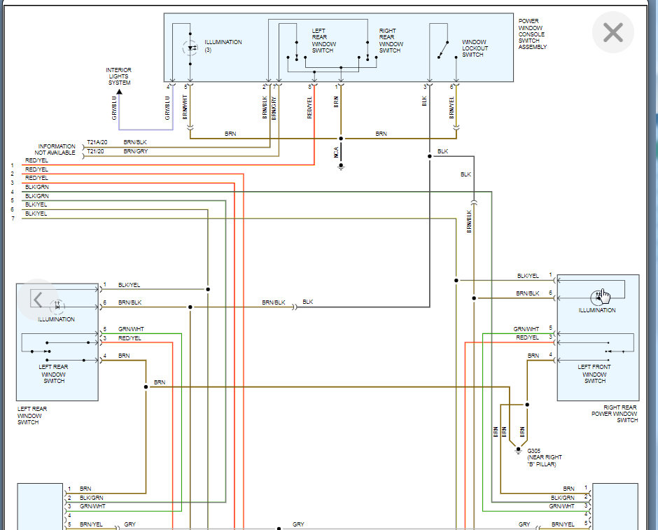
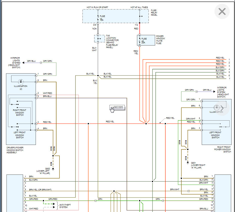
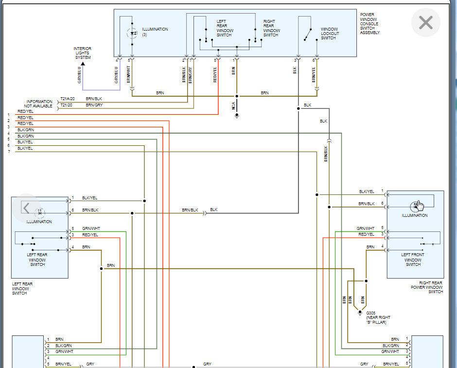
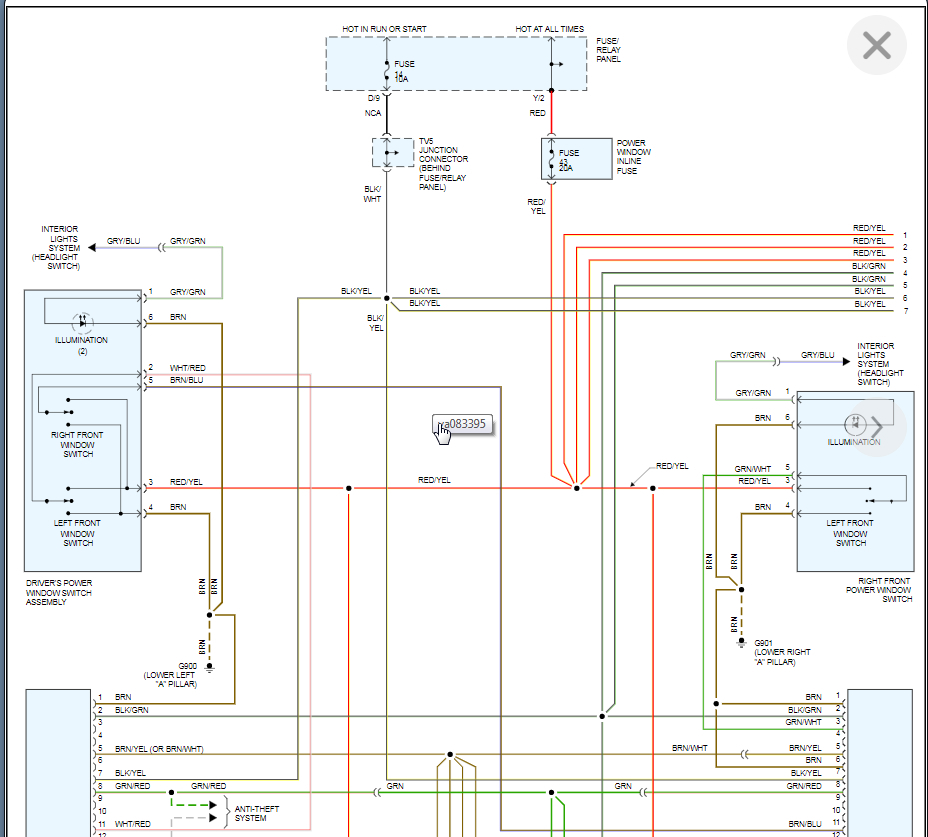
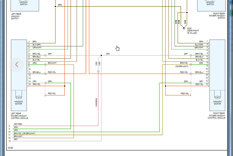
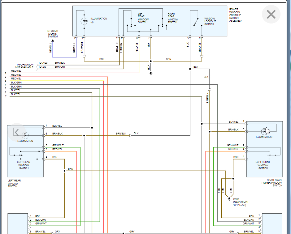
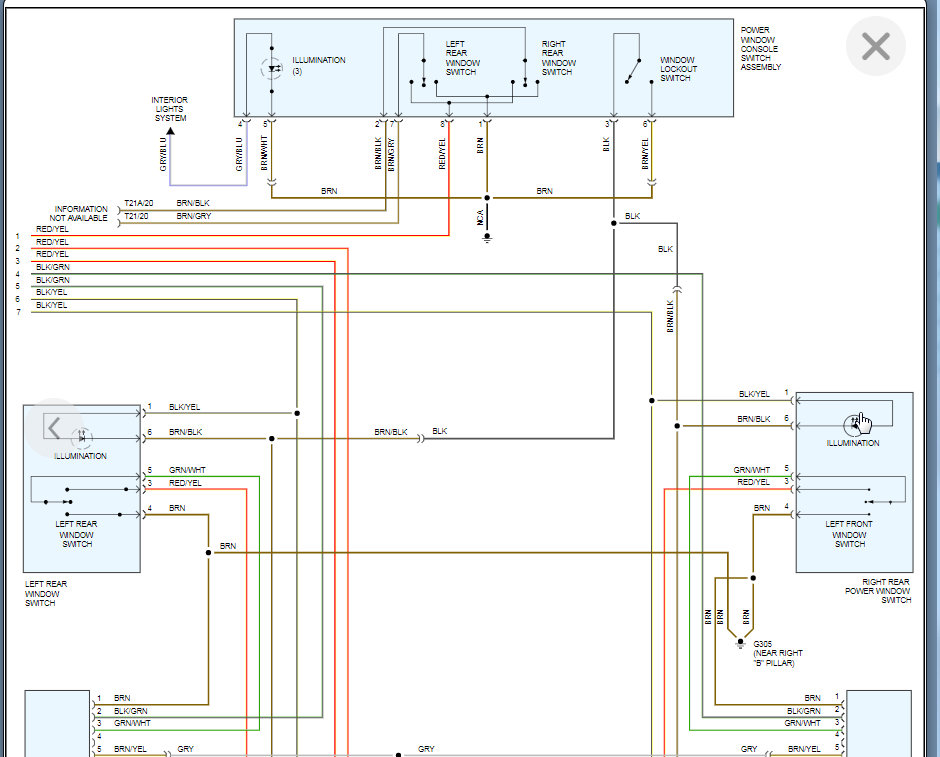
i have been trying to find where the relay or the fuse that controls the power windows are located. it started malfunctioning lately, will whined closed but not open after a long time and vise versa when opened.
i have checked the electric motor and it's working well.
any help on how to locate the relay/fuse?
thanks.
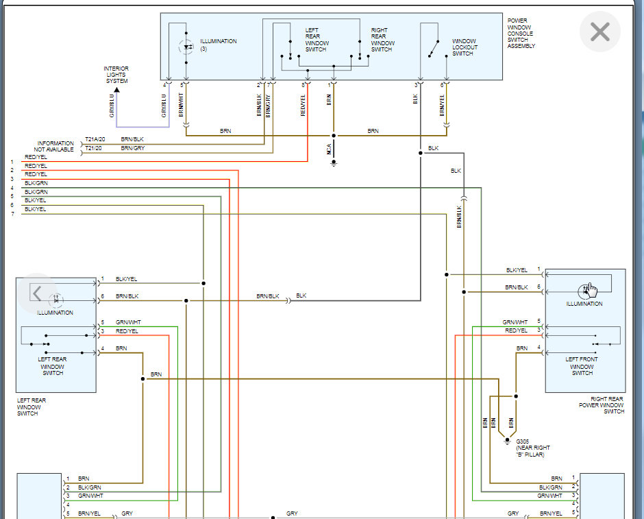
i have checked the electric motor and it's working well.
any help on how to locate the relay/fuse?
thanks.
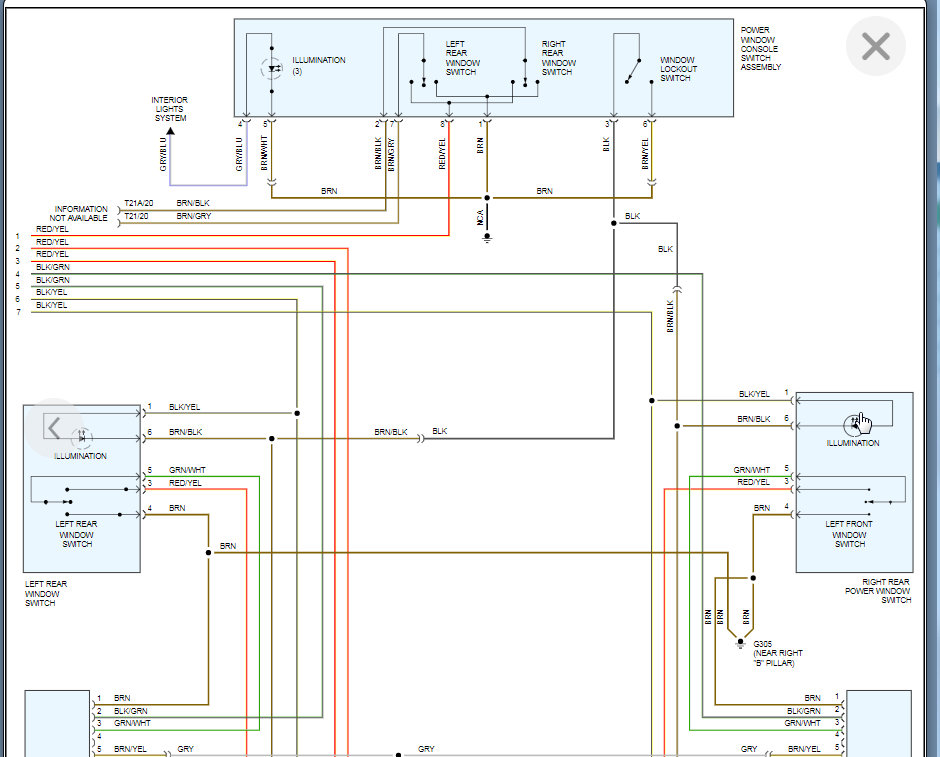
Nov 12, 2020 at 3:05 AM



