Saturday, February 15th, 2020 AT 11:45 AM
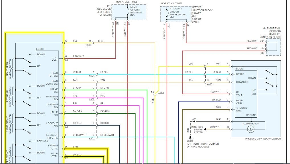
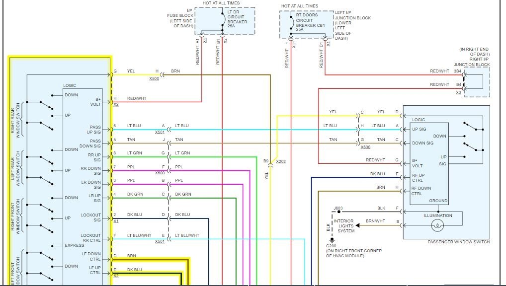
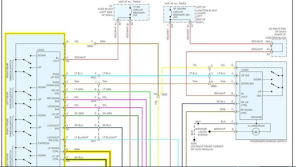
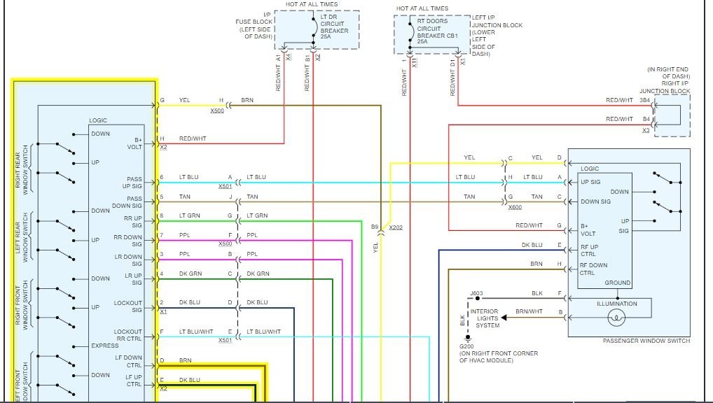
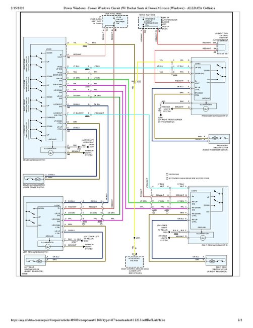
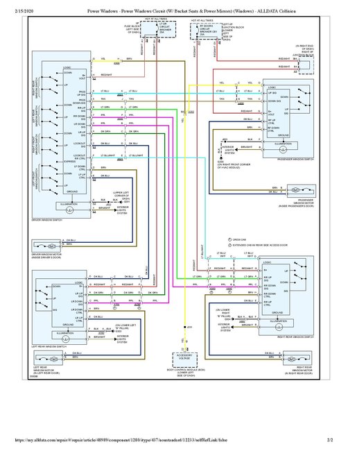
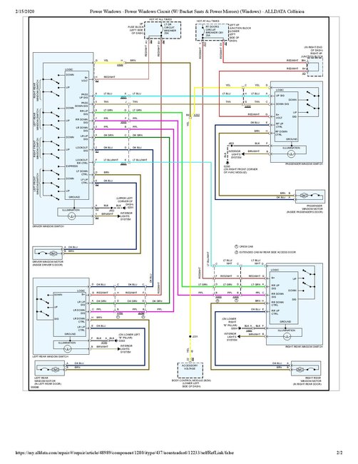
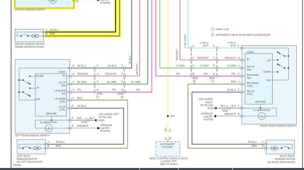
Hi my name is Joel, using the front passenger side controls the power window rolls down and up perfectly fine. So I know all the components are working and it's not a motor or anything like that, using the driver side controls the driver side window goes up and down perfectly fine as well and it's a four-door so both of the back seat windows go up and down perfect, so nothing is wrong with them. The only issue I'm having is with the front passenger power window not rolling up using the driver side controls. Now using the driver side controls I can roll the front passenger side window down perfectly fine, it just will not roll back up using the driver side controls. I did some research and it appeared to me that the most likely cause of this would be the driver side control switch, so I ordered a new driver side control switch and placed it in, but yet I'm still having the same exact issue, all of the other windows are working perfectly fine and the passenger side window rolls down but it does not roll up and this is using the driver side controls. Now I did purchase a cheaper brand for the driver side control switch but I still believe it should have worked because all the other windows work fine, so I'm at a loss on what the problem could be, I know it's nothing major and I know all the components are working fine because using the passenger side controls it goes up and down without a problem, so I know it's not the mechanism that's causing the issue, the only thing I can think of that it might be is maybe a corroded wire somewhere or possibly a fuse, but I don't know if it could be a fuse if the window goes down but not up, but I could be wrong because I don't know that much about it, that's where I'm hoping you might be able to help me with this because I'm at a loss. If you know what it might be or if you have any suggestions then I'm all ears because about now I'm willing to try anything, I'm very frustrated because I was almost 99% certain it was just a bad switch, but now it's driving me crazy because I tried that and it didn't work, so I don't know if maybe I should try a different brand and give it another shot, but I really need an expert's opinion on this. Please help. If at all possible, if you know how to fix this problem or if you have any suggestions please send a video so that way I know exactly what to do, it will be easier for me to fix the problem or diagnosis it if I can see someone else doing the exact same thing, watching someone physically do it is easier to follow that way you know exactly what you have to do. Thank you








