Sunday, July 7th, 2019 AT 7:00 PM
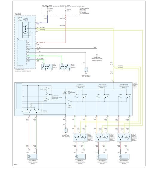
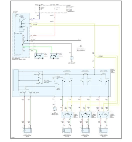
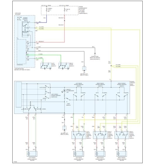
New motor and regulator. If I wire direct from battery, window goes up and down no problem. Back probing motor hookup shows 12v all the time. If you toggle window switch it shows 12v one way and nothing the other. Another weird thing is if you use battery and leave window down then plug up harness to motor and turn key forward window goes up by itself.


